网格已打开。
步骤5:连接导线
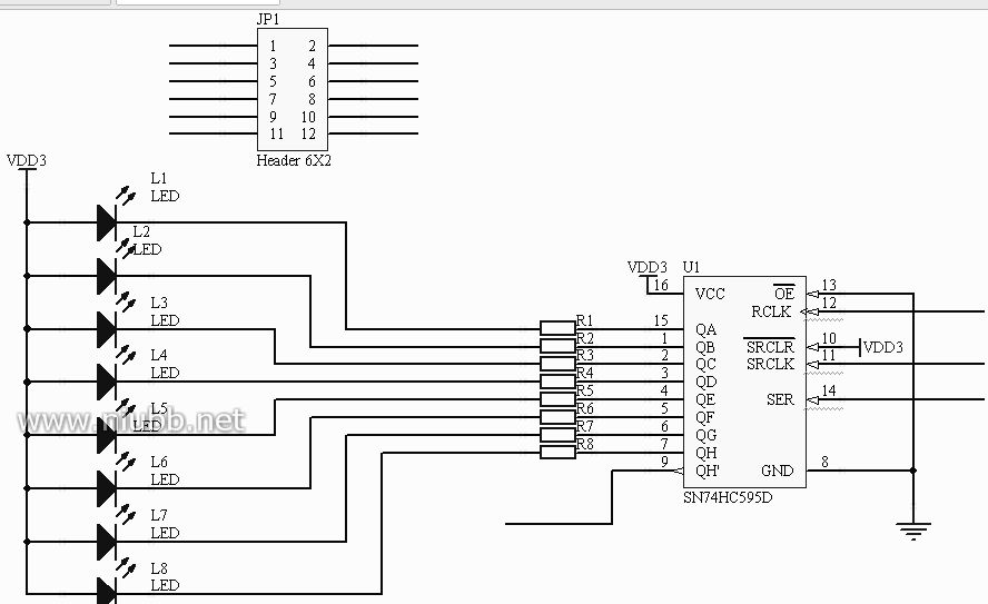
按照所学导线的使用方法,参照图1.2.57,
连接图中各元件。
步骤6:放置电源符号
“实用工具”栏中的“电源”工具组提供了
11种常用的电源符号供用户使用。如图1.2.69。
用户可以根据自己的需要选择其中的电源
符号使用。各按钮的功能和“配线”工具上的“电
源”工具按钮等价。图1.2.69 电源符号
参照图1.2.57,在前一步骤已经绘制好的原理图中添加电源符号。绘制完的效果如图1.2.70所示。
图1.2.70 完成的效果图
知识链接:实用工具组中各工具的功能及使用方法介绍


47
该工具组中各工具的功能和使用方法如下:
该工具用于画直线,使用方法和导线一样。
该工具用于画多边形,单击选中该工具后,将鼠标移动到图纸上,在合适的位置单击左键确定多边形的起始点,然后继续移动鼠标到合适的位置,单击左键可以确定多边形的一个

拐点,依次类推,每次单击都可以确定多边形的一个拐点。最后将鼠标移动到起始点,单击左键确定,然后可以单击右键退出绘图状态。可以绘制规则或不规则的多边形。
该工具用来绘制椭圆弧,如图1.2.71所示。
起点
圆心 终点
图1.2.71 圆弧五要素
绘制一个椭圆弧有5要素,即圆心、长轴半径、短轴径、圆弧起点、圆弧终点。 单击选中该工具后,移动到图纸中合适的位置,单击确定圆心的位置,然后再次移动到合适的位置单击,此时二次单击点距离一次单击点的距离就是椭圆的长轴半径;再次移动鼠标到合适的位置单击,三次单击点距离一次单击点的距离就是椭圆的短轴半径;四次单击确定椭圆弧的起点,五次单击确定椭圆弧的终点位置。
该工具用来绘制贝塞尔曲线。
单击选中该工具后,先在合适的位置单击确定曲线的起点,然后第2次单击确定曲线的第2点,第3次单击确定曲线的第3点,第4次单击确定曲线的第4点,……,最后一次单击后,单击右键退出绘制导线状态。系统将各个单击点连接起来就构成了一个曲线。如图1.2.72所示。
48
第2 3点
5点 第8点
第7点
起点 第4点
第6点
图1.2.72 贝塞尔曲线
该工具用来放置作为注释使用的文本字符串,该字符串没有电气属性。
单击该工具后,移动到图纸中合适的位置,单击即可确定字符串的位置。如果需要改变注释的内容,可以双击该对象。弹出一个对话框,在该对话框的“注释”属性框中,“文本”后的文本框中可以输入注释的内容。单击“字体”后的按钮,在弹出的“字体”对话框中,可以改变注释的字体和颜色。
另外,在“注释”对话框中可以改变注释的颜色和位置,以及注释的放置方向和对齐方式,是否镜像。
该工具是用来放置大段注释的文本框。如图1.2.73所示。
该注释是一个矩形框,单击该工具按钮后,将鼠标移动到图纸中合适的位置单击,可以确定矩形框的左上角点,然后移动到另一个点单击,可以确
定矩形框的右下角点。绘制完毕
按右键退出。双击矩形框,将弹出
一对话框,可以在该对话框中改变
注释的内容、字体格式、位置、是
否显示边界、是否有填充色等。
图1.2.73 文本注释框
该工具用来放置矩形。单击选中该工具后,先单击确定矩形一个角点, 移动鼠标到合适的位置再次单击,确定矩形的另一个角点。放置完毕后,单击 右键退出。双击矩形,可以在打开的对话框中修改矩形的边框颜色、宽度、填 充颜色以及矩形的位置等。
该工具用来放置圆角矩形,使用方法同上。
49
该工具用来绘制椭圆。
单击该工具按钮后,移动到图纸中合适的位置单击确定椭圆的圆心,然后移动到合适的位置单击,2次单击点距离第1次单击点的距离为椭圆的长轴半径,第3次单击点距离第1次单击点的距离为椭圆的短轴半径。绘制完毕,单击右键退出。
本文来自电脑杂谈,转载请注明本文网址:
http://www.pc-fly.com/a/shumachanpin/article-33295-14.html
我们怕什么