条总线分支汇合成一根总线。
总线分支
图1.2.48 导线、总线和总线分支的关系
(1)总线的绘制
总线的使用方法和导线类似。
单击工具栏上的工具按钮 ,进入放置总线状态,将光标移动到图纸上需要绘制总线的起始位置,单击鼠标左键确定总线的起始点,将鼠标移动到另一个位置,单击鼠标左键,确定总线的下一点。dxp 2004 sp4当总线画完后,单击鼠标右键或者按下ESC键即可退出放置总线状态。
绘制总线也可以通过菜单“放置”/“总线”进行。
在画线状态时,按Tab键,即会弹出“总线属性”对话框,在该对话框中可以修改总线的宽度和颜色。
(2)总线分支的绘制
总线分支是45度或135度倾斜的短线段,长度是固定的。
在绘制过程中可以按牛宝宝日记本空格键在45度和135度之间进行切换。
单击工具栏上的按钮,进入放置总线分支的状态,将鼠标移动到总线和导线之间,单击鼠标左键就可以放置了。
绘制总线分支也可以通过菜单“放置”/“总线分支”来执行。
在画线状态,按Tab键,即会弹出“总线分支”对话框,可以在该对话框中设置总线分支的颜色、位置和宽度。
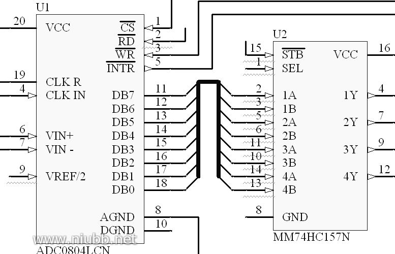
按照以上绘制方法完成图1.2.47中元件U1和U2之间总线和总线分支的绘制。完成后效果如图1.2.49所示。
37
总线 总线分支

图1.2.49 完成总线和总线分支后的效果
步骤5:网络标号的使用
如果一个电路图很复杂,器件之间的连线非常多,则电路会显得凌乱,在这种情况下,可以通过网络标号来简化电路图,在两个或多个互相连接的出入口处放置相同名字的网络标号即可表示这些地方是连接在一起的。如图
1.2.50所示。
D1的端口2的网络标号为IO
R1的左侧端口网络也为IO
虽然两个端口并没有导线相连
接,但是因为网络标号相同,
所以两个端口实际上相连接的。
图1.2.50网络标号的作用 放置网络标号可以通过配线工具栏上的按钮进行,单击该按钮后,将进入放置网络标号状态,光标处将出现一个虚框,将虚框移动到需要放置网络标号的位置,单击左键可以放下网络标号,将光标移到其他位置可以继续放置,单击右键或者按ESC键可以退出放置状态。

38
在网络标号的放置过程中,如果按下Tab键,将弹出网络标号属性对话框,可以在其中改变网络标号的内容和字体格式。设置网络标号内容后,如果最后是数字,则在继续放置的过程中将自动递增,比如开始设置网络标号 为“A0”,在第2个网络标号自动为“A1”,第3个自动为“A2”??。
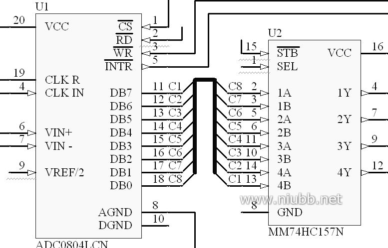
参照图1.2.40可知,本例有C1、C2、C3、??C8等网络标号。按照上述步骤在图中添加网络标号,完毕如图1.2.51。
图1.2.51 放置完网络标号的效果图
步骤6:放置接地符号和电源符号
配线工具栏中的工具 是用来绘制接地符号的, 工具 是用来绘制电源符号的。
单击工具栏上的电源或接地工具按钮后,光标将变成十字形,将光标移动到图纸中合适的位置单击鼠标左键即可放下电源或接地符号。
放下后,双击电源或接地符号即可打开电源或接地符号的属性对话框,在对话框中进行属性的设置。
也可以在放置电源或接地符号的过程中,按下Tab键,也可以打开对象的属性对话框。属性对话框如图1.2.5——网络日记——2。
在对话框中的左侧“颜色”按钮处单击,在弹出的对话框中选择合适的颜色,设置电源或接地符号的颜色。
在对话框的下侧“属性”处文本框内可以输入电源或接地符号的网络名称。
在对话框的右上侧“风格”后单击,可以在弹出的列表项所提供的7个选项中选择一个。7种风格所对应的样式如下:

39
Power Ground Circle Arrow BarWave Signal Ground
本文来自电脑杂谈,转载请注明本文网址:
http://www.pc-fly.com/a/shumachanpin/article-33295-11.html
就导弹放放吧
收复台湾用得着出兵
包装都啥时候的了
提高产品质量