——Protel DX P 2004的应用 本篇内容:
1.1带你认识Protel DXP 2004
1.2单项训练——原理图的设计
1.3综合项目——键盘电路的设计
1.4单项训练——印制电路板(PCB)的制作
1.5综合项目——USB控制数码管显示电路的制作 1
1.1 带你认识Protel DXP 2004
下面通过具体的原理图和印制电路板实例来介绍Protel DXP 2004的功能。
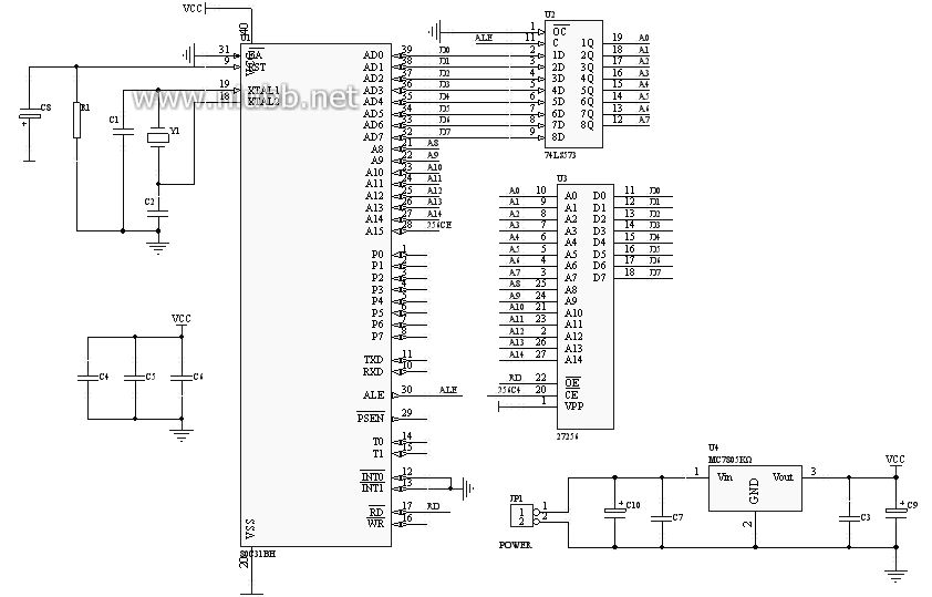
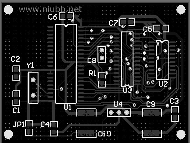
图1. 1.1是单片机的小系统部分电路原理图,图1.1.2是该电路原理图所对应的印制电路板。要求通过对原理图和印制电路板的认识来了解Protel DXP 2004的功能,并了解Protel DXP 2004中原理图、电路板、元件、封装等基本概念。
图1.1.1 单片机小系统部分电路原理图

2
图1.1.2 单片机小系统部分电路板
一、原理图概述
原理图用于表示电路的工作原理,通常由以下几个部分构成:
1) 元件的图形符号及元件的相关标注(元件的标号、元件的型号、
元件的参数),见图1.1.3;
电容的图形符号 电容的编号C6
电容的参数1uF
图1.1.3 示例
2)连接关系。原理图中的连接关系通常用导线、网络标号、总线等表示。 如图1.1.4所示。图中有的元件之间是用导线相连的。如电容C1、C2、C3之间。有的元件之间是用网络标号相连接的,具有相同名称的网络标号表示是相连————的,如元件U3的引脚2的网络标号是PC0,而元件U4的引脚3的网络标号也是PC0,则表示这两个脚是相连的;当连接的导线数量很多时,可以用总线来表示连接,总线就是多根导线的汇合,如元件U3的引脚2、5


、 3
6、9、12、15、16、19和元件U4的3、4、7、8、13、14、17、18对应相连接,则可以用总线来表示。
总线 导线
网络
标号

图1.1.4 示例
3)用于说明电路工作原理的文字标注和图形符号(文字、信号波形示意等)。文字标注和图形符号只是为了看图者更加方便理解,本身不具有电气效果。系统在对原理图进行电气规则检查时,会检查具有电气效应的元件、导线、总线、网络标号等,而不会检查不具有电气效应的文字标注和波形示意等。
知识链接:元件的图形符号

图1.1.5 普通电阻 图1.1.6 可变电阻 图1.1.7 普通二极管 图1.1.8 发光二极管 4
元件符号就是用来表示元器件引脚电气分布关系的一个图形标志。它是和现实中的元件相对应的。图1.1.5是普通电阻的符号,图1.1.6是可变电阻的符号,图1.1.7是普通二极管的符号,图1.1.8是发光二极管的符号,图
1.1.9是集成块74LS373的符号,图1.1.10是数码管的符号。
同一个器件所对应的图形符号可以有不同种,但是必须保证图形符号所包含的元件引脚信息是正确的,如引脚的数量必须相等,引脚的一些电气属性必须相同,而引脚的位置排列则可以不同。如图1.1.11是元件74LS373
图1.1.9图1.1.10
的另 一种图形符号形式,和图1.1.9比较,引脚数量一样(图1.1.9中,有两个引脚10和20隐藏起来了),但是引脚排列
不一样。
Protel DXP 2004提供了很多元件库,每个
元件库中都包含了成百上千的图形符号,用户在
进行原理图设计时,可以从Protel DXP 2004
所提供的元件库中查找使用所需要的图形符号。
如果库中不存在用户所需要的图形符号,用户也
可以自己设计图形符号。
为了用户使用的方便,本书将Protel DXP
2004常用的图形符号附录在本书的附录1。
二、电路板概述
本文来自电脑杂谈,转载请注明本文网址:
http://www.pc-fly.com/a/shumachanpin/article-33295-1.html
但如果战争爆发我会第一时间到战地医院去
自由航行是指商船而不是军舰