步骤2:放置元件、设置属性
本例中所需要的器件有4针接头Header 4、电阻Res1、电容Cap、A/D芯片ADC0804LCN、连接器D Connector 25。
这些器件主要包含在如下元件库中:Miscellaneous Devices.IntLib和Miscellaneous Connectors.IntLib,NSC Converter Analog to Digital.IntLib、NSC Logic Multiplexer.IntLib中。按照单项训练2所述方法将这些库加载到系统中来。加载后的元件库面板如图1.2.42所示。
(在系统默认的情况下,Miscellaneous D evices.IntLib和Miscellaneous Connectors.IntLib已经加载进来,所有的元件库都存放在安装目录下的Library文件夹中)。
图1.2.42 加载元件库后的元件库面板
如果已经将元件所在的库加载进来,此时查找放置元件可以通过“配线”工具栏上的“放置元件”按钮执行。
单击该按钮后,将弹出如图1.2.43所示的对话框。
图1.2.43 放置元件对话框
在“放置元件”对话框的“库参考”后输入所要放置的元件的名称 Header 4,在“标志符”后输入元件的序号JP1


,在“注释”后输入元件所 34
显示的注释“Header 4”,在“封装”后选择该元件所对应的封装。
一般情况下,当用户在“库参考”后输入元件的名称后,系统会提供和
该元件相对应的编号、注释和封装。用户也可以根据需要做适当修改。
单击“确定”按钮后,系统就会从加载进来的库中查
找到元件Header 4,如图1.2.44所示。
在图纸上合适的位置单击,即可将元件放置。
继续单击可以连续放置,同时会发现元件的序号递增。
如第1次设置的元件序号为JP1,第2次放置元件编号为
JP2,??。
“放置元件”按钮的功能等同于菜单“放置”“元件?”/。
图1.2.44
在放置元件的过程中,可以根据需要按X键实现左右翻转,按Y键实
现上下翻转。
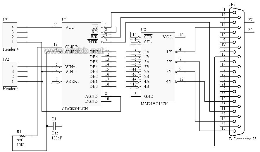
按照以上方法查找放置好所有器件,调整布局并设置属性,如图1.2.45
所示。
图1.2.45 布局完成的电路图
步骤4:绘制导线
导线的作用就是在原理图中各器件之间建立连接关系。
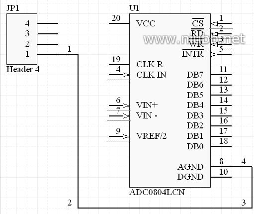
例如在图1.2.46中,如果需要将JP1【的引脚1和U1的引脚8连接起来,
则可以按照以下步骤操作:
(5) 单击导线按钮


35
(6) 将鼠标移动到图纸中JP1的1引脚处单击左键确定起点
(7) 移动鼠标到位置1处,单击确定拐点,然后移动鼠标到2点单
击再次确定拐点,在4处单击确定拐点,在引脚8处单击确定终点。
(8) 单击右键或按ESC键退出绘制导线状态
图1.2.46 导线连接示意
在绘制导线的过程中,如果按下Tab键,则将弹出“导线属性”对话框,用户可以在对话框中设置导线的颜色和宽度。
放置导线命令也可通过菜单“放置”/“导线”进行。
知识链接:电气捕捉
绘制导线过程中,当导线移动到某个引脚端点或者导线端点时,将出现红色的“×”,这是前面所提到的电气栅格的作用,能够在规定的距离内自动捕捉到端点而进行连接。
参照如上方法,绘制图中所有导线,完毕如图1.2.47所示。
图1.2.47 导线连接后的原理图


36
步骤4:绘制总线和总线分支
总线是一组功能相同的导线的集
合,用一条粗线来表示几条并行的导
线,从而能够简化电路原理图。
导线与总线的连接是通过总线分总支来实现的。 线 总线、总线分支和导线的关系如
图1.2.48所示。导线A0~A12通过12
本文来自电脑杂谈,转载请注明本文网址:
http://www.pc-fly.com/a/shumachanpin/article-33295-10.html
福喜都不知道把肉送去检测太单纯了