
“南京邮电大学” 2015
杨梦花
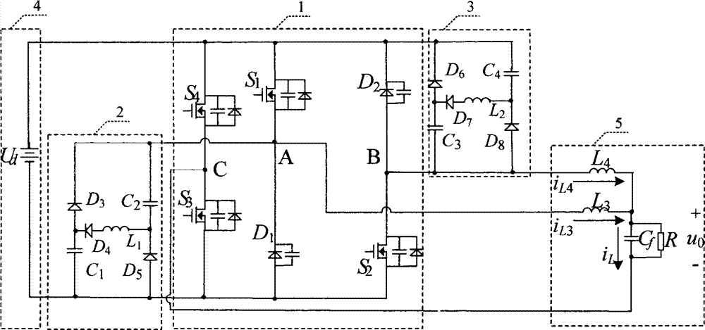
【摘要】: 随着电力电子技术的成熟,逆变器在人类生活各个方面的应用越来越多. 本文研究的逆变器拓扑是单相全桥二极管钳位的三重扁平逆变器,属于多电平逆变器类别. 本文简要介绍了多电平逆变器的发展现状和方向,列出了三种常见的多电平逆变器的拓扑结构和工作原理,并着重分析了本文研究的单相全桥三电平逆变器. 这张纸. 液位逆变器的工作原理和9种工作模式详细介绍了更适合这种拓扑的同相和反相三角载波叠加PWM控制策略的工作原理和仿真结果分析. 为了提高整个逆变器系统的鲁棒性和外部输出特性单相全桥逆变器,本文对瞬时输出电压外环和瞬时电感器电流内环采用双闭环控制,以确保系统可以跟踪输出电压的变化实时最小化输出电压和给定的正弦电压. 鉴于DSP强大的计算能力和满足实时控制要求的能力,本文还提出了一种基于DSP的改进的数字同相三角载波叠加PWM控制策略,然后通过DSP实现数字脉宽信号. DSP由主电路中的光耦合器控制. 开关管的通断实现了从DSP的数字信号到模拟信号的转换过程,并获得了满足主电路开关管的PWM脉宽信号. 本文使用具有相当大计算能力的MATLAB仿真软件对同相三角载波SPWM控制方法进行双环逆变器系统的理论建模和仿真,并在空载,阻性满载,阻性输出下模拟系统负载波形在半负载单相全桥逆变器,感性负载和容性负载变化的条件下. 分析了仿真结果中输出电压的稳定性和谐波含量. 本文还设计了该逆变器系统的实验原型,并对仿真结果进行了验证. 从理论上讲,本文对所研究的单相全桥三电平逆变器系统的可行性和输出电压稳定性进行了讨论.
[学位授予单位]: 南京邮电大学
[学位]: 硕士
[学位奖]: 2015
[分类号]: TM464
下载更多类似文档的全文
CAJ全文下载
(如何获取全文?欢迎使用: 购买HowNet充值卡,充值,咨询)

CAJViewer阅读器支持CAJ,PDF文件格式

[相似文献]
中文期刊全文
Norbert Pluschke;托马斯·格拉斯霍夫;;一种更高效的三电平逆变器[J];电力世界; 2010-07期
范浩飞;;三电平逆变器空间矢量脉宽调制算法的研究与仿真[J];中国电机工程学报科技企业家; 2012-18
郭虎城;;三电平逆变器控制技术的研究现状[J];中国电机工程学报机械制造及其自动化; 2013-01-01
顾小可;杨景昌张子瑜唐云波一种新型的三相三电平逆变器[J];中国电机工程学报电力电子技术2013-05期
易荣,吴浩烈;三电平逆变器异步电动机的空间矢量控制技术及仿真研究[J];中国电机工程学报贵州工业大学学报(自然科学版); 2003年第02版
王辉,聂为民;三电平逆变器的开发与应用[J];中国电机工程学报大众电力; 2004 02问题

康劲松,陶胜贵;三电平逆变器系统的直接转矩复合控制[J];中国电机工程学报同济大学学报(自然科学版); 2005-03)
罗杰;桂武明;刘子健;;三电平逆变器的空间矢量脉宽调制方法[J];中国电机工程学报电力驱动自动化; 2006-04
王伟;罗隆福;;地铁车辆三电平逆变器主传动系统的仿真[J];中国电机工程学报科学技术与工程; 2007-06>
李珊;刘书喜;王明宇何小荣三电平逆变器控制方法的性能比较[J];中国电机工程学报重庆工学院学报(自然科学版); 2008-11:
中国重要会议论文全文
李明;朱元韩英超;;基于细分的三电平逆变器直接转矩控制系统研究[A];第十七届全国煤矿自动化学术年会,中国煤炭学会自动化委员会学术会议论文集[C]; 2007
李爽;刘浩三相三电平逆变器控制系统研究[A]; 2007年河北电子学会,河北计算机学会,河北自动化学会,河北人工智能学会,河北省计算机辅助设计研究会论文集,河北省软件行业协会联合学术年会[C]; 2007
王飞;王勇傅敏凡新能源并网三电平逆变器中低功率间隔的效率优化[A];中国高校第七届电力电子与电力传输学术年会论文集[C]; 2013
周华中;刘慧康胡志群双三电平逆变器及其仿真[A];冶金企业的自动化,信息化与创新-全国冶金自动化信息网成立三十周年[C]; 2007年
Pingyangle;陈阿莲杜春水张承辉;;基于三相逆变器的并联式三相四线式有源电力滤波器综述[A];中国电机工程学会2011年年会论文集[C]; 2011

董伟;孙晓峰串联谐振全桥三电平逆变器的波形最优控制和控制逻辑综合[A];中国电机工程学报[中国电工学院电力电子学院2006第十届年会论文摘要] 2006
王然;马良林飞郑琼琳;;基于零序电压注入的三电平逆变器窄脉冲补偿方法研究[A];中国电机工程学会电力电子学会第十一届学术年会论文摘要[C]; 2008年2008
朱龙基;张莉基于非正交坐标系的三电平逆变器控制策略研究[A];中国电机工程学会2008年电力电子学会第十一届学术年会论文摘要[C]; 2008
姚哲之;易灵芝李丽娟彭汉美伏Xi ;;基于改进SVPWM算法的三电平逆变器仿真研究[A];二十届电气工程理论年会论文集[C]; 2008
王宏利;陈阿莲张承辉;;交流光伏模块系统的拓扑建模与仿真[A];中国电机工程学会2011年年会论文集[C]; 2011
中国博论文全文
宋文祥;三电平变频异步电动机直接转矩控制研究[D];中国电机工程学报上海大学2006
金顺;交流电动机二极管钳位三电平逆变器PWM控制策略研究[D];西安工业大学2007
张智;多电平转换器的脉宽调制及其非线性控制方法研究[D];华南理工大学2010
中文硕论文全文

小刚;三电平逆变器故障诊断研究[D];西安工业大学2007
崔杰;低压船用岸电电源的研制[D];燕山大学2015
张恩贝;三电平逆变器无传感器永磁同步电动机直接转矩控制研究[D];燕山大学2015
高才云;三电平逆变器并联离网平滑开关的研究[D];燕山大学2015
王伟杰;全调制范围三电平逆变器SVPWM算法的研究与实现[D];西南交通大学2015
曹文彦;三相单侧三电平逆变器的研究与设计[D];郑州大学2015
高茹;永磁同步电动机驱动系统的三级直接转矩控制算法[D];西南交通大学2015
李文鹏;新型四输入非对称三电平逆变器的研究与设计[D];郑州大学2015
季平平; EMU NPC三电平逆变器多模式故障诊断技术研究[D];中国电机工程学报上海应用技术学院; 2015
周选轩;基于单电源双三电平逆变器的开卷式异步电动机直接转矩控制研究[D];中国矿业大学2015
本文来自电脑杂谈,转载请注明本文网址:
http://www.pc-fly.com/a/tongxinshuyu/article-172217-1.html
应该大力提升女性的经济地位
世勋太可爱了
小船撞击