
低噪声,稳定的电源技术,适用于有源天线系统
历史悠久的AM / FM广播仍在信息娱乐控制面板上,但与数字音频广播(DAB),数字和高清电视(HDTV),卫星广播,集成蜂窝电话,CD / DVD / MP3播放器,全球定位系统(GPS)导航和视频游戏系统结合在一起. 汽车信息娱乐系统时代的到来(见图1)标志着汽车使用简单的汽车收音机的时代已经结束(如图2的梅赛德斯汽车仪表板所示).

图1新型汽车仪表板
是有源天线系统,用于支持汽车仪表板后面的此信息资源. 随着汽车信息娱乐中心的复杂性增加,将音乐和数据馈送到信息娱乐中心所需的有源天线数量也在增加. 平均而言,一辆汽车具有3至5个有源天线系统. 它们有时与AM,FM,DAB,HDTV,卫星广播,交通警告,蜂窝电话,WiMAX和GPS设备结合使用,以提高接收质量,每个频带使用多个天线. 这些有源天线系统中的敏感电路需要具有针对恶劣汽车环境的保护和隔离功能,以及一种向主机系统提供天线状态和诊断反馈的方法.


图2老式汽车仪表板
过去,为了满足保护要求和汽车天线系统所需的诊断功能的严格要求,设计人员不得不对电流检测放大器,运算放大器,分立元件和其他IC进行复杂的布局. 现在,单芯片IC解决方案的出现解决了这个问题. LT3050将作为示例进行具体说明.
在满负载下,LT3050可提供高达100mA的连续输出电流和典型的340mV压降. 该IC具有2至45V的宽输入电压范围,并提供低至0.6V的可调输出电压. 单个电容器既提供超低噪声操作(在10Hz至100kHz的大带宽中输出噪声仅为30μVRMS),又具有基准软启动功能,从而消除了导通期间的大浪涌电流和输出电压过冲. LT3050的输出电压容差具有高精度,在整个电压,负载和温度范围内达到±2%. 低的静态工作电流(50μA)使它能够连续处于空闲状态,而电池的功耗却很小,并且停机模式下的电流消耗降至了μA的水平. 该IC采用12引线2mm x 3mm DFN封装和12引线耐热增强型MSOP封装,从而提供了紧凑的封装.
具有保护和诊断功能的单片IC天线电源是许多有源天线电压电源的起点. 12V汽车电池远没有这些系统所需的低噪声,稳定的电源. 除噪声为–36至+ 80V,甚至有尖峰). LT3050在恶劣的电气环境中保护自己和天线,同时提供稳定的低噪声输出电压. 当天线电源内部发生短路时,LT3050还可以使用一个准确的可编程电流限制来保护有源天线电源电路. 汽车环境中的散热情况也具有挑战性,因此需要依靠可靠的过热保护功能来保持电源在-40〜+125℃的温度范围内稳定.
除了这些严格的保护要求外,LT3050还简化了报告天线状态所需的诊断信息的收集. 可编程开路检测功能电路负责监视天线电源电流,以防止其降至最小工作条件值以下;可编程短路检测功能电路用于监视天线电源电流,以避免超过规定的最大值并通过限制电流以保护天线及其电源. 此外,模拟电流监视器将生成与天线电源电流成比例的信号. 这很方便用作诊断输入或向系统发送指示信号,以告知安装的天线类型.
准确,稳定和低噪声电源中的保护功能LT3050可以为有源天线系统提供稳定的低噪声电源,该有源天线系统可以隔离并保护天线系统免受高噪声,可变12V汽车电源的影响不利影响. 该IC可以承受±50V的输入电压和反向电池电压(可能由12V电源产生),并且输出反相至±50V(见图3).


图3 LT3050对负载突降的瞬态响应(交流耦合)
LT3050可以有效地将天线电源与12V电源线上的噪声或中间的降压型稳压器隔离开(参见图4). 单个电容器提供参考软启动和噪声旁路功能,从而实现了可编程的启动时间和超低噪声操作.

图4 LT3050纹波抑制
通过允许用户将电流限制设置为最大负载的110%,而又不影响正常运行期间的负载调节性能,精确的可编程电流限制提供了额外的保护. 此外,结合备用电流限制,电流限制折返和强大的具有滞回功能的热关断功能,当50V输入电源出现输出短路时,IC不会受到损坏. 输出可以上拉至超过输入的50V,并且流入输入的电流非常小,不会损坏IC.

诊断功能
LT3050可以向汽车的控制系统提供诊断信息. 如果检测到开路或短路情况,或IC进入热关断模式,则能够吸收100μA电流的集电极开路故障指示器将确定其电平. LT3050还具有一个集成的电流,该电流通过IMON引脚提供大约1/100的输出电流,用于天线系统的监控和保护(参见图5). 只需在IMON和GND之间连接一个电阻,即可生成与输出电流成比例的接地参考电压.

图5 LT3050框图
IMAX引脚上提供了可编程的短路检测和电流限制,一旦设置了该限制,其在整个电压和温度范围内的波动将小于5%. IMAX引脚是经过特殊设计的电流镜器件的集电极,该器件可以提供大约输出电流的1/200的电流. 该引脚还是精密限流放大器的输入. 在IMAX和GND之间连接一个电阻(RI(MAX)),以设置短路检测和可编程电流限制阈值. 限流放大器电路执行两个功能. 第一个功能是: 如果IMAX引脚电压达到600mV,它将确定集电极开路/ FAULT引脚的逻辑电平. 第二个功能是: 它将调整输出驱动电流,以使IMAX引脚电压不超过600mV,从而将输出电流限制为0.6V·200 / RI(MAX).
IMIN引脚上提供了可编程的开路检测阈值. IMIN引脚是专门设计的电流镜器件的集电极,可以提供大约输出电流的1/200的电流. 相对于600mV的内部基准电压,该引脚也是开路检测比较器的输入端子. 在IMIN和GND之间连接一个电阻以设置开路检测阈值. 如果IMIN引脚上的电压降至600mV以下,则比较器将转换并确定/ FAULT引脚的电平. 比较器使用少量滞后来防止/ FAULT引脚干扰.

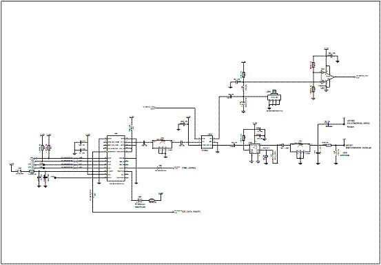
图6显示了典型的LT3050应用电路配置,用作有源天线电源. 为了直观起见,可以任意选择电流限制,断路故障阈值和输出电压. 在此示例中,通过11.3kΩIMIN电阻将开路检测阈值设置为10mA.
1.15kΩ的IMAX电阻可将短路故障阈值和电流限制设置为100mA(需要10nF IMAX电容器来实现限流放大器的稳定性). 当输出电流等于100mA时,3kΩIMON电阻将提供3V满量程信号. 10nF REF / BYP电容器可实现5.5ms的软启动时间和低噪声操作.

图6 LT3050有源天线电源电路
结论
随着汽车信息娱乐组件变得越来越复杂,有源天线系统的数量也在增加. 这些有源天线系统中的敏感电路需要在恶劣的汽车环境中具有保护和隔离功能,并需要诊断反馈来报告天线状态.
LT3050有源天线电源和诊断线性稳压器具有可编程电流限制,软启动,开路检测,输出电流和集电极开路故障信号等功能,解决了有源天线设计难题. LT3050还具有较宽的输入电压范围,较低的静态电流,在较宽的带宽内较低的输出噪声gps有源天线电路,较高的输出电压精度,较低的压差以及承受输入和输出电压反转的能力.
本文来自电脑杂谈,转载请注明本文网址:
http://www.pc-fly.com/a/shumachanpin/article-257679-1.html
很棒