
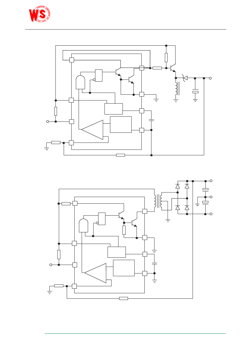
MC34063包含DC/DC变换器所需的主要功能的单片控制电路,多用于升压变换器、降压变换器、反向器的控制核心部分。
1脚:开关管T1集电极引出端;
2脚:开关管T1发射极引出端;

3脚:定时电容ct接线端;调节ct可使工作频率在100—100kHz范围内变化;
4脚:电源地;
5脚:电压比较器反相输入端,同时也是输出电压取样端;使用时应外接两个精度不低于1%的精密电阻;

6脚:电源端;
7脚:负载峰值电流(Ipk)取样端;6,7脚之间电压超过300mV时,芯片将启动内部过流保护功能;
8脚:驱动管T2集电极引出端。mc34063
本文来自电脑杂谈,转载请注明本文网址:
http://www.pc-fly.com/a/dianqi/article-38085-1.html
越南悲情不已
我一礼拜喝三次左右