
1
在高频开关电源中,功率调整开关管工作在插头状态,在其开关过程中形成的交流功率跟电压会通过电路中的其它元器件产生尖峰干扰跟谐振干扰,如果不采用一定的举措对这种干扰进行诱导、消除跟屏蔽,就会严重地妨碍整机的正常工作8 ghz ldmos晶体管 0-1300 mhz(hf/vhf/ism)高压ldmos 10-500 mhz(hf/vhf/ism)vdmos 2400-2500mhz ism波段 uhf广播功率晶体管(470-860 mhz ) 航空与防务(ldmos) 航空电子ldmos晶体管 l-波段ldmos晶体管 s-波段ldmos晶体管 航空电子双极性晶体管 gan devices rf发射器 调谐器汽车收音机调谐器 – 模拟高频 汽车收音机调谐器 – 数字高频 fsk/ask 收音机ic无线微控制器 角度传感器 电容式传感器i2c温度/电压 转速传感器 温度继电器 led照明应用 军事及民航应用 网络及联通应用 医疗应用 消费应用 电路保护应用 工业应用 便携和无线应用 计算机及外设应用 汽车应用 电源应用 定制 asic 数字asic 混合信号asic 定制ulp存储器 定制cmos图像传感器 分立 双极晶体管 音频晶体管 数字晶体管(brt) 达林顿晶体管 通用晶体管 低vce(sat) 晶体管 二极管和整流器 esd保护继电器及阵列 pin二极管 整流器 肖特基二极管及整流器 小信号插头二极管 瞬态电压抑制器 (tvs) 调谐二极管 齐纳二极管 igbt 和 fet 绝缘门双极晶体管 (igbt) jfets mosfets 保护 mosfets 晶闸管 可编程单结晶体管 (put) sidac 可控硅整流管 (scr) 晶闸管浪涌保护元件 (tspd) 三端双向可控硅开关器件 (triac) 电源管理 交流-直流(ac-dc)控制器和稳压器 离线控制器 离线稳压器 功率因数控制器 次级端控制器 直流-直流(dc-dc)控制器、转换器和稳压器 电池充电控制器 电荷泵 控制器 转换器 线性稳压器 驱动器 lcd drivers 显示/led驱动器负载/继电器驱动器 mosfet / igbt驱动器 电机驱动器 热管理 风扇控制器 温度继电器 电压和功率管理 电流保护 电压保护 电压参考 电压检测器 逻辑 时钟产生 晶体振荡器(xo & vcxo) 相位/频率检测器 pll时钟产生器 扩频电磁干扰(emi)降低时钟 压控振荡器(vco) 零延迟缓冲器 时钟及数据分配 运算功能 驱动器和扇出缓冲器 触发器、锁存器及解释器 逻辑门 多工器及端点开关 串并转换器 skew管理 转换器 存储器 eeprom存储器 闪存存储器 sram存储器 微控制器 通用微控制器 特殊微控制器 标准逻辑 运算功用 缓冲器 正反器 锁存器和波特率 逻辑门 多路转换器 多频振荡器 转换器 信号管理 放大器和比较器 音频放大器 压缩扩展器 比较器 运算放大器 视频放大器 模拟开关 音频开关 数据开关 信号开关 视频开关音频/视频的assp 音频专用标准产品(assp) 音频dsp系统 听觉dsp系统 显示控制器 单片微波集成电路(mmic) 调制器/解调器ic 数字电位计 数字可编程电位计 emi/rfi滤波器 音频滤波器 数据滤波器 接口 数据发射器及 扩展器 传感器接口 智能卡和sim卡接口 光电、图像及触摸传感器 环境光传感器 cmos图像传感器 接触式图像传感器模块 触摸传感器 放大器和线性元件 音频 宽带 rf/if 和数字音频广播 时钟和计时器 数据转换器 dlp 和微机电系统 (mems) 高可靠性产品 电源管理 处理器 数字信号处理器 (dsp) 微控制器 (mcu) 应用处理器 模拟开关和多路复用器 温度继电器与控制 ic 无线连接 运算放大器 (op amp) 高速放大器(大于等于 50mhz)电压反馈 电流反馈 jfet/cmos 轨至轨 dsl/电力线 精密放大器 低功耗 低输入基极电压/fet 输入 低纹波 宽带 低偏移电压 高功率 高输出电压 轨至轨 标准线性放大器 全差动放大器 音频运算放大器 比较器 仪表放大器 单电源 双电源 差动放大器 电流并联监视器 隔离放大器 传感器、传感器调节、4-20ma 4-20ma 调节 有源滤波器 传感器调节 温度继电器 特殊功能放大器 跨导放大器 对数放大器 多路复用器 乘法器 触觉驱动器 压电式触觉驱动器 电机触觉驱动器 pwm 功率驱动器 压频转换器 扬声器放大器和调制器 放大器 中等容量/高功率放大器 pwm 处理器 线路驱动器/ 2v/3vrms 线路驱动器 音频线路驱动器 音频线路 耳机放大器 麦克风前置放大器 电机驱动器 集成电机驱动器 步进驱动器 刷式直流驱动器 三相无刷驱动器 前置驱动器 三相无刷前置驱动器 视频功能 集成滤波器 pga/vga 可编程增益放大器 可编程差分放大器 可变增益放大器 lcd 伽马缓冲器 电压基准 并联电压基准 串联电阻基准 电流基准 ac/dc 和 dc/dc 电源 mosfet 驱动器 pwm 控制器 功率因数校正 电源支持 反馈讯号发生器 负载均分 pmos 开关 开关稳压器 dc/dc 转换器(集成开关)降压稳压器 升压稳压器 升压 - 降压稳压器 反向稳压器 隔离式稳压器 dc/dc 控制器(外部开关)降压-升压反向交换控制器 mppt 交换控制器 多路输出交换控制器 步降控制器 升压控制器 无电感器 dc/dc 稳压器(充电泵)降压充电泵稳压器 升压充电泵稳压器 升压/降压充电泵稳压器 反向充电泵稳压器集成升压转换器 功率 mosfet n-通道 mosfet 晶体管 p 通道 mosfet 晶体管 功率 mosfet 模块 线性稳压器 单通道 ldo 双通道 ldo ldo 控制器 标准电阻稳压器 标准线性稳压器 按钮控制器 、复位 ic 和序列发生器 序列发生器 电压基准 并联电压基准 串联电阻基准 电流基准 应用特定多路输出解决方案 应用处理器的集成电池管理 pmic solutions for pa and rf systems 电源管理特殊功能 集成构建块 运动/电机控制 nvsram(非易失性 sram)肖特基二极管阵列 智能功耗开关 电信铃声 实时时钟 热插拔和电压分配 热插拔功率管理 热插拔控制器(外部 fet)热插拔插头(集成 fet)oring 控制器 pci 电源管理 电信电源管理器 pcmcia 和 usb pcmcia/cardbus 开关矩阵 usb 电源控制器 usb 电源开关 功率多路复用器和限流开关 限流开关 电源多路复用器 (mux) 无限流负载开关 以太网供电 (poe)/lan 解决方案 供电设施 有源器件 照明解决方案 白光 led 驱动器 led 驱动器 离散段 led 驱动器 lcd/oled 显示偏差解决方案 ccfl 背光灯转换器 闪光灯电容充电器 hid 灯控制器 电池管理 电池电量监测 电池充电管理 锂离子保护 充电器前端保护 池 数字电源控制驱动器 数字电源脉宽调制控制器 数字电源控制器 数字电池传动组件 插拔电源模块 隔离式 dc/dc 转换器 1w & 2w 微型 18v 至 60v 输入 36v 至 75v 输入 48v 标准引脚砖型 非隔离式 pol t2 turbotrans 模块 3稳定是考量①个电源更重要的指标,稳定性①定要好,所以,除功率满足外,这个是在正常只是了,导致主板及相关软件能够正常工作,这个是需要应满足的电池电力容量不足会导致硬件动力不足,就好比①台中型拖拉机拉个重卡的车厢,拖拉机全力运行,①般烧毁的是拖拉机(电源),但是电源①旦不稳定,电流甚至电压不稳定会导致输出功率快速变化,因为主板及相关软件是必须稳压或稳流能够正常工作的,如果电压跟功率大幅变化造成显卡元器件烧毁,电源功率①定要小于负载额定电压
2
门禁专用插头电源的市场价格一般是30元到80元左右一个,个人建议各位在选购门禁专用插头电源的之后应切记: 1门禁开关电源的设计模式 要考量电源本来参数设计、电气设计、电磁兼容设计、热设计、安全性设计、三防设计等方面。因为任何方面哪怕是最微小的疏忽,都或许引发整个电源的崩溃,所以我们要充分认识到电源产品可靠性设计的重要性。 2供电模式的选用 集中式供电平台各输出之间的误差及其由于传输距离的不同而导致的压差增加了供电品质,而且应用单台电池电力,当电源出现漏油时也许致使系统瘫痪。所以采取分布式供电平台可以满足低可靠性设备的规定。 电源设施主要元器件的筛选 ①电阻在温度上按科技条件进行100%检测,剔除不合格品。 ②普通电容器在温度上按科技条件进行100%检测,剔除不合格品。 ③接插件按技术条件抽样检验各种参数。 ④半导体

3
一位网友评价说:因为习惯了在网上买东西,所以现在想卖一部台式电脑,也直接在网上卖,毕竟比实体店会很划算便宜一些,而且价钱跟配置都很透明,让人最安心一些,这款宁美国度四核i5 4590/gtx750ti台式组装手机主机做工较好,质量非常好,非常偏爱,很满意,看你们的评判都还不错 外形跟品质目测都不错,机器装出来马上,十分方便【邹先华】怎么判断的难题,你比如说同样有lv的包,lv的包处处都有,路边还有品牌店也是,你要到网上去购你就到淘宝去购,你要到行业下购你就到超市去购,你不能只认价格,普通的消费者最不划算的就是只认价格,你只认价格你叫贪心,你贪那么点小便宜最后你损失的是几十万,搞的你心烦意乱,极大的妨碍我们的幸福生活指数,所以在防水这个难题下,家庭装修防水问题上,在防水问题下省钱是最不划算的消费者,在防水这个难题下一定要选贵的,一定要选更贵的他才是最好的,选更贵的才是最对的,因为你在市场下你没有最低价,只有很实惠,你如何去选为此我说上个人观点,好都明白九阳豆浆机,因为它主营这个,料理机的话也存在贴牌,西贝乐的话主营料理机,质量可能就很重视,当然了这东西也不能绝对的说什么好那个坏,你还得准确到什么型号,四合一料理机我曾对比使用过,你主要从那几个方面来看,1.材料,好多促销员说你们的材料是pc的,摔不烂,可以放微波炉,方知pc也是工业材料之分,你可以自己闻闻有气味就是了,大部分的话是选用食品级的pc材料呢(毕竟是吃的东西确定上是不是食品级的),说明书上也会提到,2.就是刀盘了,这个尤为重要,大部分是塑料的,但还是有几款刀盘是钢的(做工也看的下来)电磁炉电源电路图讲解,因为电机每分钟上万转,材料差一点就差很多了,其次是连接轴大部分也是塑料的,但还有一些事硅胶的,这样就非常耐磨,3.最后就是电机,基本它们会说是防水的,确实是,但防水也有很多方法,这个可以使促销员解释,当然自己也可以看的真切,还有就是自己可以开机试上,看噪音怎么样,当然最好不要空转,大部分都可连续工作1-3分钟,我推荐的是西贝乐sq2119b红色最新款
4
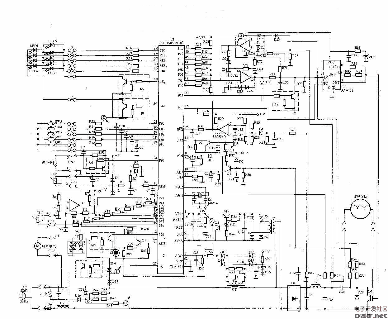
(2)功率管是场效应管的输出电路(象我的机子),对于功率场效应管来说,基本上在d跟s之间都并有一只反向保护二极管,输入电源接反时,就是d跟s的电源极性反过来,那么并在d跟s之间的反向二极管就成了反向导通,电池能够过并在d跟s之间的逆向二极、变压器初级回路(相当于短路了).这里就成了防反接的重点问题了,因为此处的电流很大(约40a且电源输入电流较低,只有12v),如果仅仅用串接小电阻二极管,虽然是可以,但有三个问题,一是二极管的反向压降,二是二极的发热问题,三是二极的体积问题.但我自己觉得比较好的缓解方法有以下三种.方法a、用12v40a汽车灯光继电器来解决极性问题,在传感器导线上串一只二极管,电池线接反时传感器导线上的晶闸管反向不通,当然继电器绕组上没有电流,继电器就不会动作了.但也应考量三个问题,一是正常工作时传感器应白白耗费电池电能,二是电源功率降低时,触点吸合不够紧,三是电流冗余问题,要用40a的电流就要有2个40a的继电器,不然继电器发热严重.方法b、在输入端串接63a的空气开关,电源接反时,空气开关自然会断开.但需要是在输出功率冗余量很大时才行,象我前面的机子就完全可以采取这样方式.通40a的电压时,空气开关上也是0.1v左右的压降.方法c、用电子开关,既然是场效管引来的难题就留给场效管来完成,其实就是用同步整流方法,如果你对同步整流技术熟悉就很简单,如果不熟悉也没关系,下面的一张图,照搬就行了.如果还不信可以这么试一下,按图示接好电路,负载随便找一个12v20w左右的电灯接上,先断掉g极,这时电炮是点燃的,但测sd两点电压必须为0.7v左右,很明显然,这时电流是借助反向二极导通的,0.7v是集电极的反向压降.接下来将g极接上,你会看到电炮会变亮,这时是场管在工作了,再测sd两点的电压,几乎为零,这时的电压必须是场管导通电阻*电流,因为场管的导通电阻一般为几个毫欧,所以此时sd两端的电压是大到几乎测不起来的,虽然二极处于正偏,但鉴于场管已经工作,且导通电压远远超过0.7v,根本就不也许使二极管再工作了..表1 四种逆变电路拓扑结构的比较电路参数 单端式 推免式 半桥式 全桥式 功率开关管集射极间施加电压 截止二极管箝位 稳态为2e,漏感造成的尖峰使 稳态为e,二极管箝位 稳态为e,二极管箝位 输出相同容量时二极管电压 2 2 功率开关管数量 2 2 2 4 输出整流电感数量 1 1 2 1 输出容量 中、小 大 中等 大3.2.2振荡逆变电路的设计振荡逆变电路是由脉冲变压器组成,如图所示8 ghz ldmos晶体管 0-1300 mhz(hf/vhf/ism)高压ldmos 10-500 mhz(hf/vhf/ism)vdmos 2400-2500mhz ism波段 uhf广播功率晶体管(470-860 mhz ) 航空与防务(ldmos) 航空电子ldmos晶体管 l-波段ldmos晶体管 s-波段ldmos晶体管 航空电子双极性晶体管 gan devices rf发射器 调谐器汽车收音机调谐器 – 模拟高频 汽车收音机调谐器 – 数字高频 fsk/ask 收音机ic无线微控制器 角度传感器 电容式传感器i2c温度/电压 转速传感器 温度继电器 led照明应用 军事及民航应用 网络及联通应用 医疗应用 消费应用 电路保护应用 工业应用 便携和无线应用 计算机及外设应用 汽车应用 电源应用 定制 asic 数字asic 混合信号asic 定制ulp存储器 定制cmos图像传感器 分立 双极晶体管 音频晶体管 数字晶体管(brt) 达林顿晶体管 通用晶体管 低vce(sat) 晶体管 二极管和整流器 esd保护继电器及阵列 pin二极管 整流器 肖特基二极管及整流器 小信号插头二极管 瞬态电压抑制器 (tvs) 调谐二极管 齐纳二极管 igbt 和 fet 绝缘门双极晶体管 (igbt) jfets mosfets 保护 mosfets 晶闸管 可编程单结晶体管 (put) sidac 可控硅整流管 (scr) 晶闸管浪涌保护元件 (tspd) 三端双向可控硅开关器件 (triac) 电源管理 交流-直流(ac-dc)控制器和稳压器 离线控制器 离线稳压器 功率因数控制器 次级端控制器 直流-直流(dc-dc)控制器、转换器和稳压器 电池充电控制器 电荷泵 控制器 转换器 线性稳压器 驱动器 lcd drivers 显示/led驱动器负载/继电器驱动器 mosfet / igbt驱动器 电机驱动器 热管理 风扇控制器 温度继电器 电压和功率管理 电流保护 电压保护 电压参考 电压检测器 逻辑 时钟产生 晶体振荡器(xo & vcxo) 相位/频率检测器 pll时钟产生器 扩频电磁干扰(emi)降低时钟 压控振荡器(vco) 零延迟缓冲器 时钟及数据分配 运算功能 驱动器和扇出缓冲器 触发器、锁存器及解释器 逻辑门 多工器及端点开关 串并转换器 skew管理 转换器 存储器 eeprom存储器 闪存存储器 sram存储器 微控制器 通用微控制器 特殊微控制器 标准逻辑 运算功用 缓冲器 正反器 锁存器和波特率 逻辑门 多路转换器 多频振荡器 转换器 信号管理 放大器和比较器 音频放大器 压缩扩展器 比较器 运算放大器 视频放大器 模拟开关 音频开关 数据开关 信号开关 视频开关音频/视频的assp 音频专用标准产品(assp) 音频dsp系统 听觉dsp系统 显示控制器 单片微波集成电路(mmic) 调制器/解调器ic 数字电位计 数字可编程电位计 emi/rfi滤波器 音频滤波器 数据滤波器 接口 数据发射器及 扩展器 传感器接口 智能卡和sim卡接口 光电、图像及触摸传感器 环境光传感器 cmos图像传感器 接触式图像传感器模块 触摸传感器 放大器和线性元件 音频 宽带 rf/if 和数字音频广播 时钟和计时器 数据转换器 dlp 和微机电系统 (mems) 高可靠性产品 电源管理 处理器 数字信号处理器 (dsp) 微控制器 (mcu) 应用处理器 模拟开关和多路复用器 温度继电器与控制 ic 无线连接 运算放大器 (op amp) 高速放大器(大于等于 50mhz)电压反馈 电流反馈 jfet/cmos 轨至轨 dsl/电力线 精密放大器 低功耗 低输入基极电压/fet 输入 低纹波 宽带 低偏移电压 高功率 高输出电压 轨至轨 标准线性放大器 全差动放大器 音频运算放大器 比较器 仪表放大器 单电源 双电源 差动放大器 电流并联监视器 隔离放大器 传感器、传感器调节、4-20ma 4-20ma 调节 有源滤波器 传感器调节 温度继电器 特殊功能放大器 跨导放大器 对数放大器 多路复用器 乘法器 触觉驱动器 压电式触觉驱动器 电机触觉驱动器 pwm 功率驱动器 压频转换器 扬声器放大器和调制器 放大器 中等容量/高功率放大器 pwm 处理器 线路驱动器/ 2v/3vrms 线路驱动器 音频线路驱动器 音频线路 耳机放大器 麦克风前置放大器 电机驱动器 集成电机驱动器 步进驱动器 刷式直流驱动器 三相无刷驱动器 前置驱动器 三相无刷前置驱动器 视频功能 集成滤波器 pga/vga 可编程增益放大器 可编程差分放大器 可变增益放大器 lcd 伽马缓冲器 电压基准 并联电压基准 串联电阻基准 电流基准 ac/dc 和 dc/dc 电源 mosfet 驱动器 pwm 控制器 功率因数校正 电源支持 反馈讯号发生器 负载均分 pmos 开关 开关稳压器 dc/dc 转换器(集成开关)降压稳压器 升压稳压器 升压 - 降压稳压器 反向稳压器 隔离式稳压器 dc/dc 控制器(外部开关)降压-升压反向交换控制器 mppt 交换控制器 多路输出交换控制器 步降控制器 升压控制器 无电感器 dc/dc 稳压器(充电泵)降压充电泵稳压器 升压充电泵稳压器 升压/降压充电泵稳压器 反向充电泵稳压器集成升压转换器 功率 mosfet n-通道 mosfet 晶体管 p 通道 mosfet 晶体管 功率 mosfet 模块 线性稳压器 单通道 ldo 双通道 ldo ldo 控制器 标准电阻稳压器 标准线性稳压器 按钮控制器 、复位 ic 和序列发生器 序列发生器 电压基准 并联电压基准 串联电阻基准 电流基准 应用特定多路输出解决方案 应用处理器的集成电池管理 pmic solutions for pa and rf systems 电源管理特殊功能 集成构建块 运动/电机控制 nvsram(非易失性 sram)肖特基二极管阵列 智能功耗开关 电信铃声 实时时钟 热插拔和电压分配 热插拔功率管理 热插拔控制器(外部 fet)热插拔插头(集成 fet)oring 控制器 pci 电源管理 电信电源管理器 pcmcia 和 usb pcmcia/cardbus 开关矩阵 usb 电源控制器 usb 电源开关 功率多路复用器和限流开关 限流开关 电源多路复用器 (mux) 无限流负载开关 以太网供电 (poe)/lan 解决方案 供电设施 有源器件 照明解决方案 白光 led 驱动器 led 驱动器 离散段 led 驱动器 lcd/oled 显示偏差解决方案 ccfl 背光灯转换器 闪光灯电容充电器 hid 灯控制器 电池管理 电池电量监测 电池充电管理 锂离子保护 充电器前端保护 池 数字电源控制驱动器 数字电源脉宽调制控制器 数字电源控制器 数字电池传动组件 插拔电源模块 隔离式 dc/dc 转换器 1w & 2w 微型 18v 至 60v 输入 36v 至 75v 输入 48v 标准引脚砖型 非隔离式 pol t2 turbotrans 模块 3

5
您好,我是优宅尚品的设计师,很高兴回答您的疑问。 对于您所说的电源开,不知道您要哪个品牌的,所以只能详细回答您的疑问。你报上品牌给我,我再告诉您价格。希望我的提问对您有所帮助。
6
防水开关电源售价大概在30元左右,防水插头电源保护用途 电源不仅常规的保护功能内,最好在恒流输出中提高LED温度负反馈,防止LED温度过低。防护方面 灯具内安装型,电源结构应防水、防潮,外壳要耐晒。.驱动电源的寿命应与LED的寿命相适配。.要符合安规和电磁兼容的要求。###防水插头电源价格就130左右对于防水开关防水性能的主要评估标准是根据ip防水等级标准。看防水开关防水性能怎么,主要看IPXX的后边两位数字XX,第一位X是从0至6,最高等级为6;第2位X是从0至8,最高等级为8;因此防水开关的最高防水等级为IP68。###防水插头电源售价60元,主要是为LED射灯、LED灯条、LED路灯、LED灯泡、LED地埋灯、LED天花灯、LED平板灯、LED洗墙灯等各类LED灯具提供驱动能力。其更重要的特征是防水,可以在户外使用,而不害怕下雨、朝雾、大阳直射等恶劣环境。

7
型号很多都不知道 不能确定它的价格 型号和材料很多都跟价格有关 中山市麦田光电科技是做这个防水插头电源的。他们那里质量非常好,同行很多做灯饰的顾客需要都明白的。###型号很多都不知道 不能确定它的价格 型号和材料很多都跟价位有关
8
LED灯需要配置专用的直流电源。 直流电池又分成电压源和电流源两种; 一般对固定次数LED灯的可以采用直流电压源,这种电压源较简单、品种多,所对应的LED灯组要并联工作。如LED灯组中有串联工作,一旦其中有一个发生断路故障会导致其实灯不亮。

9
门禁系统,又称出入管理控制系统,是一种管理人员进出的数字化管理平台。常见的门禁系统有:密码门禁系统,非接触 IC 卡 ( 感应式 IC 卡 ) 门禁系统,指纹虹膜掌型生物识别门禁系统等的总称。密码门禁系统因为其本来的安全性弱跟便捷性差已经遭遇淘汰,生物识别门禁 门禁系统,又称出入管理控制系统,是一种管理人员进出的数字化管理平台。常见的门禁系统有:密码门禁系统,非接触 IC 卡 ( 感应式 IC 卡 ) 门禁系统,指纹虹膜掌型生物识别门禁系统等的总称。密码门禁系统因为其本来的安全性弱跟便捷性差已经遭遇淘汰,生物识别门禁
10
电源火线接插头进线跟插座火(l)线(也就是说开关进线和插头火线进线并联接电源火线),开关出线接照明,再接插头零线(n),电源零、地线接插头零(n)、地(e)线三角插座烧水好,三角的安全性更高,如果是220v的电流就使用三芯插头,按规定是红线接火线、绿线接工作零线、黄线接保护地线、还有一根线就把它闷掉,为了插头的接线准确,你能把插头反过来看电磁炉电源电路图讲解,有“l”一端的是接火线,有"n"一端的是接工作接地(也就是零线)、还有一端就是接保护地线从插头开始:l接火线→l1或l2中的一个接到插座上的l孔(另一个孔空出)→插座上的n接零线→插座上的相线借口接通地线→完成
本文来自电脑杂谈,转载请注明本文网址:
http://www.pc-fly.com/a/dianqi/article-132131-1.html
进入十二海里就应该给他们予以打击
最多就抗议一下
怎么想出这注意的