
一、 依据实物绘制电路图的基本原则
二、 方太hc20f09电磁炉
1. 方太hc20f09电磁炉主板元器件实物图
2. 方太hc20f09电磁炉主板印制电路图
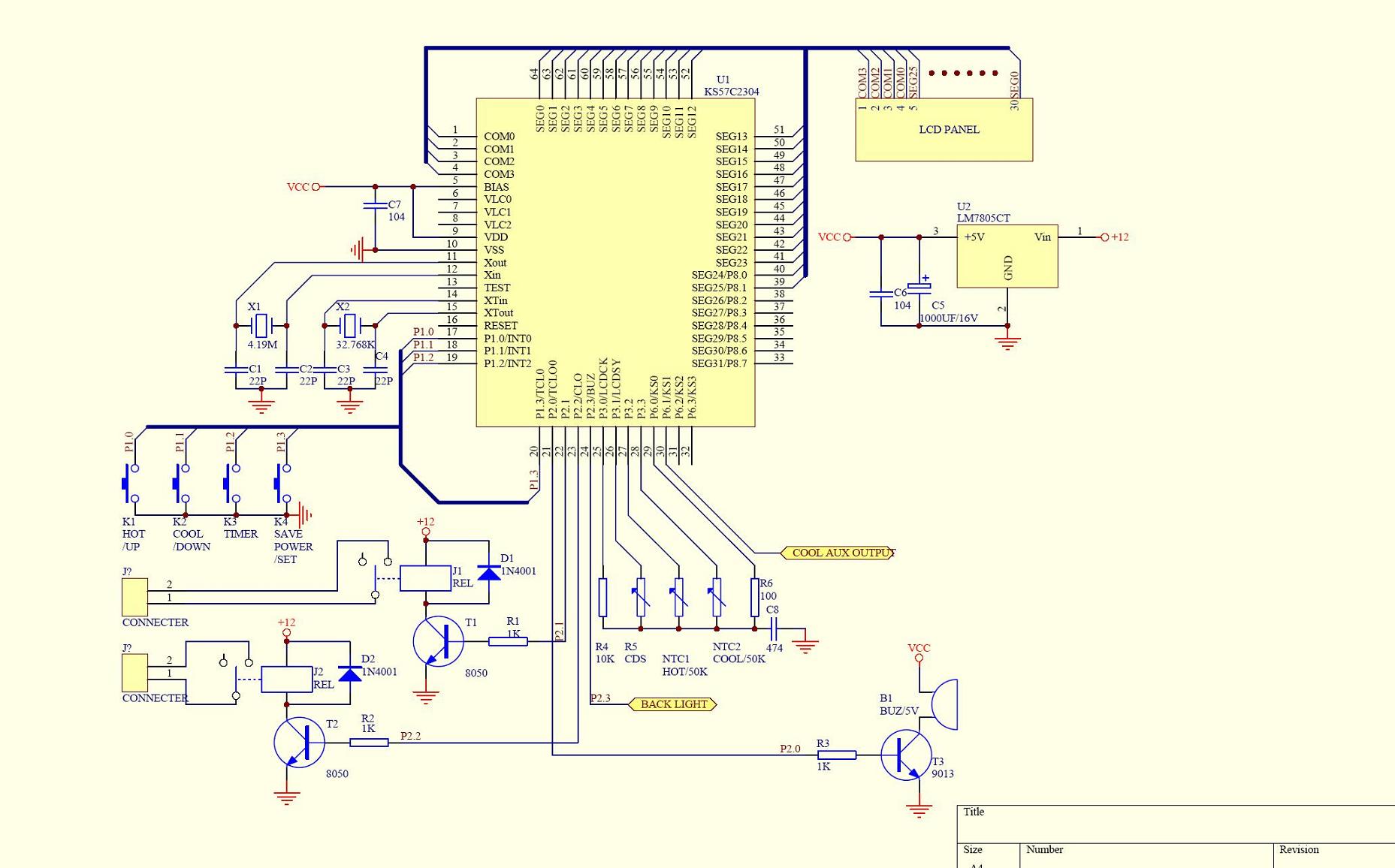
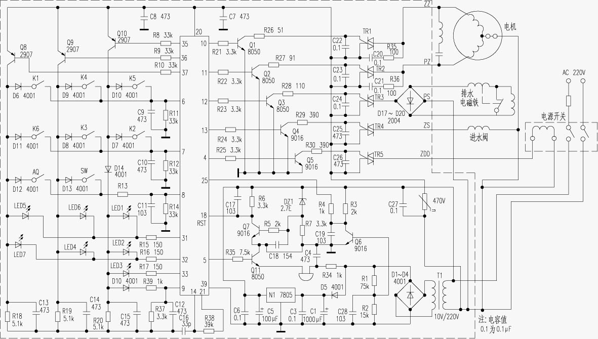
3. 方太hc20f09电磁炉主板电路原理图
4. 方太hc20f09电磁炉控制板元器件实物图
5. 方太hc20f09电磁炉控制板印制电路图
6. 方太hc20f09电磁炉控制板电路原理图
三、 方太hc20f20电磁炉
1. 方太hc20f20电磁炉主板元器件实物图
2. 方太hc20f20电磁炉主板印制电路图
3. 方太hc20f20电磁炉主板电路原理图
4. 方太hc20f20电磁炉控制板元器件实物图
5. 方太hc20f20电磁炉控制板印制电路图
6. 方太hc20f20电磁炉控制板电路原理图
四、 方太hc20f2电磁炉
1. 方太hc20f2电磁炉主板元器件实物图
2. 方太hc20f2电磁炉主板印制电路图
3. 方太hc20f2电磁炉主板电路原理图
4. 方太hc20f2电磁炉控制板元器件实物图
5. 方太hc20f2电磁炉控制板印制电路图
6. 方太hc20f2电磁炉控制板电路原理图
五、 方太hc20f5电磁炉
1. 方太hc20f5电磁炉主板元器件实物图
2. 方太hc20f5电磁炉主板印制电路图
3. 方太hc20f5电磁炉主板电路原理图
4. 方太hc20f5电磁炉控制板元器件实物图
5. 方太hc20f5电磁炉控制板印制电路图
6. 方太hc20f5电磁炉控制板电路原理图
六、 方太hg8f—1电磁炉
1. 方太hg8f—1电磁炉主板元器件实物图
2. 方太hg8f—1电磁炉主板印制电路图
3. 方太hg8f—1电磁炉主板电路原理图
4. 方太hg8f—1电磁炉控制板元器件实物图
5. 方太hg8f—1电磁炉控制板印制电路图
6. 方太hg8f—1电磁炉控制板电路原理图
七、 好太太c18—a电磁炉
1. 好太太c18—a电磁炉主板元器件实物图
2. 好太太c18—a电磁炉主板印制电路图
3. 好太太c18—a电磁炉主板电路原理图
4. 好太太c18—a电磁炉控制板元器件实物图
5. 好太太c18—a电磁炉控制板印制电路图
6. 好太太c18—a电磁炉控制板电路原理图
八、 九阳jyc—18t1电磁炉
1. 九阳jyc—18t1电磁炉主板元器件实物图
2. 九阳jyc—18t1电磁炉主板印制电路图
3. 九阳jyc—18t1电磁炉主板电路原理图
4. 九阳jyc—18t1电磁炉控制板元器件实物图
5. 九阳jyc—18t1电磁炉控制板印制电路图
6. 九阳jyc—18t1电磁炉控制板电路原理图
九、 九阳jyc—19be2电磁炉
1. 九阳jyc—19be2电磁炉主板元器件实物图
2. 九阳jyc—19be2电磁炉主板印制电路图
3. 九阳jyc—19be2电磁炉主板电路原理图
4. 九阳jyc—19be2电磁炉控制板元器件实物图
5. 九阳jyc—19be2电磁炉控制板印制电路图
6. 九阳jyc—19be2电磁炉控制板电路原理图
十、 立邦ec19le电磁炉
1. 立邦ec19le电磁炉主板元器件实物图
2. 立邦ec19le电磁炉主板印制电路图

3. 立邦ec19le电磁炉主板电路原理图
4. 立邦ec19le电磁炉控制板元器件实物图
5. 立邦ec19le电磁炉控制板印制电路图
6. 立邦ec19le电磁炉控制板电路原理图
十一、 美的mc—ch201电磁炉
1. 美的mc—ch201电磁炉主板元器件实物图
2. 美的mc—ch201电磁炉主板印制电路图
3. 美的mc—ch201电磁炉主板电路原理图
4. 美的mc—ch201电磁炉比较器板元器件实物图
5. 美的mc—ch201电磁炉比较器板印制电路图
6. 美的mc—ch201电磁炉比较器板电路原理图
7. 美的mc—ch201电磁炉控制板元器件及印制电路图(一)
8. 美的mc—ch201电磁炉控制板元器件及印制电路图(二)
十二、 美的mc—ep201电磁炉
1. 美的mc—ep201电磁炉主板元器件实物图
2. 美的mc—ep201电磁炉主板印制电路图
3. 美的mc—ep201电磁炉主板电路原理图
4. 美的mc—ep201电磁炉控制板元器件实物图
5. 美的mc—ep201电磁炉控制板印制电路图
6. 美的mc—ep201电磁炉控制板电路原理图
十三、 美的mc—sh2112电磁炉
1. 美的mc—sh2112电磁炉主板元器件实物图
2. 美的mc—sh2112电磁炉主板印制电路图
3. 美的mc—sh2112电磁炉主板电路原理图
4. 美的mc—sh2112电磁炉控制板元器件实物图
5. 美的mc—sh2112电磁炉控制板印制电路图
6. 美的mc—sh2112电磁炉控制板电路原理图
十四、 美的mc—sp203h电磁炉(主板电路同美的mc—ep201)
1. 美的mc—sp203h电磁炉控制板元器件实物图
2. 美的mc—sp203h电磁炉控制板印制电路图
3. 美的mc—sp203h电磁炉控制板电路原理图
十五、 美的mc—psd18a电磁炉
1. 美的mc—psd18a电磁炉主板元器件实物图(一)
2. 美的mc—psd18a电磁炉主板印制电路图(一)
3. 美的mc—psd18a电磁炉主板电路原理图(一)
4.美的mc—psd18a电磁炉主板元器件实物图(二)
5半球电磁炉zc-18 电路图. 美的mc—psd18a电磁炉主板印制电路图(二)
6. 美的mc—psd18a电磁炉主板电路原理图(二)
十六、 美联c—18f20电磁炉
1. 美联c—18f20电磁炉主板元器件实物图
2. 美联c—18f20电磁炉主板印制电路图
3. 美联c—18f20电磁炉主板电路原理图
4. 美联c—18f20电磁炉控制板元器件实物图
5. 美联c—18f20电磁炉控制板印制电路图
6. 美联c—18f20电磁炉控制板电路原理图
十七、 赛格兰sgl—20电磁炉
1. 赛格兰sgl—20电磁炉主板元器件实物图
2. 赛格兰sgl—20电磁炉主板印制电路图
3. 赛格兰sgl—20电磁炉主板电路原理图
4. 赛格兰sgl—20电磁炉控制板元器件实物图
5. 赛格兰sgl—20电磁炉控制板印制电路图
6. 赛格兰sgl—20电磁炉控制板电路原理图
十八、 赛格兰sgl—18电磁炉
1. 赛格兰sgl—18电磁炉主板元器件实物图
2. 赛格兰sgl—18电磁炉主板印制电路图
3. 赛格兰sgl—18电磁炉主板电路原理图
4. 赛格兰sgl—18电磁炉控制板元器件实物图
5. 赛格兰sgl—18电磁炉控制板印制电路图
6. 赛格兰sgl—18电磁炉控制板电路原理图
十九、 苏泊尔s21s04—a电磁炉

1. 苏泊尔s21s04—a电磁炉主板元器件实物图
2. 苏泊尔s21s04—a电磁炉主板印制电路图
3. 苏泊尔s21s04—a电磁炉主板电路原理图
4. 苏泊尔s21s04—a电磁炉控制板元器件实物图
5. 苏泊尔s21s04—a电磁炉控制板印制电路图
6. 苏泊尔s21s04—a电磁炉控制板电路原理图
二十、 苏泊尔c16s01电磁炉
1. 苏泊尔c16s01电磁炉主板元器件实物图
2. 苏泊尔c16s01电磁炉主板印制电路图
3. 苏泊尔c16s01电磁炉主板电路原理图
4. 苏泊尔c16s01控制板元器件实物图
二十一、 万科ky—c20al2电磁炉
1. 万科ky—c20al2电磁炉主板元器件实物图
2. 万科ky—c20al2电磁炉主板印制电路图
3. 万科ky—c20al2电磁炉主板电路原理图
二十二、 小天鹅hy—g16e电磁炉
1. 小天鹅hy—g16e电磁炉主板元器件实物图
2. 小天鹅hy—g16e电磁炉主板印制电路图
3. 小天鹅hy—g16e电磁炉主板电路原理图
4. 小天鹅hy—g16e电磁炉控制板元器件实物图
5. 小天鹅hy—g16e电磁炉控制板印制电路图
6. 小天鹅hy—g16e电磁炉控制板电路原理图
二十三、 小天鹅hy—g16e(c)电磁炉
1. 小天鹅hy—g16e(c)电磁炉主板元器件实物图
2. 小天鹅hy—g16e(c)电磁炉主板印制电路图
3. 小天鹅hy—g16e(c)电磁炉主板电路原理图
4. 小天鹅hy—g16e(c)电磁炉控制板元器件实物图
5. 小天鹅hy—g16e(c)电磁炉控制板印制电路图
6. 小天鹅hy—g16e(c)电磁炉控制板电路原理图
二十四、 小天鹅hy—k20l电磁炉(主板电路见小天鹅hy—r20)
1. 小天鹅hy—k20l电磁炉控制板元器件实物图
2. 小天鹅hy—k20l电磁炉控制板印制电路图
3. 小天鹅hy—k20l电磁炉控制板电路原理图
二十五、 小天鹅hy—r20电磁炉
1. 小天鹅hy—r20电磁炉主板元器件实物图
2. 小天鹅hy—r20电磁炉主板印制电路图
3. 小天鹅hy—r20电磁炉主板电路原理图
4. 小天鹅hy—r20电磁炉控制板元器件实物图
5. 小天鹅hy—r20电磁炉控制板印制电路图
6.小天鹅hy—r20电磁炉控制板电路原理图
二十六、 小天鹅hy—u19电磁炉
1半球电磁炉zc-18 电路图. 小天鹅hy—u19电磁炉主板元器件实物图
2. 小天鹅hy—u19电磁炉主板印制电路图
3. 小天鹅hy—u19电磁炉主板电路原理图
4. 小天鹅hy—u19电磁炉控制板元器件实物图
5. 小天鹅hy—u19电磁炉控制板印制电路图
6. 小天鹅hy—u19电磁炉控制板电路原理图
二十七、 小天鹅hy—v19电磁炉(同小天鹅hy—u19)
二十八、 小天鹅hy—w19电磁炉(主板电路同小天鹅hy—u19)
1. 小天鹅hy—w19电磁炉控制板元器件实物图
2. 小天鹅hy—w19电磁炉控制板印制电路图
3. 小天鹅hy—w19电磁炉控制板电路原理图
二十九、 小天鹅hy—x20(b)电磁炉(主板电路同小天鹅hy—u19)
1. 小天鹅hy—x20(b)电磁炉控制板元器件实物图
2. 小天鹅hy—x20(b)电磁炉控制板印制电路图
3. 小天鹅hy—x20(b)电磁炉控制板电路原理图
三十、 小天鹅hy—y19(a)电磁炉
1. 小天鹅hy—y19(a)电磁炉主板元器件实物图
2. 小天鹅hy—y19(a)电磁炉主板印制电路图
3. 小天鹅hy—y19(a)电磁炉主板电路原理图

4. 小天鹅hy—y19(a)电磁炉控制板元器件实物图
5. 小天鹅hy—y19(a)电磁炉控制板印制电路图
6. 小天鹅hy—y19(a)电磁炉控制板电路原理图
三十一、 正夫人jc20k6电磁炉
1. 正夫人jc20k6电磁炉主板元器件实物图
2. 正夫人jc20k6电磁炉主板印制电路图
3. 正夫人jc20k6电磁炉主板电路原理图
4. 正夫人jc20k6电磁炉控制板元器件实物图
5. 正夫人jc20k6电磁炉控制板印制电路图
6. 正夫人jc20k6电磁炉控制板电路原理图
三十二、 乐邦lbc—19t电磁炉
1. 乐邦lbc—19t电磁炉主板元器件实物图
2. 乐邦lbc—19t电磁炉主板印制电路图
3. 乐邦lbc—19t电磁炉主板电路原理图
4. 乐邦lbc—19t电磁炉控制板元器件实物图
5. 乐邦lbc—19t电磁炉控制板印制电路图
6. 乐邦lbc—19t电磁炉控制板电路原理图
三十三、 确美dke180电磁炉
1. 确美dke180电磁炉主板元器件实物图
2. 确美dke180电磁炉主板印制电路图
3. 确美dke180电磁炉主板电路原理图
4. 确美dke180电磁炉控制板元器件实物图
5. 确美dke180电磁炉控制板印制电路图
6. 确美dke180电磁炉控制板电路原理图
三十四、 华生cr—20电磁炉
1. 华生cr—20电磁炉主板元器件实物图
2. 华生cr—20电磁炉主板印制电路图
3. 华生cr—20电磁炉主板电路原理图
4. 华生cr—20电磁炉控制板元器件实物图
本文来自电脑杂谈,转载请注明本文网址:
http://www.pc-fly.com/a/dianqi/article-122073-1.html
北洋没有