
柜台申请||序列信号发生器键盘扫描电路||重点||数字电子1序列信号发生器
序列信号发生器有三种实现方法:
本文介绍了带计数器的序列信号发生器的实现。
基于计数器的序列信号发生器由两部分组成:
计数器,其模数等于要生成的序列信号的长度;组合电路,可将计数器的每种状态转换为一位序列信号。
这样,在时钟脉冲的作用下,可以重复输出要设计的顺序信号。
以下是学习如何生成序列信号的示例。





我将简要讨论以下三个选项。如果您不了解,则需要复习数据选择器的知识。
数据选择器的输出表达式如下

下图左上角的卡诺图将简化为上述表达式的形式,因此可以获得D3D2D1D0的表达式,然后可以绘制电路原理图。
顺便问一下,这张卡诺地图是怎么来的?它是根据给定的信号序列00011011绘制的,
Q2Q1Q0 = 000对应于信号0
Q2Q1Q0 = 001对应于信号0
Q2Q1Q0 = 010对应于信号0
Q2Q1Q0 = 011对应于信号1
Q2Q1Q0 = 100对应于信号1
Q2Q1Q0 = 101对应于信号0
Q2Q1Q0 = 110对应于信号1
Q2Q1Q0 = 111对应于信号1


提出一个问题,

另一个示例,如下所示

以上问题可以转化为“设计可以同时产生三个序列的信号发生器”

如下图所示,左侧是由74163组成的6模计数器,右侧通过3行8行生成6个最小项,然后通过最小项之和可以简化为NAND。使用“与非”门绘制最终的组合逻辑电路。


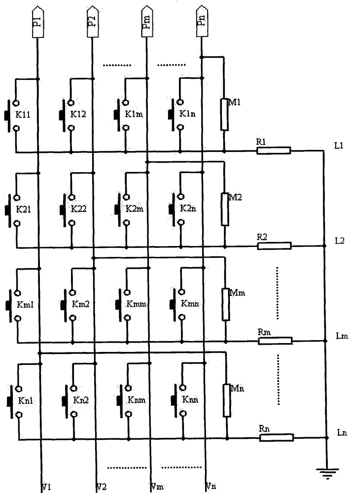
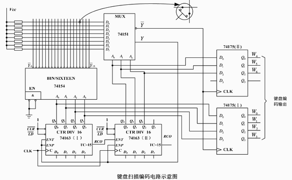
2可以理解键盘扫描电路

不难理解,也就是说,两个计数器控制着一个和一个数据选择器来逐行和逐行扫描按钮。
如果按下,它将产生一个时钟脉冲并将其发送到D触发器的CLK,并输出与按下的按钮相对应的计数器值,即按钮所在的行和列
(上面的图片中显然有19行键盘,但我无法数!图片是错误的!)
这些问题,

视频:MOOC数字逻辑电路单元9顺序逻辑功能计数器应用
本文来自电脑杂谈,转载请注明本文网址:
http://www.pc-fly.com/a/bofangqi/article-322325-1.html
为什么呢
美冷战思维坑了别人也害了自己