
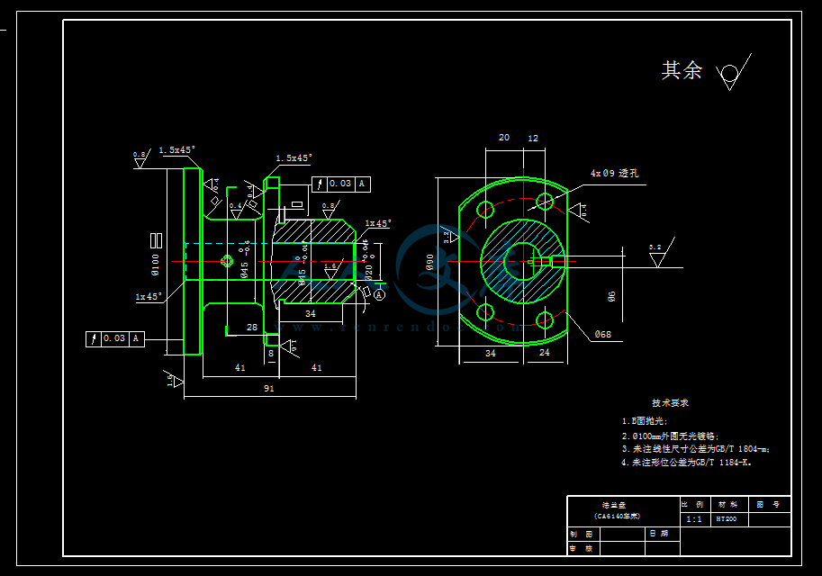
ca6140车床法兰盘CAD零件图:
CA6140是一种,是在原C620基础上加以改进而来,C代表车床A代表改进型号6代表卧式1代表基本型40代表最大旋转直径,是机械设备制造企业的是所需设备之一。

CA6140普通卧式车床的组成及功能
(1)主轴箱。它固定在机床身的左端,装在主轴箱中的主轴(主轴为中空,不仅可以用于更长的棒料的加工及机床线路的铺设还可以增加主轴的刚性),通过夹盘等夹具装夹工件。主轴箱的功用是支撑并传动主轴,使主轴带动工件按照规定的转速旋转。
(2)床鞍和刀架部件。它位于床身的中部,并可沿床身上的刀架轨道做纵向移动。ca6140法兰盘毛坯图纸刀架部件位于床鞍上,其功能是装夹车刀,并使车刀做纵向、横向或斜向运动。ca6140法兰盘毛坯图纸

(3)尾座。它位于床身的尾座轨道上,并可沿导轨纵向调整位置。尾座的功能是用后顶尖支撑工件。在尾座上还可以安装钻头等加工,以进行孔加工。
(4)进给箱。它固定在床身的左前侧、主轴箱的底部。其功能是改变被加工螺纹的螺距或机动进给的进给量。
(5)溜板箱。它固定在刀架部件的底部,可带动刀架一起做纵向、横向进给、快速移动或螺纹加工。在溜板箱上装有各种操作手柄及按钮,工作时工人可以方便地操作机床。
(6)床身。床身固定在左床腿和右床腿上。床身是机床的基本支撑件。在床身上安装着机床的各个主要部件,工作时床身使它们保持准确的相对位置。
本文来自电脑杂谈,转载请注明本文网址:
http://www.pc-fly.com/a/tongxinshuyu/article-49095-1.html
请不要利用你们的无知
现在这种东西我都是放铁盒子里