
我手上有一个旧的电子产品: Sony的PLM-50头戴式液晶显示器已经存放了几年,并且尚未维修. 这次,利用肺部疾病流行假期的空闲时间,经过分析,测试和修改,显示器终于恢复了显示功能,并且还建立了带有BBE和低音炮升压功能的放大器.
PLM-50头戴式液晶显示器是Sony开发的第一代头戴式显示器的中低端型号. 它最早于1996年投入市场. 在拆开展示柜之后,发现有一个背光组件,一个主板和两个LCD面板(如图1所示). 当时,背光不使用LED,而使用冷阴极灯. LCD面板使用两种型号: LCX009 0.7英寸LCD面板,主板上的主要芯片是CXA1854AR,其功能是将输入视频信号转换为R,G,B信号以及行和场同步信号以及所需的控制信号. 通过LCX009 LCD面板.
图1
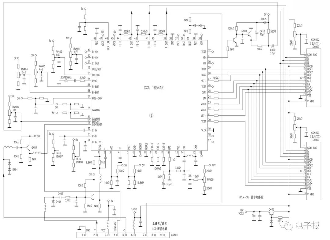
1. 分析为了理解芯片的布线和功能,主板的电路如图2所示. 分析电路,我们可以知道: CN401是显示主板与显示器主板之间连接线的插座. 线控器. 主要引脚功能: 1引脚为接地; 2引脚为接地. 3针和6针是线控器的电源端子; 6针为LCD面板供电,电压经Q405稳定后也提供给CXA1854AR的45针电源端子. CN401的3针为CXA1854AR的47针电源端子供电. 查看CXA1854AR的信息可知: 45针电源端子需要12V电压,而CXA1854AR的47针电源端子需要5V电压. 基于此,LCD面板所需的电源电压应略高于12V.
图2
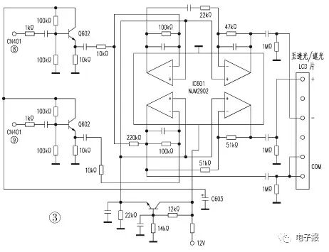
CN401的2和5引脚是来自线路控制器的图像信号输入端子. 经过Q401缓冲后,引脚2输入到CXA1854AR的1引脚同步信号输入端子和2引脚Y亮度信号输入端子. 引脚5由Q402缓冲,并输入到CXA1854AR的62引脚C色度信号输入端子. CXA1854AR的引脚7是标准选择端子,连接到5V高电平; CXA1854AR的引脚54也连接到3.5795MHz的外部晶体振荡器,这表明该芯片已设置为NTSC. CXA1854AR的引脚8是Y / C或复合视频输入选择端子. 该引脚接地为低电平,表明芯片已设置为亮/色分离输入模式. CN401的引脚7连接到CXA1854AR的引脚35. 该功能未知. 怀疑它可能是字符显示终端. CN401的引脚4连接到CXA1854AR的引脚61的对比度控制端子. 接线控制器上有一个电位计,可随时调节其电位. CN401的引脚8和9是显示器的透明/阴影LCD板的控制端子(透明/阴影LCD的相关电路如图3所示,当用户处于观看视频. 透明度由通过显示屏的环境光的程度来控制),并且线控制器上还有一个调节电位器.
图3

图4
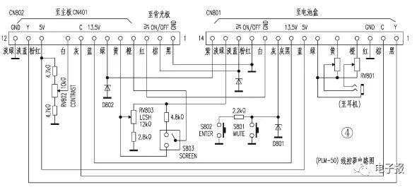
通过测量和映射,发现CN401引脚2和Q401之间的耦合电容器02丢失了,这将导致没有同步信号和亮度信号输入到CXA1854AR. 这可能是原始机器无法显示的原因,因此使用了一个10μF的贴片电容器来补偿将其焊接起来. 原始机器的电线控制器和电池盒(控制器)的连接插头已切断. 由于接线控制器和电池盒(控制器)之间的连接线的功能定义不清楚,因此接线控制器的电路再次如图4所示. CN802是用于将线控制器连接到显示器的主板和背光板的插座. CN802的引脚12-4与主板的CN401的引脚1-9连接. 功能定义如上所述. CN802的3-针1脚连接到背光板. 功能定义分析: 引脚3为背光电源端子,引脚2为背光开关控制端子,引脚1为地. CN801是线控制器和电池盒(控制器)之间连接线的插座. 其线路与CN802连接. 根据电路图3,我们可以看到其功能定义. CN801的引脚14的功能未知(待测试). 针脚13是显示器的透光/遮光LCD芯片的控制信号输入端子. 在通过S803开关和RV803电位器调整幅度之后,控制透光/阴影LCD电路. 该功能需要一个附加的振荡器电路来生成振荡器信号. 鉴于透光/阴影调节功能不是很有用,所以不使用脚. 针脚6,针脚5和针脚4是耳机信号输入端子,通过RV801电位器调节音量后,将其输出到耳机. 因为耳机输出插座是特殊且非通用的标准,所以不使用.
引脚9是原始电池盒(控制器)的功能控制端子,由于没有实际的控制电路,因此不使用. 2.该测试有一个15V可调开关电源和一个5V电源适配器,首先进行临时接线测试. 15V正电源连接到CN801的8针灰黑色电线(用于向LCD面板供电). 15V正电源输出连接到DC / DC降压模块,并调节到大约6V. 连接到CN801的10针白线(为背光板供电),然后通过1kΩ电阻将6V电压连接到CN801的12针浅蓝线(背光开关控制). 然后将5V电源适配器的5V正电源输出连接到CN801的7针蓝色线(为CXA1854AR供电). 然后将Y和C信号从DVD播放机的S-VIDEO输出端子引到CN801的插针1的黑线和插针2的棕色线,并将光盘播放器的输出格式调整为NTSC. 检查正确后,打开电源并测试机器: 监视器可以显示DVD输出的图像,这对创作者来说是非常令人鼓舞的,但是显示的图像发白且缺乏层次感,并伴有网格干扰. 尝试调整上的对比度旋钮. 尽管对比度发生了变化,但是图像的整体颜色仍然缺乏层次感. 怀疑LCD面板的15V电源电压不是最佳值. 然后将可调电源的输出电压从低到高调整,发现在8.6V时,LCD屏幕具有垂直条纹显示;低于12.9V时,屏幕向左移动;在13.2V至14.3V时,屏幕对比度更好. 颜色明亮且分层;高于14.5V时,图片变白,发白.
最后决定将LCD电源电压调整到13.5V左右. 对于净干扰,请尝试调整信号接地和电源接地的位置,直到干扰最小为止. CN801具有未知的14针紫色线. 尝试将其连接到较高级别,图片不会改变;如果接地,则图片的水平隔行变得很明显,因此不使用此线. 3.修改基于临时接线测试的成功,作者决定制作一个用于显示的实用电池盒(信号输入盒). 松下的RQ-SX73磁带随身听机壳损坏了机芯,并装有8.4V / 2500mA聚合物锂电池. 电池的容量大,可以满足显示器几个小时的工作. 此外,扁平锂电池的大小大约是磁带的大小,可以放入Panasonic Walkman的外壳中(如图5所示).

图5
它已经过测试. LCD屏幕需要13.5V电源,因此请使用升压模块将8.4V电压增加到13.5V;否则,请使用升压模块. CXA1854AR需要5V电源,因此DC / DC降压模块用于增加8.4V电压. 电压降为5V. 此. 因此,请尝试使用可调降压模块为背光面板供电. 电源电压降至5V,背光面板仍可正常工作,亮度不降低;只有电源电压降至4.5V以下时,背光面板灯才会熄灭. 尝试将背光板的电源线连接至主板的5V电源线,显示正常,无明显干扰. 背光板似乎可以与主板共享5V电源电压,因此电池盒中仅需要两个稳压电源模块5V和13.5V. 原始显示母板CXA1854AR的第8针接地,并设置为亮/色分离输入模式. 将其更改为5V高电平,可以将其设置为复合视频输入模式. 观察亮度/色分离输入法和复合视频输入法,显示器的清晰度差异不明显. 因此,可以使用音频和视频输入接口来代替特殊的S-VIDEO插头插座,而可以使用标准的3.5毫米4分区插头插座来分别输入左右声道音频信号和视频信号,这对于DVD而言很方便. 播放器和MP4 AV输出. 接口已连接. 实际上,有8条电线用于连接和电池盒: 1.黑色(亮度Y),2.棕色(色度C),3.红色(主板接地),7.蓝色(主板5V), 8.灰色和黑色(主板上的13.5V),10.白色(背光板为5V),11.粉色(背光板接地),12.浅蓝色(背光开关). 因为有8根电线,所以很难找到插头和插座. 我曾经考虑过使用15针VGA连接插头插座,但是VGA插头插座对于电池盒来说太大了,不适合携带. 经过大量的搜索,我终于发现便宜的简单喇叭插头插座可以完成这项工作(如图6所示): 1.可以轻松将连接线压接到喇叭插头中,而无需焊接; 2.喇叭插座尺寸较小,可以安装. 在电池盒中; 3.喇叭插头和插座的引脚规格很多,此处使用10引脚规格. 因此,电池盒中的特定接线如图7所示. 对齐组件后,按照构思的图7焊接并连接电池盒中的组件. 从线控制器到电池盒的导线也应压入喇叭塞. 在检查压接和焊接是否没有错误之后,PLM-50显示器上显示的图像既柔软又简单,并具有类似薄膜的质感.
图6

虽然恢复了PLM-50头戴式显示器的显示功能,但是由于其屏幕略显粗糙,因此其分辨率仅为320×240(相当于VCD清晰度). 对于那些习惯于观看HMZ-T1头戴式显示器的高清图像的作者来说,这台机器通常不用太多. 但是对于电池盒中的8.4V / 2500mA大容量锂电池而言,这有点浪费资源. 因此,有一个想法可以同时使用电池盒作为放大器. 通常,电池盒大多数时候都可以用作HI-FI放大器,偶尔也可以用作PLM-50显示器的电源. 我最初想使用Panasonic RQ-SX73磁带随身听的主板将其更改为放大器,首先尝试更改线路,然后连接到LR音频信号以进行试听. 但是,正如大多数发烧友所说的那样: 本机电路的唯一优势是低功耗和省电,但是输出到耳机的声音却微弱且乏味. 为了使修改后的放大器具有更好的听觉,我决定重新开始并使用两个旧芯片: XR1075和TDA1308来制作放大器. XR1075电路具有改善BBE清晰度和重低音增强功能,TDA1308是常用的HI-FI耳机放大器电路. XR1075的建议工作电压约为12V,TDA1308的最大工作电压为8V. 因此,我首先将XR1075的电源端子连接到升压模块的13.5V输出端子,然后TDA1308的电源端子通过一个IN4007二极管降压至7.8V后,使用锂电池供电. 使用AUKEY EP-C6耳机聆听音质确实优于原始的DVD播放器,台电MP4,LeTV LE X820手机直接输出声音: 人声更清晰,低音更饱满,声场就像在音乐会上一样.
但是,放大器的“嘶嘶”声太大. 屏蔽电路板,增加滤波电容以及更改放大器的接地点的实验几乎没有效果. 由于在调低音量电位器后无法听到底部噪音,因此分析噪音来自XR1075电路. 用10μF电容将XR1075的信号输入端子接地,仍然有噪声. 我本来以为XR1075芯片有问题,但是在断开连接到XR1075的13.5V电源后,“嘶嘶”的本底噪声可能会消失. 原始升压模块输出的13.5V电压的高频纹波太大且不够纯净. 将XR1075更改为8.4V锂电池以直接供电,然后聆听. 尽管电源电压较低,但声音效果和动态效果仍然很好,但是“嘶嘶”的本底噪声已经很小,达到了索尼爱华产品随身听的水平. 简介: 1.对于国内销售量少且缺乏维护信息的电子产品,最好的维修方法是分析电路原理. 该显示主机估计没有大的故障,但是亮度信号耦合电容器为假. 缺少焊料的小问题. 在对电路进行分析之后,可以提前发现此问题,从而减少后续维修过程的弯路. 2. XR1075和TDA1308制成的放大器与高品质的耳机配合使用,确实类似于高端爱华磁带随身听的优美音质. 如果发烧友使用这两块芯片和8.4V锂电池来制作放大器,则可以选择组件值. 有关成功测试的电路,请参见图7. 如果难以找到外壳,建议使用旧式移动电源的外壳.
图7
浙江方向
本文来自电脑杂谈,转载请注明本文网址:
http://www.pc-fly.com/a/tongxinshuyu/article-299425-1.html
门槛在门里的不都这样么