更多无线充电技术解析/应用案例/市场分析,竟在[无线充电技术应用沙龙],报名戳这!
在充电过程中,一般物体的耦合系数不会随时间变化,原边LC电路电压不会有太大的变化。利用这一特性,在识别阶段设法让无线充电模块的耦合状态按某个频率不断地变化,将无线充电模块从其他物体中区别出来。不断变化的耦合状态,可以通过按一定的频率有节奏地改变副边电路的补偿电容值获得。当副边电路补偿电容值变大1倍后,原边的电感电压会有明显的改变。
3识别电路的设计
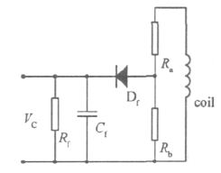
原边电路如图1所示,其中,控制、驱动电路用U1代替;副边电路如图2所示,其中,降压、稳压电路用U2代替。副边电路采用并联补偿方式,感应电压经副边电路的整流滤波、稳压降压后输出。在副边LC并联谐振电路中,增加一个由电容和2个开关管组成的电路,单片机通过控制开关管达到改变原副线圈耦合程度的目的。原边电路采用半桥谐振电路和串联补偿方式。电压采样电路如图3所示。通过并联感应线圈的电阻,取其分量经过半波整流滤波后,输出直流回馈电压VC。取样初级侧感应线圈的电压大小变化作为保护控制电路的回馈信号,其中,
图1原边电路
图2副边电路

图3电压采样电路
用LM319判定原边LC谐振电路电压是否为高电压。原边LC谐振电路电压经过电压采样电路的采样后,再经过半波整流滤波,得到一个较为平稳的采样电压。采样电压送入LM319的同相端,基准电压输入到LM319的反相端。若原边LC串联谐振电路的电压较低,则采样电压也较低,LM319输出一个低电平电压;反之,LM319输出一个高电平电压。
原边单片机接收来自LM319的电压判别信号。手机充电器设计电路图原边单片机的工作时间分为识别阶段和充电阶段。在识别阶段,若单片机收到预设信号,则发出使能信号,原边电路进入充电阶段;反之,单片机关断使能信号,原边电路进入低功耗的待机状态。
3.1副边单片机设计
副边单片机的程序流程如图4所示。为了与原边同步,副边单片机并非一启动就输出8个高低电平,而是在原边电路向副边电路发送能量之后才发送。原边电路向副边电路发射能量,电容C6会积累电荷,电压升高并维持一定的时间。单片机就可以通过检测第6引脚的电压是否为高电平来确定原边电路是否向副边电路发送能量。开始后,单片机不断地检测第6引脚电压是否为高电平,若是高电平,则单片机执行下一步动作;若不是高电平,则单片机继续检测第6引脚的电压是否为高电平。

图4副边单片机程序流程
在检测到第6引脚的高电平后,单片机向开关管发送8个高低电平的驱动电压,以使副边感应电路有节奏地改变耦合系数。
在发送完8个高低驱动电平后,单片机就一直检测第6引脚是否为低电平。若是高电平,则说明原边一直都在向副边发送能量,此时原副边线圈处于较大的耦合系数状态下,副边电路可以高效地接收原边电路向副边电路发送的能量;若是低电平,则说明本次循环结束,或者受到某种影响而中断了原边能量的发送,单片机进入下一个循环。
3.2原边单片机设计
原边单片机的工作时间分为2个阶段:识别阶段和充电阶段。在识别阶段,若单片机收到预设的信号,则单片机发出使能信号,电路进入充电阶段;若在规定的周期内,单片机没有收到预设的信号,则单片机关断使能信号,电路进入低功耗的待机状态,直到下一个循环。
假设副边电路发送的是101010位高低驱动电平,则其反射到原边电路,经过电压采样电路的采样,原边单片机最终检测到的电压应该是101010位高低判别电平。在原边单片机启动后,原边单片机进入识别阶段,原边单片机先发出16个周期的使能信号,让控制电路能正常工作;单片机不停地检测电压采样电路的电压,只要检测到的采样电压与预设值相符,单片机立即进入充电阶段;若单片机检测到的电压与预设值不相符,并且达到了16个检测周期,则判定原边电路没有检测到相符的接收模块,单片机关断使能信号,无线充电器进入低功耗待机阶段;待机结束后,单片机进入下一个循环。在充电阶段,若电压采样电路出现连续的8个高电平,则认为副边电路已远离原边电路,或是副边电路出现了开路、短路的现象,应该关断使能信号,让原边电路进入低功耗的待机阶段。
更多无线充电技术解析/应用案例/市场分析,竟在[无线充电技术应用沙龙],报名戳这!
图5原边单片机程序流程
4结束语
介绍了无线充电技术QI标准中的通信协议,分析了原副线圈耦合程度对原边电感电压的影响。在此基础上提出了一种身份识别电路。通过对副边电路补偿电容容量的控制,有节奏地改变原副线圈之间的耦合系数,原边单片机采样原边电感的电压,把采样电压与预设电压比较,最终达到识别副边电路的目的。通过适当设计待机时间的长短,达到降低待机功耗的目的。
本文来自电脑杂谈,转载请注明本文网址:
http://www.pc-fly.com/a/shumachanpin/article-36636-2.html
非常美好的少年