
嵌入式低压电力线通信风机控制系统设计
,LPC2132是基于一个支持实时仿真和嵌入式跟踪的32/16位ARM7TDMI- SCPU的微控制器,并带有64kB的嵌入的高速Flash存储器。128位宽度的存储器接「7和独特的加速结构使32位代码能够在最大时钟速率下运行。较小的封装和极低的功耗使LPC2132可理想地用于小型系统中。处理器自带的8路10位A/D转换,可以保证CO检测、烟雾检测中数据采集的需要。 ...
类别:ARM单片机2016-12-08 14:45:18标签:

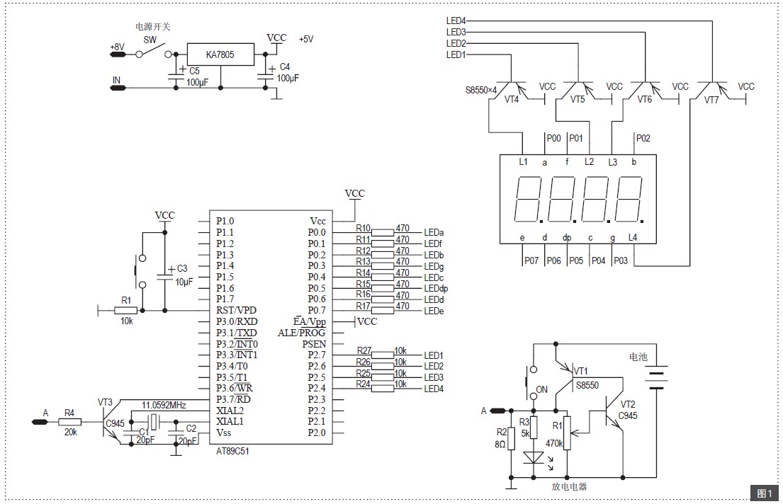
充电电池容量自动测试仪设计与实现
随着电子产品小型便携化发展趋势,充电电池应用越来越广泛了。市面上电池种类繁多,良莠不齐。现在的电池容量虚标是非常普遍的事情,只有很少一部分正规厂家的产品采用了实事求是的态度。曾经见过一种标注容量8000mAH的手机电池,实际容量仅能达到标注容量的一两成而已,以目前的技术,以手机电池的体积要达到如此容量尚无可能,只怕将来也未必能够实现。随着小电子产品越来越多,每个人对于电池...
类别:51单片机2016-11-09 09:54:28标签:充电电池容量自动测试仪

盘点:10月份锂电十大科研成果
久越好,不希望自动放电导致电力流失。4.MIT发属-有机框架化合物MOF材料(metal-organic frameworks),海绵状微观结构的新型MOF材料具有极高的储能密度,有望能够成为新一代超级电容/电池技术的核心材料。可取代目前以碳纳米管材料为基础的超级电容器,碳纳米管材料的制备条件非常...
类别:动力系统2016-11-07 18:02:00标签:

解析钛酸锂动力电池的现状与发展
,由此谈谈钛酸锂在动力电池中的研究及发展属锂的电位,一旦电池...
类别:汽车电子2016-10-20 10:27:00标签:钛酸锂动力电池

充电电池容量自动测试仪
随着电子产品小型便携化发展趋势,充电电池应用越来越广泛了。市面上电池种类繁多,良莠不齐。现在的电池容量虚标是非常普遍的事情,只有很少一部分正规厂家的产品采用了实事求是的态度。曾经见过一种标注容量8000mAH的手机电池,实际容量仅能达到标注容量的一两成而已,以目前的技术,以手机电池的体积要达到如此容量尚无可能,只怕将来也未必能够实现。随着小电子产品越来越多,每个人对于电池...
类别:2016-09-09 08:53:57标签:充电电池容量自动测试仪

利用MSP430™ FRAM微控制器实现能量采集
电池能够减少替换电池的数量,不过,就可充电电池本身而言,它们不一定会能够解决电池更换所带来的所有挑战。当我们使用能量采集对可充电电池进行充电时,这些电池的确能够带来利益。目前,太阳能、热能、运动能(振动或其它动力学效应)和RF等能源已经被广泛接受。其它能源也正处于开发过程中,例如有可能从人类血液中发生的电化学反应采集能量,或者是从植物和树木内部的此类反应中...
类别:电池管理2016-08-03 10:56:08标签:

基于单片机的电动汽车电池智能快速充电器的设计
1 引言电池是电动汽车的关键动力输出单位,在铅酸蓄电池,镍镉电池,镍氢电池,锂电池和燃料电池等几种常用电池中,因为具有能量比大、重量轻、温度特性好,污染低,记忆效果不明显等特点,铅酸蓄电池、镍氢电池在电动汽车中使用很普遍。然而由于充电方法的不正确.造成充电电池的使用寿命远远低于规定的寿命。也就是说很多电池不是被用坏的而是被充坏的,可见充电器的好坏对电池寿命有很大的...
本文来自电脑杂谈,转载请注明本文网址:
http://www.pc-fly.com/a/shumachanpin/article-26860-1.html
那个愿意搞个合娶