


其工作原理是单片机根据遥控和设置开关输入的控制指令,控制电器的电源通断。当电源控制电路的输出管脚送出的插头控制指令为高电平,MOC3041截止,TI截止,电器被关闭;当电源控制电路送出的开关控制指令为低纹波,MOC3041导通,T1导通,电器被开启。通过MOC3041内部的过零触发电路,保证T1在电流过零时导通和截至,对电力系统干扰最小。R4和C1是T1的保护电路。

3 遥控装置的控制程序

本遥控装置的控制程序的主要工作是对电话信号进行测试或者接收客户指令控制家用电器的工作。系统程序主要包含管理监控主程序和定时中断子程序。 3.1 管理监控主程序管理监控主程序流程图如图6所示。


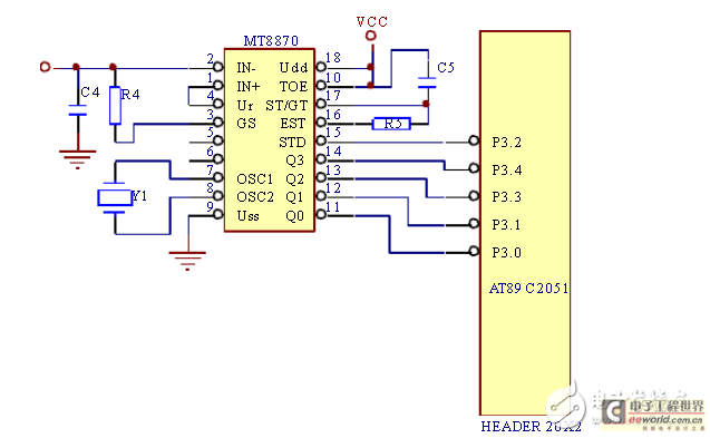
CPU检测振铃讯号状况和按钮状态,当测量到有效振铃讯号后,启动计数程序,计数至设置振铃次数后,CPU送出摘机信号控制电路自动摘机并送出摘机提示音信号,提示用户输入密码。当测试到有*键按下时,也相同送出摘机提示音信号,提示用户输入密码(对*键的测试是为了便于用户在家中控制电器,用户直接操作接路上的电话机即可)。单片机检测MT8870送出的STD信号,当STD信号有效时,从MT8870读入指令代码并与预设密码非常,如果它们不一致,则送出警告提醒音信号,用户可以再次输入密码dtmf的工作原理,若连续3次密码错误,系统自动挂机,不能进行遥控设定,如果输人密码与预设密码一致,则送出确认提示音信号dtmf的工作原理,用户可以输入开机、关机、定时工作等指令,也可以输入查询指令查询平台工作状况或输入更改密码指令、更改设置密码。设定或查询完成后,按#键则系统挂机,连续一定时间不输入任何指令信号,系统也会手动挂机,让出电话线路。
3.2 定时中断程序定时中断程序完成定时工作方式下的计时和本地按键设置状态的查询跟执行(流程图略)。
4 结 语
所介绍的基于PIC单片机的家用电器电话遥控装置已经投入应用,证明该装置性能稳定、工作可靠,而且不妨碍电话的正常使用。但不足的是,利用该装置控制家用电器,必须将电气的电池跟本装置相连结,因此线路变得杂乱,并且每种电器各种用途设定都不相似,使用本平台能够准确控制器详细设置,只能控制其电源开关。解决的方式有2种:(1)将本平台跟家用电器结合出来,将本装置嵌入在家用电器的控制器中,成为家用电器的一个功能,也无法推动对电器各项设置的完全控制,但这些方法必须与家用电器的制造厂商相结合来推动,这只是未来的发展方向。(2)所介绍的控制器不直接用于控制家用电器,而是在该控制器上设计一个无线发射和接收装置,在每一个家用电器的电源端设置一个具有无线接收和发射的控制器。主控制器将用户的命令直接发射给家用电器控制器,同时还能将家电的工作状况反馈给客户。该细则适用于对现有的家用电器控制,笔者目前未将该装置开发顺利。
本文来自电脑杂谈,转载请注明本文网址:
http://www.pc-fly.com/a/shumachanpin/article-137724-1.html
包括岛礁上的军事设施建设