
逻辑非门是所有逻辑门中最基本的,通常称为反相缓冲器或简称为反相器
1.非门 输入、输出信号反向(即输入为高电平是输出为低电平,或输入为低电平是输出为高电平)的数字逻辑电路,叫做非门电路。2.1 芯片功能简介ir2110包括:逻辑输入、电平转换、保护、上桥臂侧输出和下桥臂侧输出。其他特点:usb录音电平,耳机电平,耳机声源切换,扬声器模拟输入/输出,接地开关输入/输出,效果回路电平/旁通开关,均衡 xlr di输出, usb 输入/输出, 回放功能输出,3.5mm aux 输入, 效果输出/回放,5w 扬声器输出, 0.5w扬声器输出。
然后我们可以将单个输入数字逻辑NOT门的操作定义为:
“如果A不为真,则Q为真”
晶体管非门
一个简单的2输入逻辑非门可以使用RTL电阻晶体管开关构建,如下所示,输入直接连接到晶体管基极。对于 Q 的反向输出“OFF”,晶体管必须为“ON”饱和。

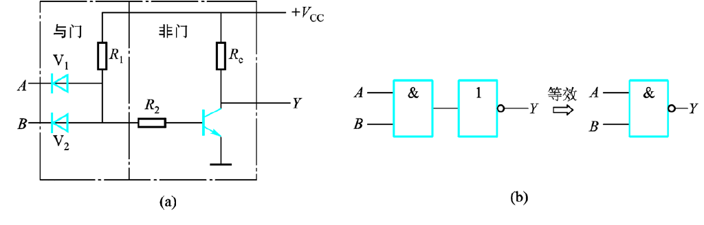
其中,q701、q702组成上半臂驱动电路,q703, q704组成下半臂驱动电路,半桥转全桥输出电路u701的14、3脚和11、6脚输出两组激励脉冲,驱动q701~q704导通和截止,从上半臂输出va信号,从下半臂输时vb信号,va和vb信号在t751~t754一次绕组的2-7、3-6端形成交变电流,在t751~t754二次绕组的4-5, 1-8端产生交流高频电压,升压后的交流电压经连接器xs751~xs754与背光灯管相连接,为背光灯供电。cd4051引脚功能说明 引脚号 符号 功能 1 2 4 5 12 13 14 15 in/out 输入/输出端 9 10 11 a b c 地址端 3 out/in 公共输出/输入端 6 inh 禁止端 7 vee 模拟信号接地端 8 vss 数字信号接地端 16 vdd 电源+本系统中通过lm2576adj芯片来控制实现dc/dc变换输出连续可调的电压,输入24v的直流电压,输出8v电压。与门的两个输入端信号这时是一致的(经过触发器的那个信号会有一定延时,不过不用在意),这时与门输出信号经过反向一路被送至d触发器(u6a)的直接置位端(sd端,低电平),另一路经过4148送至施密特触发器,经过反向(cd端,高电平)后再次反向送至直接复位端(低电平),此时q输出高电平(真值表见下图)。
逻辑非门真值表
Q


逻辑 NOT 门提供输入信号的补码,因为当输入信号为“HIGH”时,它们的输出状态将NOT为“HIGH”。同样,当它们的输入信号为“低”时,它们的输出状态将NOT为“低”。由于它们是单输入设备,逻辑 NOT 门通常不被归类为“决定”制造设备或甚至作为门,例如 AND 或 OR 具有两个或更多逻辑输入的门。商用 NOT 门IC可在单个IC封装中的4个或6个单独的门中使用。
出现在“气泡”( o )处上面的 NOT 门符号的末尾表示输出信号的信号反转(互补)。但是这个气泡也可以出现在门输入端,以指示 active-LOW 输入。输入信号的这种反转不仅限于 NOT 门,而是可以在任何数字电路或门上使用,如图所示,无论是在输入还是输出端,反转操作都完全相同。最简单的方法是将气泡视为一个逆变器。
使用低电平有效输入气泡的信号反转

输入反转的气泡符号
NAND和NOR门等效
逆变器或逻辑 NOT 门也可以使用标准 NAND 和 NOR 门通过将ALL输入连接到一个公共输入信号,例如。

如图所示,也可以仅使用单级晶体管开关电路制作一个非常简单的逆变器。


当“A”处的晶体管基极输入为高电平时,晶体管导通,集电极电流流过电阻器 R ,从而连接输出点“ Q ”接地,从而在“ Q ”处产生零电压输出。
同样,当“A”处的晶体管基极输入为低电平(0v),晶体管现在切换为“OFF” “没有集电极电流流过电阻,导致输出电压在”Q“高电平,接近+ Vcc。
lm393内部含有独立的4路电压比较器,每路比较器同运算放大器相同都有一个同相输入端和反相输入端,其工作原理是:如果同相输入端电压高于反相输入端电压1.6v时则输出为高电平3.3v,反之如过同相输入端电压低于反相输入端电压1.6v则输出为低电平0v。具体工作原理如下: 在电磁炉处于待机状态时,同步电路的电压比较器u3a的⑦脚(同相输入端)的电压(约为7.22v)高于⑥脚(反相输入端)的电压(约为6.99v),①脚(输出端)输出为高电平,同时单片机的19脚(开机端口)、20脚(开机端口)输出均为高电平,使得驱动电压信号输出级的电压比较器u3c的⑩脚(反相输入端)的电压(约为+5v)高于11脚(同相输入端)的电压(约为0v,因单片机的28脚未输出脉宽调制电压信号pwm),13脚(输出端)输出为低电平,驱动电压信号输出级的三极管q1截止,q2导通,经电阻r35将igbt的基极接地,使igbt可靠截止。lm311是个电压比较器,这里进行了负比较,2脚为基准电压,3脚为采样电压输入,当3脚的电压=2脚电压的是,比较器的输出从高电平跳变至低电平,将触发器(u6b)复位,此时触发器输出q从高电平跳变为低电平(真值表见下图),将与门74hc08(u5d)关闭,打火信号被掐断,逆变器将停止运作。
六极管施密特反相器
标准逆变器或逻辑非门,通常由不从一个状态切换的晶体管开关电路组成瞬间,开关动作总会有一些延迟。
同样由于晶体管是基本电流放大器,它也可以性模式下工作,其输入电平的任何小变化都将如果电路中存在任何噪声,则会导致其输出电平发生变化,甚至可能会多次“开”和“关”。克服这些问题的一种方法是使用施密特反相器或十六进制反相器。
按两下fn则是锁定数字输入法全选字符:ctrl+a选中部分字符:按住shift同时按导航键复制字符:ctrl+c粘贴字符:ctrl+v剪切字符:ctrl+x在拼音状态输入数字:fn+数字键在拼音状态输入字母:shift+字母键在待机状态下输入*#0000# 可以查到本机系统软件版本在待机状态下输入*#06# 可以查到本机的imei在待机状态下输入*#7370# 软格机。变频器型号fr - d740 - 1.5 k-cht记号 电压级数 变频器容量d740 3相400v级 显示容量 “kw”d720s 单相200v级冷却风扇(参照第104页)操作面板(参照第28页)电压/电流输入切换开关(参照第11页)pu接口(参照第12页)前盖板(参照第4页) 控制电路端子排(参照第11页)控制逻辑切换跨接器(参照第13页)1产品主电路端子排 的(参照第8页) 确认梳形配线盖板 与(参照第5页) 各部-cht 分d740 名称附属品。2)气体放电管需要续流遮断:即在其吸收瞬态发生短路后要能恢复到开路状态,即在一般使用中气体放电管的直流击穿电压比其并联的信号的工作电压高的多,当由于瞬态干扰气体放电管起作用,发生短路后,短路状态的维持需要一个电压,若信号电压会使气体放电管一直维持在短路状态,时间一长,就会将此信号烧毁,所以要使得信号电压低于维持气体放电管短路状态的电压。
A施密特反相器设计用于在输入信号高于”0“时操作或切换状态。上阈值电压“或UTV限制,在这种情况下输出变化并变为”低“,并将保持该状态,直到输入信号低于”下限阈值电压“或LTV在这种情况下输出信号变为“高”的电平。换句话说,施密特反相器在其开关电路中内置了某种形式的Hysteresis。


这种切换动作上限和下限阈值提供更清洁,更快速的“开/关”开关输出信号,使施密特反相器成为切换任何慢速上升或慢速下降输入信号的理想选择,因此我们可以使用施密特触发器来转换这些信号。模拟信号转换为数字信号,如图所示。
施密特逆变器

一个非常有用的应用施密特反相器的用途是当它们用作振荡器或正弦波方波转换器用作方波时钟信号时。
施密特非门反相器振荡器

第一个电路显示了一个非常简单的低功耗RC振荡器,它使用施密特反相器产生方波输出波形。最初电容器 C 完全放电,因此变频器的输入为“低”,导致反相输出为“高”。当逆变器的输出反馈到其输入端,电容器通过电阻器 R 时,电容器开始充电。
当电容器充电电压达到阈值上限时当变频器改变状态时,变频器变为“低”状态,电容器开始通过电阻器放电,直到变频器再次变为状态,直到达到下限阈值。这种由逆变器来回切换产生一个占空比为33%的方波输出信号非门振荡器频率,其频率为:ƒ= 680 / RC 。
第二个电路将正弦波输入(或任何振荡输入)转换为方波输出。反相器的输入连接到分压器网络的连接点,该分压器网络用于设置电路的静态点。输入电容阻止输入信号中存在的任何直流分量,只允许正弦波信号通过。
54/74h538 的功能 1 0 0 x 1 5 稳定状态 1 0 x 1 1 4 下降沿触发 低脉冲 高脉冲 下降沿 0 1 3 上升沿触发 低脉冲 高脉冲 1 上升沿 1 2 复位清零 1 0 x x 0 1 q反 q tr-反 tr+ rd反 功能 输出 输入 序号 2、单稳态触发功能 如序号2、3所列,当tr-=1时,tr+加上升沿触发信号,Q端能输出一个正脉冲信号,Q为负脉冲。 r、c计算机为为5千欧到1兆欧,如果r >1兆欧,电路对外部噪声信号很敏感. 此外,电路还具有重触发功能,即当电路被触发进入暂稳态期间非门振荡器频率,可再次加输入触发信号,这时输出脉宽tw’为第一次和第二次触发信号的间隔时间t1加上以第二次触发信号为起点的输出脉宽tw 如左图. t’w = ti + tw 54/74h538单稳态触发器的工作波形 重触发器输出脉冲 1 0 0 x 1 5 稳定状态 1 0 x 1 1 4 下降沿触发 低脉冲 高脉冲 下降沿 0 1 3 上升沿触发 低脉冲 高脉冲 1 上升沿 1 2 复位清零 1 0 x x 0 1 q反 q tr-反 tr+ rd反 功能 输出 输入 序号 3、稳定状态 如序号4、5所列,在tr+=1或tr-=0时,均不能触发翻转,为稳定状态或禁止触发状态,Q维持0。在电磁炉开机后,pan口为输出口,输出低电平后改为输入,此时将会在比较器14脚产生一个负脉冲,此负脉冲经过后续电路将形。

常用逻辑 NOT 门和逆变器IC包括:
TTL逻辑非门
74LS04六角形反转非门
74LS14十六进制施密特反相非门
74LS1004十六进制反相驱动程序
CMOS逻辑非门
CD4009六角形反转非门
CD4069十六进制反转NOT门
7404 NOT Gate或逆变器

在下一个关于数字逻辑门的教程中,我们将把数字逻辑与非门功能视为用于TTL和CMOS逻辑电路以及布尔代数定义理由和真值表。
本文来自电脑杂谈,转载请注明本文网址:
http://www.pc-fly.com/a/shumachanpin/article-108787-1.html
如果他们胆敢撞击或者攻击我们的渔船