继电器驱动电流一般需要20-40mA或更大,线圈电阻100-200欧姆,因此要加驱动电路。那么继电器的驱动电路的原理和注意事项有哪些?
1. 晶体管用来驱动继电器,必须将晶体管的发射极接地。
具体电路如下:
NPN晶体管 PNP晶体管

NPN晶体管驱动时:当晶体管T1基极被输入高电平时,晶体管饱和导通,集电极变为低电平,因此继电器线圈通电,触点RL1吸合。
当晶体管T1基极被输入低电平时,晶体管截止,继电器线圈断电,触点RL1断开。
PNP晶体管驱动电路目前没有采用,因此在这里不作介绍。
1.2 电路中各元器件的作用:
晶体管T1可视为控制开关,一般选取VCBO≈VCEO≥24V,放大倍数β一般选择在120~240之间。。电阻R1主要起限流作用,降低晶体管T1功耗,阻值为2 KΩ。电阻R2使晶体管T1可靠截止,阻值为5.1KΩ。td62003ap二极管D1反向续流,抑制浪涌,一般选1N4148即可。
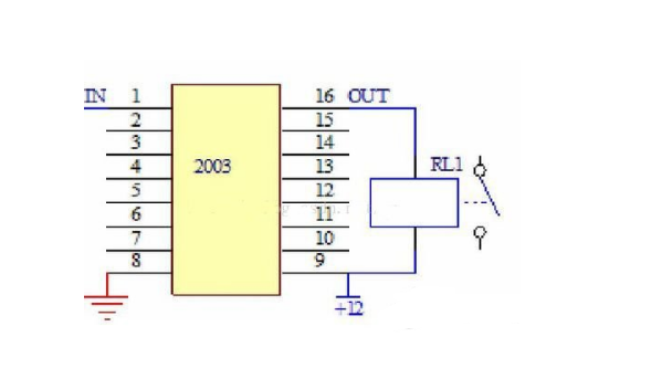
2 集成电路2003驱动继电器
左图1~7是信号输入(IN),10~16是输出信号(OUT),8和9是集成电路电源。

2.1 工作原理简介
根据集成电路驱动器2003的输入输出特性,有人把它简称叫“驱动器”“反向器”“放大器”等,现在常用型号为:TD62003AP。td62003ap当2003输入端为高电平时,对应的输出口输出低电平,继电器线圈通电,继电器触点吸合;当2003输入端为低电平时,继电器线圈断电,继电器触点断开;在2003内部已集成起反向续流作用的二极管,因此可直接用它驱动继电器。
2.2检修判断2003好坏的方法非常简单,用万用表直流档分别测量其输入和输出端电压,如果输入端1~7是低电平(0V),输出端10~16必然是高电平(12V);反之,如果输入端1~7是高电平(5V),输出端10~16必然是低电平(0V);否则,驱动器已坏。
测试条件:1.待机;2.开机。
测试方法:将万用表调至20V直流档,负表笔接电控板地线(7812稳压块散热片),正表笔分别轻触2003各脚。
本文来自电脑杂谈,转载请注明本文网址:
http://www.pc-fly.com/a/sanxing/article-43550-1.html
非主流哥哥
郑秀晶的鼻子