使用英特尔第二代Core i处理器和6系列芯片组的笔记本电脑在意。外部显示设备可以正常显示笔记本计算机主机输出的图像信息,这表明笔记本计算机出现故障的原因主要不是芯片组,核心图形卡和相关电路出现问题。屏幕电缆或LCD屏幕及其相关电路等硬件可能有问题。

因此决定进行拆卸测试。
拆卸计算机后,请清洁并仔细观察出现故障的笔记本电脑的主板。
清洁完成后,未发现明显的物理损坏,也未发现明显的剥离或虚假焊接问题。然后打开电源并测试主板上的LCD接口电路。
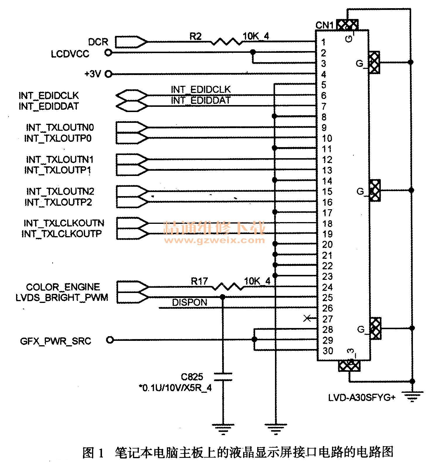
图1显示了笔记本计算机主板上LCD接口电路的电路图。


检查笔记本计算机主板上的LCD接口电路,发现LCDVCC电源为0V,这显然是异常的。直接检查LCDVCC电源。
图2显示了故障笔记本电脑的LCDVCC电源生成电路的电路图。


经检查,电路中的主要电子元件均正常,但Q4所需的NT_LVDS_VDDEN信号异常。该信号由芯片组发送。异常表明芯片组可能存在性能不佳或虚焊等问题。图3显示了芯片组的NT_LVDS_VDDEN信号发送引脚的电路图。
焊接芯片组后,打开电源进行测试和故障排除。
故障摘要:在这种故障排除情况下,一种较常见的方法是在初始阶段通过外部显示设备消除芯片组和核心图形卡出现问题的可能性。尽管这可能会导致故障判断中的偏差,但它是不知道清楚的故障点的最有效的维护方法之一。
第二阶段基于对电路的检测来重新判断芯片组故障,这也是基于对故障和电路的分析,并且与先前的故障排除过程不冲突。
笔记本电脑的维护过程应遵循从常见故障排除到特殊故障排除的原则。
本文来自电脑杂谈,转载请注明本文网址:
http://www.pc-fly.com/a/ruanjian/article-356008-1.html
一切侵略者
是一种缘分