
强大的CPU可以带我们快速进入复杂的数字世界,最酷的图形卡将带我们体验绚丽的3D世界中的多彩震撼,而最好的声卡甚至可以更好地将我们带入那个美妙的音乐厅. 与CPU,图形卡,声卡相比,电源可能微不足道,我们对此并不十分了解,但是我们必须知道,稳定的工作电源是计算机更好地工作的前提.
计算机开关电源具有高工作电压和大电流,并且在自感应电动势的状态下工作. 因此,使用中的故障率很高. 许多朋友对电源故障不知所措. 实际上,只要您对电子电路有一点了解,就可以轻松维修电源.
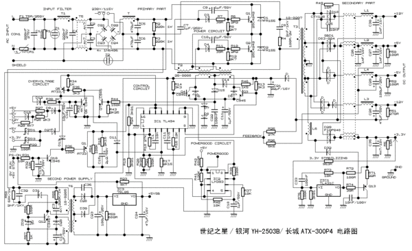
首先,我们需要了解计算机开关电源的工作原理. 电源首先通过全桥二极管对高压交流电(220V)进行整流(图1、2),然后变为高压脉冲直流电,然后通过电容器滤波器(图3)变为高压直流电.




这时,控制电路控制大功率开关晶体管,以根据特定的高频频率将高压直流电分批发送到高频变压器的初级线圈(图4). 然后,将从次级线圈输出的降压高频和低压交流电转换为低压和高电流的直流电,从而可以通过整流和滤波使计算机正常工作. 其中,控制电路是必不可少的部分. 它可以有效地监视输出端子的电压值,并将信号发送到电源开关晶体管,以控制电压的上下调整幅度. 在计算机开关电源中,由于电源输入部分在高电压,大电流的状态下工作,故故障率最高. 其次,输出直流部分的整流二极管,保护二极管和大功率开关晶体管更容易损坏. TL494的4脚电压是保护电路的关键测试点. 通过维护多个电源,总结了解决电源常见故障的方法.

1. 停电时,“看,闻,问和割”
由于电源的大修必须暴露在220V高压下,一旦人体触摸36V以上的电压,就有生命危险. 因此,如果可能,请尝试检查断电状态下是否存在明显的短路或组件损坏故障. 首先,打开电源的外壳,检查保险丝(图5)是否烧断,然后观察电源的内部状况. 如果发现电源的PCB板上的组件损坏,则应重点检查该组件. 一般来说,这是失败的主要原因. 闻到电源内部是否有异味,检查是否有烧毁的组件;询问电源的损坏情况,电源是否违反规定运行,这是修理任何设备所必需的. 初步检查后,必须对电源进行更深入的检查.

使用万用表测量交流电源线两端的正向和反向电阻以及电容器的充电. 如果电阻值太低,则意味着电源内部短路. 通常,其电阻应大于100千欧. 电容器应该能够充电和放电如果电容器损坏,则表明交流电源线两端的电阻很低并且处于短路状态. 否则,可能是开关晶体管VT1和VT2击穿.

然后检查直流输出部分. 断开负载并测量每组输出端子的接地电阻. 正常时,仪表针应有电容器的充电和放电摆动,最后的指示应是电路的泄放电阻. 否则,主要是由于整流二极管的反向击穿引起的.
两个,开机检测
通过上述检查后,您可以打开测试电源. 目前,这是关键点,需要一定的经验,电子基础和维护技能. 一般而言,您应该集中精力检查电源的输入端,开关晶体管,电源保护电路以及电源的输出电压和电流. 如果先启动再停机,则电源处于保护状态,可以直接测量TL494脚4的电压. 正常值应低于0.4V. 如果测得的电压值高于+ 4V,则表示电源处于保护状态. ,应重点注意保护的原因. 由于暴露在高压下,建议没有电子底座的朋友要小心.

三个常见故障
1. 保险丝吹

在正常情况下,保险丝烧断表明电源内部电路有问题. 当电源在高电压和高电流条件下工作时,电网电压和电涌的波动将导致电源中的电流瞬时增加并导致保险丝烧断. 重点应检查电源输入端的整流二极管,高压滤波电解电容器,逆变器电源开关管等,并检查这些组件是否损坏,断路,损坏等. 如果保险丝确实烧断了,则应首先检查电路板上的各个组件,以查看这些组件的外观是否被烧毁,以及电解液是否溢出. 如果找不到上述情况,请使用万用表进行测量. 如果两个大功率开关管的e极和c极之间的测量电阻小于100kΩ,则表示开关管损坏. 其次,测量输入端子的电阻值. 如果小于200kΩ,则表明后端存在部分短路.
2. 没有直流电压输出或电压输出不稳定
如果保险丝完好无损,但是在负载下所有电平的直流电压下都没有输出. 这种情况主要是由以下原因引起的: 电源中的开路和短路,过压和过流保护电路的故障,振荡电路的故障,电源的过大负载,高电压下整流二极管的击穿. 频率整流器滤波电路,滤波电容器泄漏等. 这时,首先使用万用表测量系统板+ 5V电源的接地电阻. 如果大于0.8Ω,则表示电路板上没有短路;然后暂时从计算机上卸下不必要的硬件,例如硬盘,光盘驱动器等. 离开主板,电源和蜂鸣器,然后测量每个输出端子的DC电压. 如果此时输出为零,则可以确定电源的控制电路有故障.

3. 电力负载能力差
电源的负打开能力差是常见的故障,通常发生在老式或长时间工作的电源中. 主要原因是各种组件老化,开关晶体管工作不稳定以及无法及时进行散热. 应该重点检查齐纳二极管是否发热和泄漏,整流二极管是否损坏,高压滤波电容器是否损坏以及晶体管的工作点选择不正确.
4. 接通电源时没有电压输出,并且电源中有吱吱声.
这是电源过载或空载的典型特征. 首先,仔细检查每个组件,重点放在整流二极管,开关管等上. 仔细检查后,发现整流二极管1N4001的表面被烧成黑色,电路板也被烧成黑色. 更换相同型号的二极管,并用万用表测量. 它真的坏了. 连接到电源,但风扇不转动,仍然发出吱吱声. 使用万用表时,+ 12V输出仅为+ 0.2V,而+ 5V仅为0.1V. 这表明在组件发生故障时电源会开始自我保护. 在测量主开关管和副开关管后,发现主开关管之一被损坏. 替换为相同类型的开关管. 故障已消除,一切正常.

5. 没有刺耳的声音,最后一根保险丝会烧断保险丝.
随着保险丝继续熔断,搜索范围变窄. 只有三种可能: 1.整流桥击穿; 2.大型电解电容击穿; 3.初级开关管故障. 电源的整流桥通常是四个分立的整流二极管,或者四个二极管固化在一起. 卸下整流桥是正常的. 删除测试后,大型电解电容器是正常的. 焊接时要注意正极和负极. 最后一种可能性是开关管. 该电源的初级只有一个大功率开关管. 取出数量后,将其分解,并用相同型号的开关管替换以解决该问题.
实际上,维修电源并不难. 通常,电源的损坏可归因于保险丝熔断,整流二极管的损坏,滤波电容器的开路或故障,开关晶体管的故障以及电源的自我保护. 由于开关电源的电路相对简单,因此故障类型很少,并且很容易确定故障的位置. 只要您具有足够的基本电子知识,阅读更多相关报纸,做更多事情并注意积累经验,就可以轻松地修复电源故障.
本文来自电脑杂谈,转载请注明本文网址:
http://www.pc-fly.com/a/ruanjian/article-297835-1.html
损我小米
那么
美国扰乱了伊拉克