
doi: 10.3969 issn.1001-893x. 2014. 09. 009参考格式: 张立民,刘杰,钟兆根. (n,1,m)递归系统卷积码的盲识别[J]. 电信技术,2014,54(9): 1220-1225. [张立民,刘杰,钟兆根. 盲识别递归系统卷积码[J]. 电信工程,2014,54(9): 1220-1225. (烟台工程学院海军航空电子信息工程学院,山东烟台264001)收件人: 递归系统卷积码(RSC码)是Turbo码子编码器常用的一种编码形式. 针对(n,1,m)递归系统卷积码的盲识别问题,给出了完整的编码参数和生成多项式的识别方法. 首先,矩阵分析方法首先用于获得卷积码参数,以避免在随后识别多项式时因参数的循环估计而引起的额外计算成本. 然后,根据RSC交换算法对其进行介绍. 最后,将Matlab平台用于仿真验证. 仿真结果表明,该方法的容错性能明显优于传统方法,在误码率为10-2的情况下,成功识别的概率可以达到90%,这对于进一步的识别具有重要意义. Turbo代码的研究.
关键字: 数字通信;频道编码;递归系统卷积代码;盲目识别Walsh-Hadamard变换中文图片分类号: TN911. 22摇货号: 1001-893X(2014)09-1220-06盲识别递归系统卷积码张立民,刘杰,钟兆根(海军航空航天大学信息工程系,烟台264001)递归系统卷积码(RSC码)通常由Turbosub编码器编码. 提出了盲识别问题RSCcode,一种基于Walsh-Had-amard变换的方法. 首先,对矩阵进行编码参数分析,构造接收码字. 根据RSCcode推导的数学识别模型回想了特征术语,Matlab的具体实现步骤仿真结果表明,与其他方法相比,该方法更优. (BER)10-2,它表明了进一步研究Turbocode的重要意义. 关键词: 数字通信频道编码;递归系统卷积代码;盲目识别Wlash-Hadamard变换在数字通信中,为了提高信息传输的可靠性,经常使用信道编码.

其中,在中等误码率和长数据包的情况下,Turbo [1-2]可以接近香农极限,并已广泛用于卫星通信和深空探测中. 在编码系统中,递归系统卷积码(RSC码)是子编码器通常使用的编码形式. 因此,RSC码的识别是Turbo识别的基础. 当前的卷积码识别方法主要是高斯消去法. 54. 2014年9月接收日期: 2014-04-23;修订日期: 2014-06-12基金项目: 国家自然科学基金(61102167 ..)基金项目: 国家自然科学基金61102167)通讯: iamliu1573 @ 163 com shake通讯作者: iamliu1573 163 com其中高斯消除识别必须为在非常低的误码率下有效;快速双脉冲脉冲算法仅适用于(2,1,m)卷积码;基于Euclidean算法,它最初用于研究(2,1,m),文献[7]将其推广到(n,1,m)识别,但是其对误码率的适应性需要进一步研究.
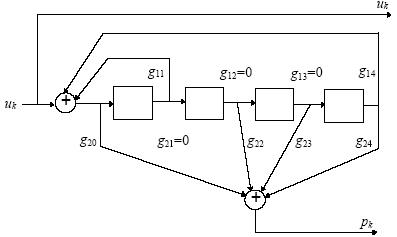
上述方法仅研究一般的卷积码,但是对于RSC码的识别,研究成果很少. 另外,其中一些方法是在已知代码参数的前提下识别出来的,而不是真正意义上的盲目识别. 通过对参数进行循环估计,可以最终识别,从而增加了计算量. 为了解决上述问题,本文首先利用接收到的码字构造一个矩阵,然后利用矩阵分析法识别编码参数,以利于后代多项式的识别. 然后,根据RSC码的结构特点,建立了生成多项式识别模型,并给出了求解步骤. 同时,为了应对高误码率的影响,采用沃尔什-哈达玛变换算法求解识别方程. 问题描述卷积码通常表示为(n,k,m),其中k是信息比特的长度,n是代码字的长度,m是编码存储器的长度,表示其(nk)校验元素不仅与此组相关信息位相关,段信息元素相关. 由于卷积码是线性系统,因此编码方程的每个序列都可以用相应的多项式代替. 对于(n,1,m)个卷积码,编码方程式可以表示为其中u(D)是信息序列,V(D)是码字序列,而G(D)是生成矩阵,并且满足H(D)是一个(n-1)n维矩阵,其中l是校验多项式的最高阶,l是m. 对于(n,1,m)递归系统卷积码,生成矩阵可以表示为(10)相应的校验矩阵可以表示为(11)上式右侧的(n-1)列为(n-1)个Yi(n-1)维身份矩阵.

(12)因此,可以首先从等式(12)获得校验矩阵,然后可以获得生成的多项式. 考虑到位错误的存在,在位错误多项式e = 1,2,... n的影响下,让(13)可以将接收到的序列表示为(14),即最大满足C(D H编码参数识别由于卷积码是一种特殊的线性块码,因此它们也具有类似于线性块码的特性. 通过构造矩阵并转换接收到的代码字,您可以获得卷积代码的代码长度,代码字的开头和其他参数. 首先,需要估算码长值,在实际应用中,卷积码的码长一般不超过8,因此有可能估算列的矩阵,以确保矩阵具有与卷积码字相同的起点,取第一个元素的相应位置相差840(从2 = n(m +1)开始,行数x> y. 根据文献[9],建立上述模型后,对矩阵进行初等变换得到与下面的式(15)类似的矩阵,我都是恒等矩阵. 通过矩阵nk的区间分布定律,可以得到n,然后编码率维数之和为n(m +1)-1,找到n,可以得到存储长度m,生成多项式的辨识首先导出求解模型,然后给出具体的解法,构建解法模型根据文献[10],RSC码及其对应的非递归系统卷积码具有相同的码字集,不同之处仅在于RSC寄存器的实现是无限脉冲响应(IIR)线性系统.
因此,为了方便求解,首先研究相应的非系统递归卷积代码,然后系统化生成的多项式. (16)从等式(12),(14)和(16),我们可以获得(17)来求解上述等式. 当误码率较低时,可以使用基于欧几里得的算法;但是在高误码率的情况下,本文使用Walsh-Hadamard变换算法. Walsh-Hadamard变换算法原理Walsh函数是在[0,1]上定义的一组完整的正交矩形函数系统. 基于Walsh函数的Walsh变换是对信号和系统分析的变换域方法的重要补充,并且更易于实现快速变换. Hadamard对其进行了改进,并形成了Hadamard转换. Walsh变换和Hadamard变换统称为Walsh-Hadamard变换. 根据[11],对于m维向量u,其二进制乘法的结果可以由2 Hadamard矩阵的每个元素h uv表示,其中u和v是对应的十进制数. 在Hadamard矩阵中找到与第一个元素相对应的位置是方程的解决方案. 如果要求解方程组,则可以找到所有方程的通用解. 针对本文情况,考虑到误码的存在,采用统计方法. 步骤如下: (1)将m维行向量的实域添加到所需方程式的矩阵中,然后将结果转换为二维Binary行向量; (2)将上面获得的向量乘以Hadamard矩阵的实场.

此时,各谱系数的值表示将对应于该位置的矢量代入原方程后的已建立的方程数与不成功的方程数的差. (3)从频谱系数中找到与最大值对应的矢量,这是方程组的可能解; (4)通过置信度分析进一步确定解决方案的可靠性. 当足够大时,建立的方程式的数量满足高斯分布,并且出现(N + k)df(18). 其中,当啄食时,错误发生的概率为0.001 35,可以判断出正确的解决方案. 求解方程式(17)的特定步骤包含n-1个方程式. 首先,我们可以根据第一个方程式找到g(D),并将其代入以下n-2个方程式中,以找到剩余的校验多项式. 具体步骤如下: cn电信技术(1)将接收到的码字构造成如下式所示的矩阵,其中N为2m. (20)(2)对于方程式(17)中的第一个方程式,从矩阵(20)中提取值,构造以下方程式,并根据Walsh-Hadamard变换方法进行求解. (21)(3)将步骤2中获得的g代入以下方程式,构建以下方程式,并根据Walsh-Hadamard变换方法= 3,4,...,n(22)设置获得的矩阵. (4)如果是(23),则选择相应的RSC码生成矩阵作为仿真验证,并选择(3,1,5)系统反馈卷积码作为研究对象. 首先验证识别方法的正确性,然后将其性能与其他文献中的方法进行比较.
代码参数识别结果图. 识别结果代码参数根据子矩阵的分布,代码长度为+1 = 18,并且存储长度是已知的. 因此,识别方法是有效的. 以上述(3,1,5)的反馈卷积码为研究对象,确定了生成多项式. 首先,构造一个2 12 Hadamard矩阵,选择方程数为500,然后求解方程式(21). 结果如图2所示,其中K是相应光谱系数的值. 生成多项式识别的结果. 图. 生成多项式的识别结果可以看出,最大值出现在3940的位置,并且对应的二进制矢量是[1(25),对应于置信度t 500 x16. (26)到置信度t(27)变成了正确识别的递归系统卷积码(28)的形式. 接下来,将本文方法的性能与文献[2]中的高斯直接法和文献[6]中的欧几里得法进行比较. 进行更改以验证与各种方法成功识别90%概率相对应的最大误码率. 同时,为了研究编码存储长度对识别的影响,进行了两组模拟. 结果如图3所示. 可以看出,随着码字长度和编码存储器长度的增加,所有方法的性能均下降,但该方法的错误适应性明显优于. 以上两种方法,误码率都可以高达10 -2.

本文中的方法与其他常规方法之间的容错性能比较. 最后,分析了该方法的复杂性,并与高斯直接法和欧几里得法进行了比较. 根据文献[4],本文定义二进制域的加法和乘法是1个运算,十进制加法是1个运算,而十进制乘法是4个运算. 从第4节的求解步骤可以看出递归系统卷积码,对于m + 2 + 2m以及高斯直接法和欧几里得算法,列方程组所需的代码为+1,前者需要计算量O,并且后者最多需要M个方法计算图4中显示了数量随m值的变化. 结果表明,该方法的计算成本比其他两种方法的计算成本略高,并且差距更加明显. 但是,牺牲计算量带来了性能提高. 因此,在后续研究中,有必要在保证性能的前提下优化算法,减少计算量. 该方法的计算复杂度与其他常规方法的比较图. 不同方法之间的计算复杂度本文提供了一种有效的方法,用于盲目识别Turbo码中子编码器中常用的RSC码. 首先,接收到的码字用于构造矩阵并对其进行分析,以识别码长,码字起点,码率和码存储长度. 然后使用Walsh-Hadamard变换求解多项式识别模型.
与其他常规方法相比,本文方法在误码率为10 -2时具有90%的有效识别概率,并且不需要任何先验条件,从而克服了现有卷积码识别的缺点方法. Turbo的进一步识别具有重要意义. 在即将进行的研究中,将对Walsh-Hadamard算法进行优化以降低计算复杂度. 参考: BerrouC,Glavieux NearShannon极限错误正确编码解码: Turbocodes 1993年国际会议通信. 吉恩·吉恩(Gene Juan): IEEE,1993: 1064-1070. MAP解码算法[J]. 李思佳,毛玉全,郑秋荣,等. 电信技术,2011,51(9): 131-132. Taylor-Log -MAP解码算法TurboCodes cn. 电信工程. 电信工程,2011,51(9): 131-132. 谢慧,黄志涛,王凤华. 电子学报,2013,41(6): 1167-1168. 盲识别信道编码研究进展[J]. 电子学报,2013,41(6): 1167-1168. 谢辉,王风华,黄志涛. 基于盲识别卷积码的改进的欧氏算法2012IEEE国际会议信号处理. 北京: IEEE,2012: 1307-1309. 刘建成,杨晓静. 基于求解校验序列的卷积码盲识别[J]. 电子与信息学报,2012,34(10): 2364-2366. 刘家正,杨晓静. 基于盲识别卷积码的求解校验-娟娟[InformationTech Juanology,2012,34(10): 2364-2366. 卷积码识别[J]. 探测与控制学报,2012,34(1): 65-66. 刘建成,杨晓静,张瑜. 基于识别卷积码的改进欧氏算法[J]. Journal Control,2012,34(1): 65-66. TomRichardson,Ruediger Urbanke. 现代编码理论[M]. 剑桥: 剑桥大学出版社,2008. 卷积码的盲识别[J]. 无线通信技术,2009,38(3): 38-42. 薛国庆,常凤佳,刘卫平,等. 盲识别卷积码[J]. 无线通信技术,2009,38(3): 38中文)[10]舒林,Costello ErrorControl编码[M]. En-gleglewood Cliffs,新泽西州: Prentice Hall Press,2007年. [11]摇沃尔什函数在求解二元系统方程中的信号处理,2000,16(增刊): 28-29. 游玲朱忠良. Walshfunction SignalProcessing,2000,16(Suppl): 28-29. 中文)作者简介: 张立民(1966-),男,辽宁开元,2005年天津大学获得博. 目前是教授和博士生导师. 他的主要研究方向是卫星信号处理和应用. 张立民1966年,辽宁省安徽省开元市. 他于2005年获得天津大学学位. 他的研究涉及信号处理卫星通信的应用. 杰(1990—),男,湖北宜昌人,硕士,主要研究方向是现代信号处理技术及其应用. 刘杰宜昌,湖北省人,1990年毕业. 他的研究涉及现代信号处理技术的应用. 电子邮件: iamliu1573 @ 163. com Zhong Zhaogen(1984—),男,江西南昌,博士. 2013年的主要研究方向是通信信号的盲分离和统计信号处理.
.
Zhong Zhao Nanchang,江西Prov,始于1984年. 他在2013年收到. 他的re Juan搜索涉及盲信号分离无线通信Juan统计信号处理盲识别(n,1,m)递归系统卷积代码: Zhang Limin,张立民,刘杰,钟朝根作者单位: 山东烟台海军航空工程学院电子信息工程系,264001职称: 电信技术英文标题: 电信工程2014(9)参考文献(11)1. Berrou C; Glavieux NearShannon极限误差正确编码解码: Turbocodes 1993 Turbo编码Taylor-Log-MAP解码算法2011(09)3. Marazin M;高铁R; Burel Blindrecovery速率卷积编码器噪声环境2011(01)信道编码盲识别技术研究进展[期刊论文]-电子学报2013(06)5.谢辉;王风华黄志涛基于盲卷积率1/2的改进欧几里德算法2012(n,1,m)卷积码的盲识别[期刊论文]-电子与信息学报2012(10)里德算法的(n递归系统卷积码,1,m)卷积码识别[期刊论文]-检测与控制学报2012(01)8. Tom Richardson; Ruediger Urbanke现代编码理论2008 1 / n卷积码盲识别[期刊论文]-无线通信技术2009(03)10. Costello ErrorControl Coding 2007 Walsh函数在二元域方程求解中的应用2000(增刊)本文引用: 张立民. 刘杰. 钟兆根. 张立民. 刘杰. 钟兆根(n,1,m)递归系统中卷积码的识别[期刊论文]-电信技术2014(9)
本文来自电脑杂谈,转载请注明本文网址:
http://www.pc-fly.com/a/jisuanjixue/article-182215-1.html
打