
电磁炉在使用过程中难免会出现一些故障,比如说电磁炉不加热啊,电磁炉不开机啊!半球电磁炉当然也不例外,那么半球电磁炉的常见故障有哪些呢?当出现故障的时候我们又该怎么办呢?下面众易居装修网的小编就给大家讲讲半球电磁炉常见故障及其维修方法。

半球电磁炉不加热怎么办
1、锅具选用不正确
在购买电磁炉的时候销售人员都会告诉你,在使用电磁炉时最好使用电磁炉专用锅具或者是铁锅。使用铁锅是为了更好的防止电磁炉的辐射向外扩散,专用锅具主要是能够更加的适应电磁炉的使用。锅具不合适时电磁炉就会不断发出提示音,并且不加热。
在这样的情况下,要解决电磁炉不加热的情况只能重新更换使用的锅具,一般平底的铁锅是比较适合电磁炉使用的锅具要求,电磁炉专用锅本就是适用于电磁炉的锅具,在更换时可以使用这两种锅具。
2、传感器开路或者是短路
2:然后先完全关闭手机,在确保手机完全处于关机状态之后,同时按住音量上键 + home键 + 开机键(三键一起按,不要松) 过一会手机就进入recovery(蓝色英文界面)。① · 电源开关故障 当电源开关按键因为老化而导致电源开关按钮按下后不能及时复位,使开关始终处于接通状态,这时就会出现按下电源开关后,主机加电开始启动,但过④秒后自动关机的现象。针对支撑瓷瓶裂纹放电闪络故障,我们在检修中加大检修力度,发现有裂纹的瓷瓶及时更换,同时督促工艺人员经常检查蒸气阀是否打开,使瓷瓶始终处于加热保温状态,起到瓷瓶干燥、增强瓷瓶绝缘,防止瓷瓶放电闪络、炸裂等作用。

这时解决电磁炉不加热时就要知道电磁炉显示出的故常代码的意思,这样才能明确的知道电磁炉的故障出现的原因在哪里才能对症下药进行修理。
3、电磁炉IGBT过流保护
当电磁炉电流过强时,电磁炉的过流保护装置就会启动,过流保护会将电磁炉的功率减小或者是直接将电磁炉停止工作。这一类的情况会导致电磁炉出现有规律间断性加热的情况。
在过流保护的状态下出现电磁炉不加热的情况就需要延长一段时间再启动电磁炉,当电磁炉电流恢复正常,电磁炉在使用时就会自动恢复正常。
4、电磁炉中电压过高
超压保护状态下会迫使电磁炉降低输出功率,IGBT电极的电压也会相应的降低,这时电磁炉一般会出现间断加热和输出功率降低的情况。
在这种情况下出现的电磁炉不加热需要暂停使用电磁炉,在一段时间之后才再次使用电磁炉,同时注意电磁炉使用电压,避免电磁炉电压过高再次触发IGBT管超压保护。


半球电磁炉的其他常见故障
1、置锅,灯闪烁
(1)比流器CT坏换比流器CT
(2)锅具不对,非标准锅具用正确锅具
(3)IC1/IC6/R501可调电阻坏检查对应器件
2、通电无反映或不能操作
(1)插头与插座接触不良或或过于松动插头内金属片未接触
(2)把磁炉插头插好

(3)插座无220V电源(其它电器也不能在此插座上开机)更换插座上电开机
3、不开机(按电源键指示灯不亮)
(1)按键不良检查并更换按键板
(2)电源线配线松脱重接
(3)电源线不通电重接或换新
(4)保险丝熔断更换
(5)功率晶体IGBT坏更换
(6)共振电容C103坏更换

(7)阴尼二极体检查并更换
(8)变压器坏,没18V输出检查并更换
(9)基板组件坏更换

半球电磁炉的维修技巧
解:串联电路中一灯亮一灯不亮,则可能不亮的灯泡短路了,即l2短路,电流表有示数,说明电路故障不可能是断路,电压表有示数,说明电压表所测部分没有短路,综合判断,所以是l2短路.。2.在行输出电路正常或短路情况下200w灯泡串接在行电路中时灯泡通常会点亮,只是亮度略有不同,这对判断行输出电路是否正常没有多大帮助。【点评】电路故障短路和断路的判断,短路时电路中有电流,断路时电路中无电流.特别是电压表所测的用电器断路,电压表与电路串联.要会辨别不同故障所出现的不同情况.。
2、判断振荡电路是否工作,用一只发光二极管和一只蜂鸣器并联后放在炉面上可有效观察电磁炉的工作状况。发光二级管一亮一灭说明电磁炉工作正常。
再分别脱开同步比较电路两路检测电阻的一端,检查为门控管c极取样检测电阻r20(470k/2w)变值为620k。在路检测整流桥db 1与门控管igbt均已击穿,再用数字万用表逐一检测抗干扰电容c1、滤波电容c2、谐振电容c3时,发现c3的容量只有0.08&mu。超导开关可以分为电阻开关和电感开关.电阻开关是利用超导体以下性能:若改变磁场、电流和温度三个参量的任一个,就可以使它从零电阻态转变到有阻状态.例如,用冷子管作开关,就是利用一个完全超导的控制元件所产生的磁场,通过使门元件发生超导---正常转变来控制门元件的电阻而制成.这种开关的低电阻态为零,高电阻态典型的是毫欧姆数量级,所以,开关比是无限大.电感开关的原理是:不是像线圈、线等电路元件的电感,可用来将靠近它的超导体作正常态和超导态之间的转变,或移动电路元件附近的超导表面,使它发生相同转变,制成开关.由于超导体的特殊性能,超导开关的开关速度可达纳秒.。
4、常见的易损元件是:大功率大阻值电阻开路或变大、电容失容或变小、LM339损坏。
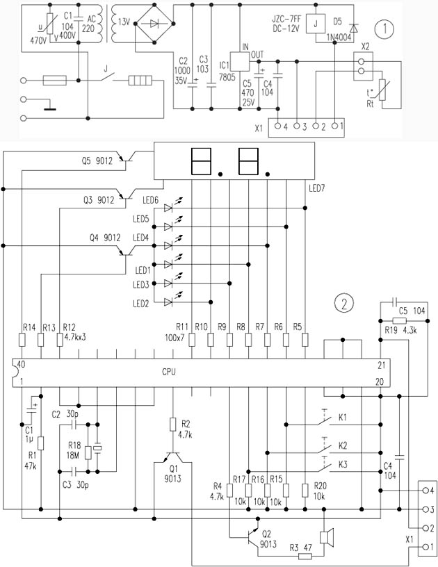
5、按键的损坏极为简单,大多为受潮而露电引起的某些功能失效或功能紊乱。半球电磁炉的电路图半球电磁炉的电路图
现在电磁炉维修量大,在实际维修中间歇性加热故障比较多见,也是维修人员对电磁炉维修的最大难点。电磁炉不加热是常见的电磁炉故障之一,首先检查各元气件是否松动,是否齐全。6、一台多丽c20b的电磁炉,故障为igbt损坏了,按键也不灵,串上灯泡进入维修测量,换上新的igbt和按键后开始试机灯泡一亮一灭,ok搞定,焊上保险,放上锅具出现间歇加热,此机无339是跟cpu做在一个整体的,一般这种问题都是换339就ok了,难道cpu挂了,细看发现电位器脚位有点锈迹,更换电位器ok了,确定为漏电南宁多丽电磁炉故障代码E0-电流过大..70度灯闪亮.E1-电压过低..100度灯闪亮.E2-电压过高..140度灯闪亮.E3-IGBT传感器开路或短路...200度灯闪亮.E4-电流信号过零检测270度灯闪亮.E5-炉面传感器开路或短路...火锅灯闪亮.E6-炉面干烧引起超温保护.保温灯闪亮.c20a多丽电磁炉,多丽c18b型电磁炉,多丽电磁炉c2ob(4)主板,多丽c21b(1),多丽c20b电磁炉,多丽c16e电磁炉,多丽c16a电磁炉,多丽c19b(2)电磁炉图纸。
本文来自电脑杂谈,转载请注明本文网址:
http://www.pc-fly.com/a/dianqi/article-95722-1.html
真的是做死啊
真的