b2科目四模拟试题多少题驾考考爆了怎么补救
b2科目四模拟试题多少题 驾考考爆了怎么补救

半球电磁炉e7_半球电磁炉故障代码e7_半球e7什么问题(39)

电脑杂谈  发布时间:2017-01-13 21:06:03  来源:网络整理

真牛,太厉害了,猫大哥。谢谢。

大猫哥,有没有关于吸尘器的资料.型号是:ZW1300-6型,海尔的.

谢谢楼主。。。。。。。。。。。。。。。。。。。。。

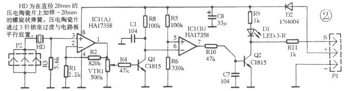
1Y7A热水器.gif600)this.width=600;"> 同一主题附件:

热水器的控制电路.jpg130)this.width=130;">

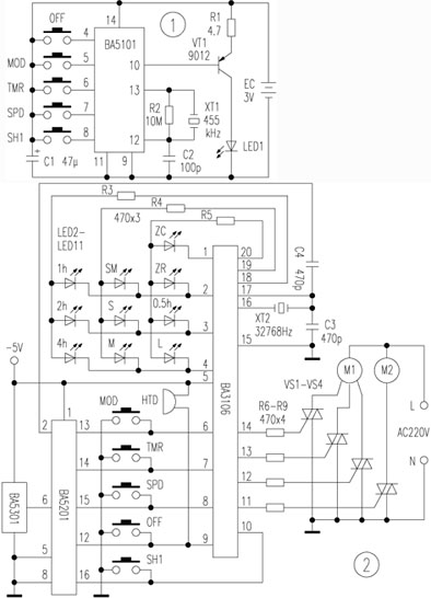
美的风扇电路.jpg130)this.width=130;">

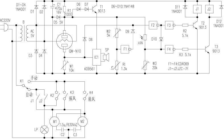
全自动抽油烟机控制电路.jpg130)this.width=130;">

希贵.gif130)this.width=130;">

红心牌微电脑电饭煲cfxb40-ds15.gif130)this.width=130;">

红外抽油烟机开关控制器.gif130)this.width=130;">

全自动洗手器.gif130)this.width=130;">

感应洗手器原理.jpg130)this.width=130;">

全自动多用途应急灯.gif130)this.width=130;">

美的家用洗碗机.jpg130)this.width=130;">

安吉尔饮水机.jpg130)this.width=130;">

1Y7A热水器.gif130)this.width=130;">

定时器.jpg130)this.width=130;">

XJ-1000空气清新机电路.bmp130)this.width=130;">

德生R9700型高灵敏度收音机电路图.jpg130)this.width=130;">

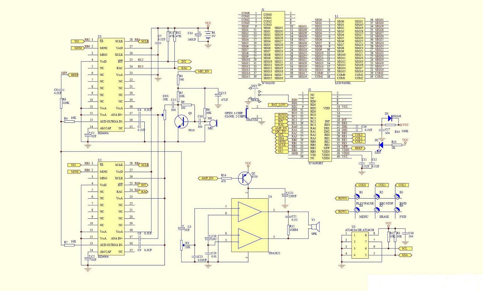
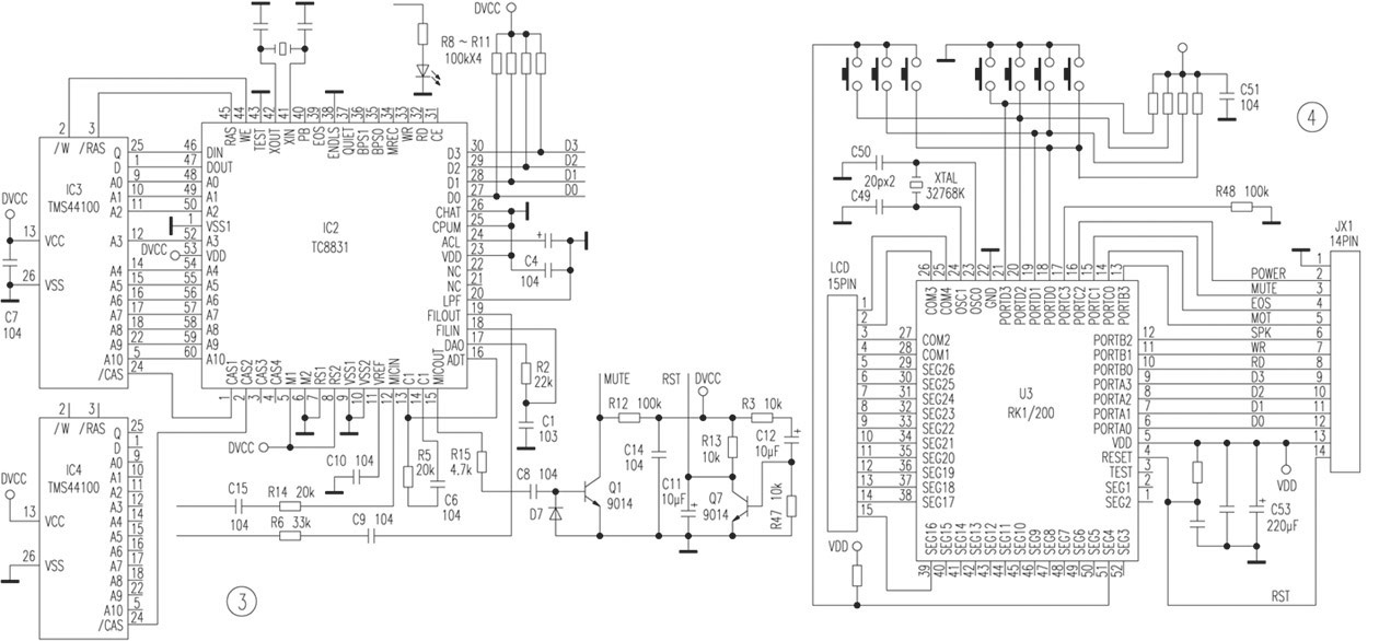
MP3原理图.rar (501.82 KB)

MP3线路图1.rar (373.01 KB)

MP3线路图2.rar (266.78 KB)

MP3线路图3.rar (572.26 KB)

MP3线路图4.rar (407.3 KB)

mp3的图纸1.jpg130)this.width=130;">

mp3的图纸2.jpg130)this.width=130;">

格兰仕微波炉.jpg130)this.width=130;">

半球HD-72消毒柜.jpg130)this.width=130;">

山特牌UPS-500型不间断电源1.jpg130)this.width=130;">

山特牌UPS-500型不间断电源2.jpg130)this.width=130;">

山特牌UPS-500型不间断电源3.jpg130)this.width=130;">

山特牌UPS-500型不间断电源4.jpg130)this.width=130;">

飞利浦SW2000有源重低音音箱电路1.jpg130)this.width=130;">

飞利浦SW2000有源重低音音箱电路2.jpg130)this.width=130;">

灭蚊灯.jpg130)this.width=130;">

汽车防盗电子线路图1.jpg130)this.width=130;">

汽车防盗电子线路图2.jpg130)this.width=130;">

.jpg130)this.width=130;">

录音笔.jpg130)this.width=130;">

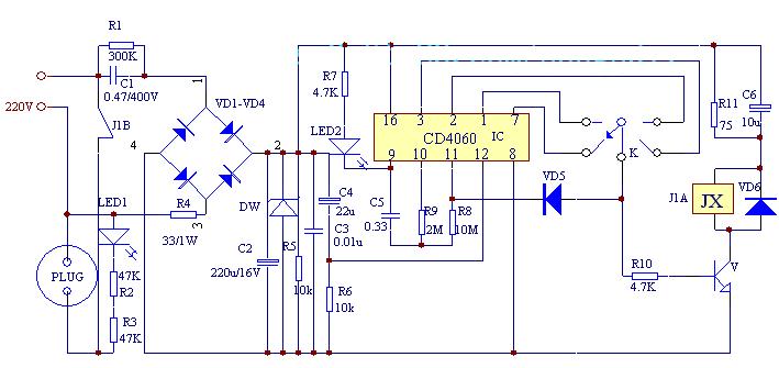
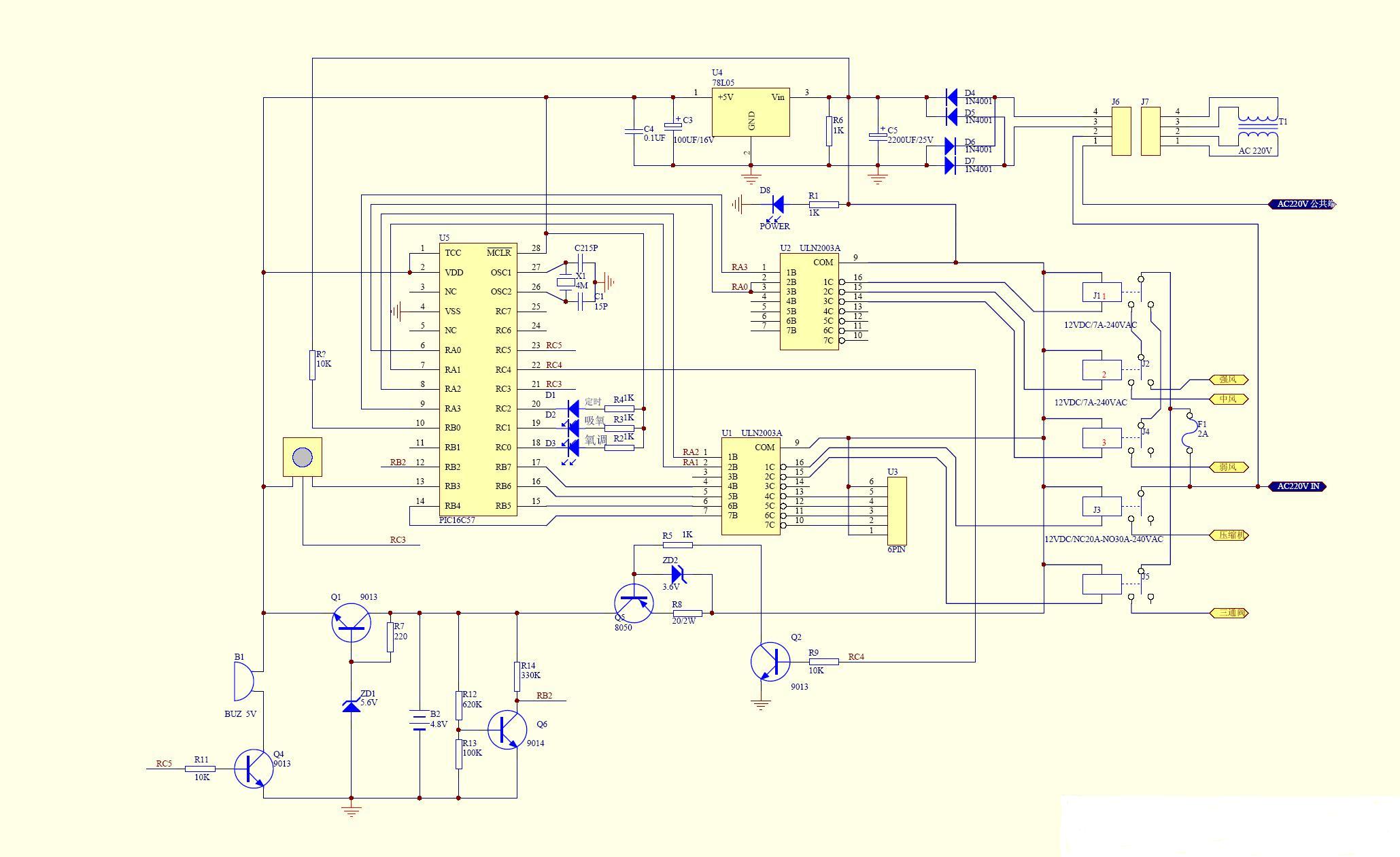
吸氧机.jpg130)this.width=130;">

HYT 好易通 TC2100 原理图.jpg130)this.width=130;">

32W日光灯 镇流器.jpg130)this.width=130;">

双灯管电子镇流器原理图.jpg130)this.width=130;">

红心牌微电脑电饭煲.jpg130)this.width=130;">

美的智能豆浆机原理.jpg130)this.width=130;">

樱花10升普排式燃气热水器.jpg130)this.width=130;">

电吹风.jpg130)this.width=130;">

利浦HS-308型电动剃须刀.jpg130)this.width=130;">

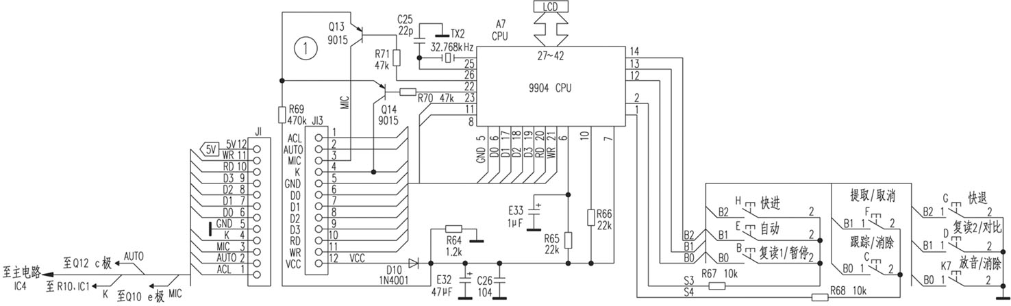
TCL王牌8120B复读机.jpg130)this.width=130;">

TCL王牌8120B复读机1.jpg130)this.width=130;">

荣事达XQB38-92型洗衣机.jpg130)this.width=130;">

幸福牌调光台灯工作原理.gif130)this.width=130;">

剃须刀充电器.gif130)this.width=130;">

格力KYTA-30B.jpg130)this.width=130;">

伟丰FR-15A.jpg130)this.width=130;">

振达牌冰热饮水机.jpg130)this.width=130;">

学之友ET-2000E型.jpg130)this.width=130;">

爱得乐EC-892型.jpg130)this.width=130;">

塑料袋封口机.jpg130)this.width=130;">

感应台灯控制电路1.gif130)this.width=130;">

感应台灯控制电路2.gif130)this.width=130;">

冲水感应控制电路.jpg130)this.width=130;">

煤气点火器电路.gif130)this.width=130;">

干手器的电路.jpg130)this.width=130;">

自动充电器.jpg130)this.width=130;">

自行车快速充电器.gif130)this.width=130;">

3842充电器1.jpg130)this.width=130;">


本文来自电脑杂谈,转载请注明本文网址:
http://www.pc-fly.com/a/dianqi/article-26101-39.html

相关阅读
    发表评论  请自觉遵守互联网相关的政策法规,严禁发布、暴力、反动的言论

    • 王金伟
      王金伟

      说的很客观也诚恳

    • 徐润菊
      徐润菊

      美军基地早就撤走了好吗

    • 黄立辉
      黄立辉

      对这种日子是满意的

    热点图片
    拼命载入中...