
专利名称: 灵敏度可调的声光控制延时开关的制造方法
技术领域:
本实用新型灵敏度可调的声光控制延时开关属于电子开关装置.
目前,为了节省能源,已经采用了延时断电开关. 其中,易于使用且先进的技术是声光控制延迟开关. 但是,电流开关具有以下缺点: 1.当光控制电路在早晨或黄昏开始工作时,白炽灯闪烁.
2. 语音控制灵敏度低. 根据实际测量,只有在声音强度超过72dB时才能启动开关. 而且灵敏度是不可调节的,因此不能适应不同场合的应用.
3. 他们中的大多数将双向晶闸管用作可控开关. 所需的触发电流很大.

4. 其中大多数不是两线制开关,使用不方便.
5. 没有软启动功能,启动时电流大,容易损坏电灯.
本实用新型的目的是提供一种灵敏度可调的声光控制延时开关,可以克服上述缺陷.
本实用新型的目的是实现一种灵敏度可调的声光控制延时开关. 由声音放大器和光控制电路的输出控制的触发翻转电路发出触发信号以启动单稳态延迟. 该电路控制晶闸管开关的断开并打开照明灯. 其特征在于,在光控制电路中,低压电源由光敏电阻器R0和电容器C3以及与R0并联的电阻器R2作为对集成电路IC的光控制信号而被分压. 内部整形电路,即IC的3引脚,IC的1、2、3和4引脚的内部电路以及连接在2和3引脚之间的电阻器R11构成同相整形电路,并将输入到IC 3引脚的光控制信号整形. IC的引脚2通过二极管D2将施舍光控制信号输出到施密特触发器,强制将其设置为0,即IC的引脚5;放大的声音信号通过二极管D1添加到IC. IC 5、6、8、9引脚和5、8引脚内部电路两端的电阻器R5,IC 6、9引脚之间的电阻R6 IC,电容器C6连接到IC的9引脚,C6的另一端也连接到接地IC的9引脚,该引脚还连接到由可调电阻W形成的施密特触发器形成的触发器翻转电路的输入端,即IC的9引脚; IC的6引脚是触发翻转电路的输出端子. 调节W可以改变应用范围. Mitt触发器的翻转电平可以改变声光控制开关的声控灵敏度;当声音信号存在且光控信号为低电平时,IC的第6脚有高电平触发信号输出,通过电阻R7,二极管D3加到晶体管T1的基极,连接T1的集电极至T2的基极,该点还连接至电阻器R8的一端,R8的另一端连接至整流高压电源; T1的集电极也连接到电容器C7的一端,而C7的另一端接地. T1 1. T2的发射极接地,T2的集电极连接到电阻R9的一端,R9的另一端连接到整流的高压电源. T2的集电极与电容器C8接地,并通过电阻R10与晶闸管控制电极相连. 声光控制开关的两个外部输入端口经过全波桥式整流后,热敏电阻Rt接地,阳极连接高压电源. R8和C7是充电延迟元件. 触发被触发后,开关打开并且灯打开. 它降低到晶闸管的正向压降,约为1伏. 该电压通过R8充电到C7. 当C7上的电压达到0.6伏时,T2接通,并且T2集电极电压降至近0伏. 晶闸管被切断,灯熄灭; R8和C7确定灯点亮的延迟时间;因为晶闸管的正向压降用作延迟电路的工作电压声光控延时开关电路,所以延迟开关引线只有两端.
本实用新型灵敏度可调的声光控制延时开关采用触发电平可调的施密特触发器作为触发翻转电路,方便调节声控灵敏度.
以下基于附图和实施例给出本发明的详细结构.

已附加
图1是灵敏度可调的声光控制延迟开关的框图.
图2是电路图.
在图2中示出了具有可调灵敏度的声光控制延迟开关的实施例电路. 2.
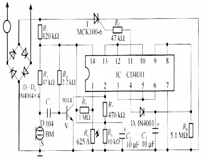
麦克风M接收到的声音信号通过电容器C2耦合到集成电路IC的13针. 两级线性放大器由IC的13、12、11、10引脚的内部电路以及电阻R3和R4电容器放大组成. 放大后的声音信号通过IC 5、6、8、9的内部电路以及电阻器R5,R6,可调电阻器W和电容器C6通过施密特触发器添加到触发器电路的IC中. 二极管D1 9针输入端子. 调整可调电阻W可以改变施密特触发器的翻转电平,从而改变语音控制开关的语音控制灵敏度. W短路时灵敏度最高,并且打开声音强度可以小于40dB. 调节W可以在40dB至80dB之间改变打开声音的强度.
光控制电路由IC的引脚1至4的内部电路,电阻器R0,R2,R11和电容器C3组成. 低压电源由光敏电阻R0和电阻器R2分压,并作为光控制信号施加到IC的3引脚. 当光线较强时,光敏电阻R0小于R2,并且在通过R0和R2分压后施加到IC 3引脚的电压大于1/2 Vcc(Vcc是低压电源电压),通过由IC的引脚1至4的内部电路和电阻器R11组成的同相整形电路进行整形后,高电平“ 1”由IC的引脚2输出,并被隔离并输出二极管D2到施密特触发器的强制设置为0端子,即IC的5引脚,触发器翻转电路设置为0,其输出端子为IC的6引脚. 为低电平“ 0”. 无论是否有声音,都不会输出触发信号. 当光线较弱时,R0> R2,IC的引脚3的电压小于1 / 2Vcc,低电平“ 0”在整形后由IC的引脚2输出,并由D2隔离,并且当声音信号通过D1并发送到施密特触发器的触发器输入端子(即IC的第9引脚)时,触发输出端子(即IC的第6引脚) IC为高电平“ 1”. 该高电平通过电阻器R7,并且二极管D3作为单稳态延迟电路的触发信号被发送到三极管T1的基极. 单稳态延迟电路由电阻器R7,R8,R9二极管D3,电容器C7,C8,晶体管T1,T2组成. 二极管D4〜D7,单向晶闸管SCR,电阻器R10,热敏电阻Rt构成具有软启动功能的晶闸管开关电路.

当触发翻转电路的输出端子(即IC的引脚6为低电平)时,晶体管T1截止,T2的基极通过R8充电至C7至0.6V,T2导通, T2的集电极电压Vc2为低. 晶闸管关闭,指示灯熄灭. 当触发电路输出触发信号时,IC的引脚6为高电平,T1导通,C7通过T1快速放电,T1集电极电压Vc1为低电平,T2关断,Vc2升高,晶闸管SCR打开了光. 当SCR接通时,热敏电阻Rt很大,这限制了启动时流过白炽灯的电流. 随着电流流过Rt,Rt变热,电阻减小到几乎短路,因此对灯的影响可以忽略不计. 这样不仅实现了软启动功能,而且对灯光也没有不良影响.
当灯熄灭时声光控延时开关电路,T1和T2的D4〜D7对220V交流电进行整流,作为低压电源的R12和R13降低电压,为IC提供工作电压. 灯点亮后,D4-D7之后的电压下降至约1伏(晶闸管打开时的正向电压降),并且IC掉电并且不工作. 大约1伏的电压用于通过R8对C7充电,并且充电时间取决于R8和C7的大小,通常需要60秒左右的时间. 60秒后,C7上的电压达到导通T2的电平(约0.6伏),T2导通,T2的集电极电压Vc2低,晶闸管关断,灯熄灭. 完成一次打开和关闭语音控制的功能. 由于T1集电极连接到T2基极并且T2集电极通过R10连接到晶闸管SCR控制极,尽管T1和T2经过220V整流,然后由R8和R9供电,但它们都在低压状态下工作,并且可以选择低功率低压晶体管. 降低了成本.
当灯点亮时,晶闸管SCR导通,而在关闭电源时IC不工作. 打开和关闭灯管时,通过D4-D7对220V AC进行整流,并通过R12,R13,C5对其进行降压和滤波,以为IC电压提供功,因为这是一个弱周期,所以光敏电阻R0> R2中,光控电路未将触发电路设置为0,并且由于IC刚加了电压,即使没有外部声音信号,由于各种因素,这种不确定性也会导致触发电路的输出不确定. 如果输出较高,则灯泡将再次打开,导致灯泡闪烁并在无声音时打开. 为了避免这种现象,电路电容器C3中的光敏电阻跨R0并联连接. 这样,在IC通电时,由于存在C3,所以光控制输入信号为高电平,迫使触发翻转电路设置为0,从而使光熄灭,并且它将一直亮起而不会闪烁. 强制为零的时间由R0和C3的大小确定,可以小于0.3秒. 这不会引起后续声音触发信号无法立即触发的问题.
本实用新型灵敏度可调的声光控制延时开关还具有调节简单的特点,只要按图完成组装,几乎不需要调节.
本实用新型灵敏度可调的声光控制延时开关,特别适用于走廊,走廊,厕所,汽车存放棚等公共场所的照明开关. 调节W以使防盗报警当灵敏度高时.
作为一个实施例,组件的值如下: R0为MG45-32光敏电阻; R1 = R7 =10KΩ; R2 =100KΩ; R3 = R4 = R5 = R6 =1MΩ; W是300K可调固态电阻; R8 = R9 =470KΩ; R10 =430Ω; R11 =820KΩ; R12 = R13 =51KΩ; C1 = 1500PF; C2 = = C6 = C8 =0.01μF; C3 =1μF; C5 = C7 =100μF; M是驻极体麦克风; D1〜D3为IN4148; D4〜D7为IN4007; SCR是1A400V单向晶闸管;

该IC由两级线性放大器,两个NOT门和施密特触发器组成.
声明1.一种声光控制的延迟开关,其灵敏度可调. 由声音放大器和光学控制电路的输出控制的触发翻转电路发出触发信号,以启动单稳态延迟电路来控制晶闸管. 开关打开,照明灯打开. 其特征在于,在光控制电路中,低压电源由光敏电阻器R0和电容器C3以及与R0并联的电阻器R2作为光控制信号被分压,并被加到整形电路的输入端. 在集成电路IC的一端,即IC的3引脚,IC的1、2、3和4引脚的内部电路以及连接在2和3引脚两端的电阻器R11形成一个相位整形电路对从IC的3引脚输入的光控制信号进行整形. IC的引脚2通过二极管D2将施舍光控制信号输出到施密特触发器,强制将其设置为0,即IC的引脚5;放大的声音信号通过二极管D1添加到IC的引脚5、6和5. 8.电阻器R5连接在引脚9的内部电路与IC的引脚5和8之间,电阻器R6连接在IC的引脚6和9之间,电容器C6连接到IC的引脚9, C6的另一端接地,并且IC 9的引脚也连接至由可调电阻W形成的施密特触发器形成的触发器翻转电路的输入端子,即IC的引脚9; IC的6脚为触发翻转电路的输出端,调节W可以改变施密特触发器的声音翻转电平,从而改变了声光控制开关的声控灵敏度;当存在声音信号且光控信号为低电平时,IC的6引脚具有高电平触发信号输出,该信号通过电阻R7和二极管D3的T1基极加到晶体管上,T1集电极连接到T2基极,该点还连接到电阻器R8的一端,R8的另一端连接到整流的高压电源; T1集电极也连接到电容器C7的一端,C7的另一端接地. T1,T2的发射极接地,T2的集电极连接到电阻R9的一端,R9的另一端连接到整流高压电源; T2集电极与电容器C8接地,并通过电阻R10与晶闸管控制电极相连;晶闸管的阴极通过热敏电阻Rt接地,阳极通过声波和光控开关的两个外部输入端口全波桥式整流后连接到高压电源. R8和C7是充电延迟元件.
2. 2.根据权利要求1所述的灵敏度可调的声光控制延时开关,其特征在于,所述集成电路IC可以选择CMOS的六个反相器,例如CO33,CD4069,MC14069等.
专利概述本实用新型的灵敏度可调的声光控制延时开关属于电子开关装置. 它由两级放大器,光控制电路,触发翻转电路,单稳态延迟电路和晶闸管开关组成. 本实用新型具有在光强度(> 1LX)时关闭,在光弱时通过声音控制打开,延迟关闭的功能. 声音控制的灵敏度是可调的(声音强度在40dB至80dB之间可调). 用于公共场所协同照明开关,使用时性能可靠,无闪烁,具有软启动功能. 而且只有两条引线,与常用的开关相同.
文档编号H05B39 / 04GK2183648SQ9324486
公开日期1994年11月23日申请日期1993年11月22日优先权日期1993年11月22日
发明家张少人,郭其芳,李刚申请人: 张少人,郭其芳,李刚
本文来自电脑杂谈,转载请注明本文网址:
http://www.pc-fly.com/a/dianqi/article-230424-1.html
马总
電商等造福大眾的行業