
开关是一种电器,它使用触点的闭合和断开来接通和断开并控制电路. 它通常是用手操作的,因此它也是一种非自动开关电器. 常用的低压电气开关包括刀开关,转换开关和自动开关.
低压开关主要用于低压配电系统和电气控制系统中,以不经常打开和关闭电路,切换电源或负载,有些还可以用作直接启动控制. 因此,低压开关也称为低压隔离器,是一种结构相对简单,在低压电器中具有广泛应用的手动电器. 主要有刀开关,组合开关,转换开关等. 以下以HK2系列刀开关为例进行说明.
低压刀开关,也称为刀开关,是用于连接或切断电路的手动低压开关. 当使用低压刀开关打开和关闭电路时,刀片和刀架之间会产生电弧. 电路电压越高,电流越大,电弧越大. 电弧会烧坏刀,在严重的情况下会伤人. 因此,低压刀开关一般用于电流不超过500A,电压不超过500V的不频繁开闭电路中.
低压刀开关类型很多,常用的有开负荷开关,铁壳开关和组合开关.
开放式负载开关是所谓的胶木叶片开关. 胶木刀片开关的底座是瓷板或绝缘底板,而盖是绝缘胶木. 该刀形开关的特点是结构简单,操作方便,因此广泛用于低压电路.
开放式负载开关主要用作不经常启动的5.5kW及5.5kW以下的照明电路和小容量电源电路的控制开关.
开路负荷开关的瓷座配有导线入口,静触头,熔体,导线出口和带有瓷柄的刀型动触点,并用橡胶盖覆盖以防止在操作过程中接触带电体操作,否则断开时产生的电弧会伤人.
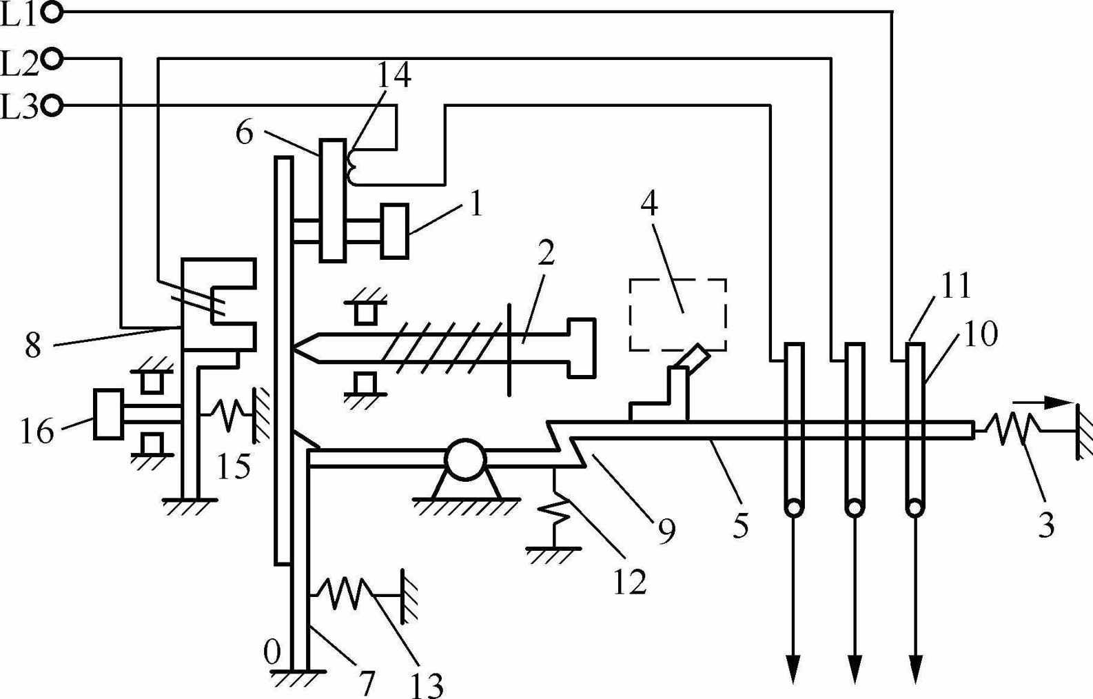
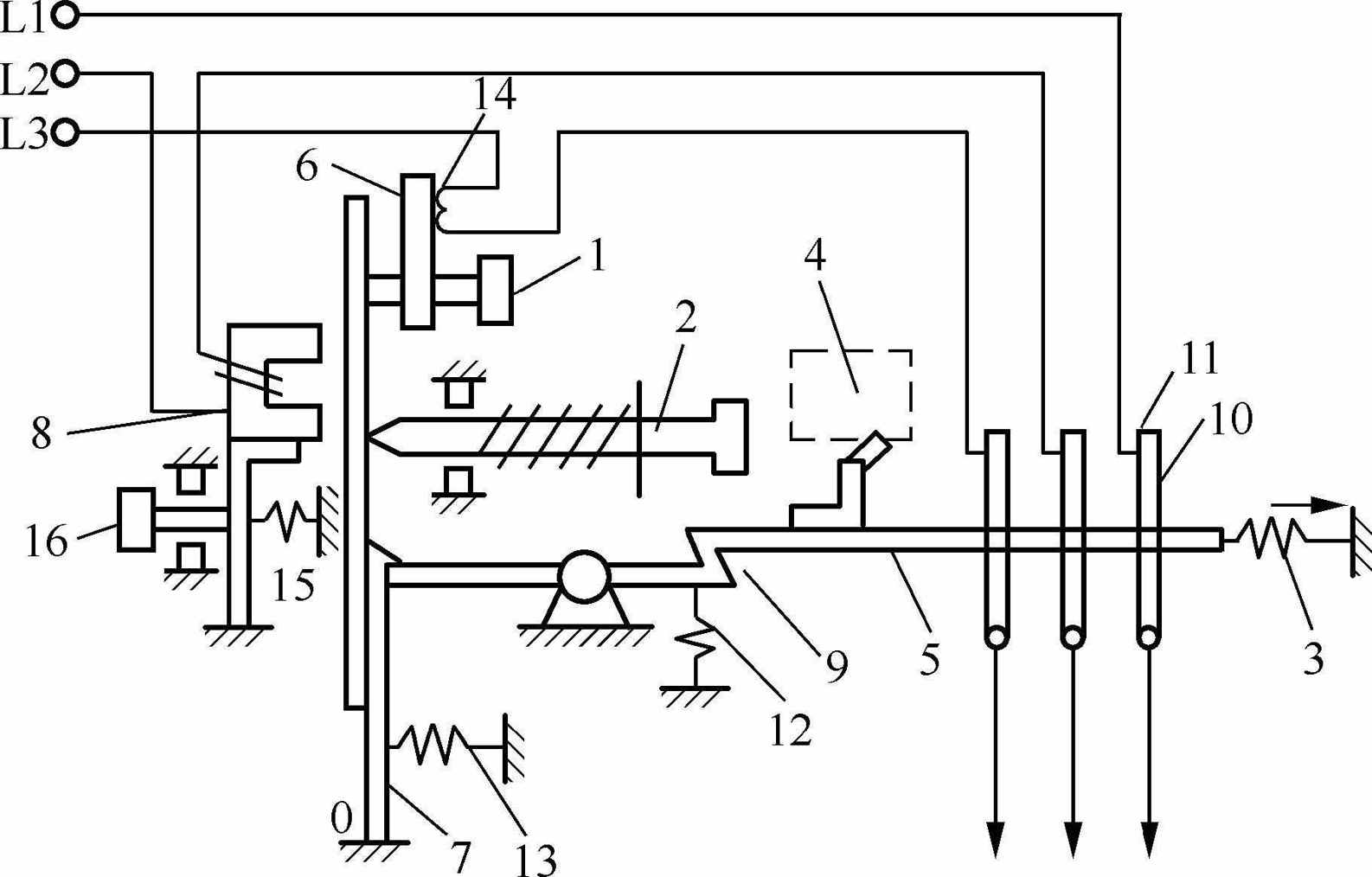
HK2系列瓷器底胶盖刀开关(俗称门刀)的结构如图1-46所示,它由保险丝,接触刀,接触座,操作手柄和底座组成. 使用时,将电缆入口座连接到电源端线,将出口座连接到负载端线,并通过接触刀和接触座的接触来连接和断开电路. 图1-47显示了刀开关的图形符号和文本符号.

图1-46HK2系列瓷器底胶盖刀开关
1-陶瓷手柄2-移动触点3-插座底座4-陶瓷底座5-静态触点6-入口电线底座7-塑料帽紧固螺丝8-塑料帽


图1-47刀开关的图形和文字符号
安装刀开关时,手柄应朝上,并且不应倒置或平放. 翻转时,手柄可能会因自重而向下滑动,从而可能导致合闸错误并造身安全事故. 接线时,将电源线连接到保险丝的上端,将负载线连接到保险丝的下端. 拉动制动器后,刀开关与电源隔离,易于更换保险丝.
铁壳开关,也称为闭合负载开关,主要由闸刀,保险丝,夹具座,铁壳等组成. 其外观和内部结构如图1-48所示. 它和普通的刀开关的不同之处在于,它配备有连接到旋转轴和手柄的快断弹簧. 快速断裂弹簧的功能是快速连接和断开刀片与夹具座,从而使电弧迅速熄灭. 为了确保安全,铁壳开关配有机械联锁装置,因此在关闭开关后不能打开盖子. 当盖子打开时,开关无法关闭.

图1-48铁壳开关的外观和内部结构
铁壳开关适用于工矿企业,农村电力排灌,电采暖,照明等配电设备. 它用于不经常手动连接和断开电路,并作为线路末端的短路保护.
组合开关也称为转换开关. 其结构与上述刀开关不同. 通过驱动旋转轴实现触点的闭合和断开. 它也是一个手动控制开关. 转换开关的形状,符号和结构如图1-49所示. 转换开关的通断能力低,通常用于小容量电动机的直接启动,电动机的正向和反向控制以及机床照明控制电路. 结构紧凑,体积小,操作方便.

图1-49组合开关的结构和符号
常用的转换开关包括HZ1,HZ2,HZ3,HZ4,HZ10和其他产品. 其中,HZl0系列转换开关具有寿命长,使用可靠,结构简单等优点. 各种组合开关的外观如图1-50所示.


图1-50各种组合开关的外观
低压断路器,也称为自动空气开关,可用于分配电能,不频繁启动异步电动机,保护电动机和电源,并具有过载,短路和欠压等保护功能.
低压断路器的结构如图1-51所示. 使用低压断路器时,电源线的L1,L2和L3端子为负载端子. 在手动闭合之后,动触头和静触头闭合,跳闸连杆9被闩锁7的钩钩住,并且它再次钩住闭合连杆5,从而使触头保持闭合状态. 加热元件14与主电路串联连接,并且当电流流动时产生热量,使得热释放器6的下端向左弯曲. 当发生过载时,热脱扣单元6弯曲以将脱扣锁定钩推离脱扣连杆,从而松开闭合连杆,并且动触点和静触点通过弹簧3迅速分离. 电磁释放器8带有线圈几匝与主电路串联连接. 当发生短路时,电磁释放器8使铁心上部的吸力大于弹簧的反作用力,跳闸锁定钩向左旋转电气符号接近开关符号,最后触点断开. 同时,电磁脱扣器还具有欠压保护功能,使断路器在电路过载,短路和欠压时起保护作用. 如果需要手动跳闸,可以通过按按钮2断开触点. 只要热跳闸装置要求的弯曲程度和电动机的磁芯机构的气隙大小,就可以设置跳闸装置的跳闸值. 电磁跳闸装置可以更换. 当低压断路器由于过载而断开时,应等待2至3分钟,然后再重新闭合,以确保热跳闸单元返回到其原始位置.

图1-51低压断路器的结构原理
1-热释放设置按钮2-手动释放按钮3-跳闸弹簧4-手动关闭机构5-关闭连杆6-热释放7-锁钩8-电磁释放9-跳闸杆10、11-移动静触头12、13 –弹簧14 –加热元件15 –电磁跳闸弹簧16 –调节按钮
(1)安装了设备的低压断路器. 也称为塑料壳低压断路器,由绝缘材料制成的封闭壳将所有组件组装在一起,并用作配电网络的保护以及电动机,照明电路和电器的控制开关. 主要型号有DZ5,DZ10,DZ20等系列.
(2)通用低压断路器. 也称为开放式低压断路器,它具有带绝缘基板的框架结构基座,并且所有组件都组装在一起以保护配电网络. 主要型号是DW10和DW15.
(3)限流断路器. 利用短路电流产生的巨大吸引力,可以快速断开触点,并在交流短路电流达到峰值之前切断故障电路. 它用于短路电流大(最大70kA)的电路中. 主要型号是DZX10和DWX15.
(4)快速断路器. 使用快速的电磁铁和强大的灭弧装置,最快的动作可以在0.02s内完成,用于保护半导体整流器设备和整流器. 主要型号是DS系列.

低压断路器的图形符号和文本符号如图1-52所示. 通用低压断路器的外观如图1-53所示.

图1-52低压断路器的图形符号和文本符号

图1-53通用低压断路器的外形图
1-天空弧盖2-开关本体3-抽屉座4-关闭按钮5-打开按钮6-智能释放7-摇柄插入位置8-连接/测试/分离说明
国产DZX10和DW15系列低压断路器的主要技术数据分别如表1-6和表1-7所示.
表1-6 DZX10系列断路器的技术数据

表1-7 DW15系列断路器的技术数据


(1)低压断路器的选择应注意以下问题.
①低压断路器的额定电流和额定电压应大于或等于电路和设备的正常工作电压和工作电流.
②低压断路器的极限分断能力应大于或等于电路的最大短路电流.
③过电流脱扣器的额定电流大于或等于线路的最大负载电流.
④欠压脱扣器的额定电压等于线路的额定电压.
(2)低压断路器的使用应注意以下问题.
①安装低压断路器时,请注意将电源的母线连接到开关灭弧器一侧的端子,将电气设备的母线连接到另一端的端子. 一侧.
②低压断路器在投入使用时应首先进行设置电气符号接近开关符号,并根据需要设置热断路器的工作电流. 以后,不要随意转动相关的螺钉和弹簧.
③发生开路或短路事故后,应立即清洁触点以检查其是否熔化,并清除金属颗粒和灰尘,特别是散布在绝缘子上的金属灰尘.
④在正常情况下,应每6个月检查一次开关以清除灰尘.
使用低压断路器来实现短路保护要比保险丝更好,因为当三相电路短路时,很可能只有一相的保险丝会烧断,从而导致单相熔断. 相操作. 对于低压断路器,只要引起短路,开关就会跳闸,并且三相将同时切断. 低压断路器还具有其他自动保护功能,因此具有优越的性能. 但是,它结构复杂,工作频率低,价格高,因此适合要求较高的场合(例如主配电板). xIWPwFIPhhHGXMp9Sv7nfzaSZb06kMKUi17yy8 + 6wsYY9a1 / KnYxLsQzPV / ICK37
本文来自电脑杂谈,转载请注明本文网址:
http://www.pc-fly.com/a/dianqi/article-190856-1.html
相信党和国家
降低定期存款利率等于变相降【税】
得治
美国的最终目的就是把世界上所有的大国分割成小国