![]()
大家好,我是小豆. 在本期中,我们介绍了在使用相烧电动机的过程中三相电动机的故障. 首先,我们的三相电动机烧坏的原因是过载,缺相等,那么我们实际上正在修理如何在中国防止此类故障?
第一: 相序保护器. 以下图中的相序保护器为例. 三相四线制,输入三根火线和一根零线自动复位过电压保护器,过电压保护器,自动过电压保护器,单相过电压保护器,过电压,欠电压保护器,可重设的过压,欠压保护器.

控制电路采用高速微低功耗处理器为核心,磁保持继电器为主电路,采用模块化标准设计. 当电源线出现过压或欠压时,保护器可以快速安全地切断电路,避免因异常电压传送到终端设备而引起事故. 当电压恢复到正常值时,保护器将在指定时间内自动连接电路,以确保终端设备在无人看管的情况下正常运行.
第二个: 中间中继,此时我们可以使用中间中继,

接触器,我们在控制电路中都使用大型接触器,因此我们可以使用继电器来控制接触器.
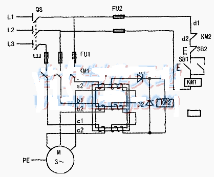
最具成本效益的电机三相设备缺相保护器,大家看电路图,L1 --- L2--L3,三相电源,L1绿色进入接触器线圈,L2蓝色电线进入中间继电器线圈,L3一个进入常闭的停止按钮,另一个进入中间继电器的常开. 停止按钮进入SB2启动按钮后,同时并联连接到中间继电器KA的常开,启动按钮进入继电器的线圈,KA继电器的常开触点进入继电器的线圈

操作演示: 按下启动按钮,中间继电器处于电气自锁状态. 这时,KA继电器的常开触点闭合,接触器电气闭合.
如果现在-L3线路断开,此时L3断电,由于继电器线圈丢失,接触器断开,接触器断电.
如果: L2断电,继电器线圈断电,常开触点断开,接触器断电并停止.
如果: L1断电,则接触器将断电并直接断开连接缺相保护器工作原理,

最简单可靠的三相电动机缺相保护电路,谢谢阅读.
本文来自我,小豆缺相保护器工作原理,最初的出发点是我是小豆
将对原创作品,假冒产品进行调查
谈话很简单. 如果有任何遗漏或需要添加,请在底部留言. 欢迎给我一个夸奖!
本文来自电脑杂谈,转载请注明本文网址:
http://www.pc-fly.com/a/dianqi/article-173924-1.html
这样他就有理由制裁在国际上摸黑我们了
当年electricshock的精灵们回到曾经的森林去寻找回忆
强烈建议大家更新后抹除所有数据
雷达探测精度和灵敏度