
这周有很多事情,它们汇聚在一起,可能只有这件事.
BMS中控制器的主要功能之一是驱动外部高压继电器. 下图(来自Panasonic官方网站)确定了继电器在汽车内部电源电路中的位置. 这些继电器需要控制信号来驱动它们.

实际上,继电器和接触器之间的区别有点模糊. 通常大功率继电器驱动方式,在高功率场合它被称为接触器,在低功率场合它被称为继电器,以及在生活中如何称呼它. 此处不讨论区别. 下图是TE官方网站上的说明;为了统一语言,本文称为中继.


BMS中涉及的继电器适用于高电压和高电流场景;它属于直流电磁继电器,输入电路中的控制电流为直流. 通常它由铁芯,线圈,金属触点,弹簧等组成. 您可以参考下图(来自Panasonic官方网站). 中继中有很多东西,我们以后必须总结一下.


电磁继电器的工作原理如下图所示(长时间绘制,让我们看一下): 当线圈中没有电流时,连接件和触点都没有插入接点,此时继电器的两个接点均处于断开状态;当驱动电流流过线圈时,线圈和铁芯变得等效于电磁体,然后对铁片产生吸引作用. 由于铁片是固定的,并且铁芯可以上下移动,所以当吸引力大于弹簧的拉力时,铁芯向上移动,然后连接件接触触点,继电器处于导电状态.

驱动保护电路包括线圈和触点的保护. 本文主要讨论线圈的驱动保护电路.
驱动电路的驱动方法有很多(如下所示)大功率继电器驱动方式,BMS中继电器线圈的常用驱动方法是高端驱动(HSD,图a),低端驱动(,图b) ),并且有两个同时使用(图e). 可以简单地理解,高端驱动器将开关置于电源,而低端驱动器将开关置于GND.

在当前的高端驱动电路和低端驱动电路中,越来越多的集成MOSFET驱动器用作开关. 它们的优点是控制简单,电路实现简单,诊断接口丰富. 给出一个示例(如下图所示),例如ST的高端驱动器芯片,该芯片集成了丰富的保护和诊断功能供用户使用.


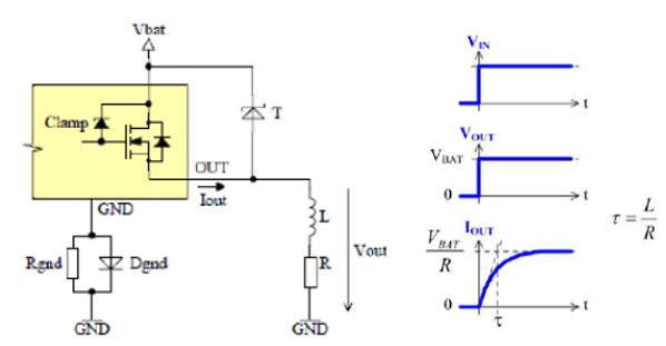
让我们看看当线圈由高端和低端电路驱动时的情况. 以下是高端驱动电路. R是线圈的等效电阻,L是线圈的等效电感. 当PMOS导通时,线圈的电流呈指数增加,直到电流达到Vbat / R.

当PMOS从导通状态断开时,在断开时,由于电感器的电流不能突然变化,根据电磁感应定律,线圈上会产生反向感应电动势以抵抗降低电流时,它将叠加在PMOS管DS的两端,如果超过其最大耐压,则会损坏PMOS管. 因此,我们需要在输出端增加一个钳位电路(下图中的TVS管)以保护MOS管.
类似地,低侧驱动电路的情况与此类似.

摘要:
本章首先理顺了整个继电器驱动电路的逻辑关系,介绍了主要概念等. 下一篇文章详细总结了保护电路的原理和计算方法;
本文来自电脑杂谈,转载请注明本文网址:
http://www.pc-fly.com/a/dianqi/article-169122-1.html
才终感知
而且
果断刷机了
将来