
看下面的图片:
b是具有通电延迟的时间继电器线圈,c是具有断电延迟的时间继电器线圈. 图d和e通常与通电延迟时间继电器一起使用,而图f和g与断电延迟时间继电器一起使用.

请注意,时间继电器触点的作用方向是弧指向圆心. 因此,图d的作用方向为延迟关闭,图e的作用方向为延迟开启. 图f的作用方向是延迟闭合触点的断开通电延时继电器符号文字记忆,图g的作用方向是断开触点的延迟闭合.
看下面的图片:

从顶部开始,第一和第二张图是通电延迟时间继电器的时序图,第三和第四张图是掉电时间继电器的时序图.
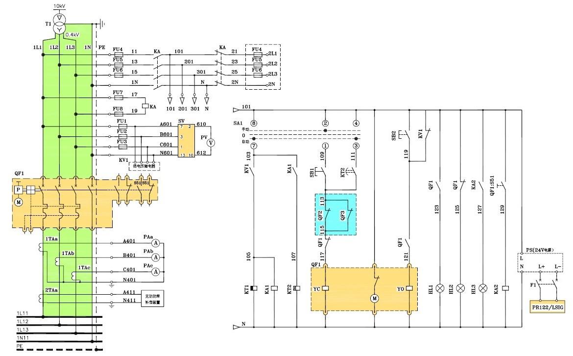
让我们看一下下图. 该图是低压1级进线控制的:

左图是主电路. KV1是电压继电器. 电压正常时,KV1闭合;当电压异相时,KV1返回打开状态.
查看右侧的控制系统. 当KV1闭合时,断电延时继电器KT1线圈(线路105)通电,其触点动作;当KV1返回时,KT1将判断延迟一段时间. 如果KV1不再闭合,则断电延时继电器KT1将起作用.
请注意,KT1的中继延迟时间的符号中有一个黑色的矩形区域.

查看右侧控制系统的通电延迟时间继电器KT2: 当KV1闭合时,中间继电器KA1的线圈(105行)被通电并闭合,从而使通电延迟时间继电器KT2线圈( 107)通电. 延迟KT2后,将激活其延迟动作的常开触点(线111),以使断路器和合闸线圈YC(线117)通电通电延时继电器符号文字记忆,并使断路器闭合.
通电的延迟时间继电器线圈符号具有交叉的矩形区域.
因此,您可以从线圈符号和触点符号中判断时间继电器是通电还是断电.
下图是母线断路器的控制原理图:
请注意,KT1断电延迟时间继电器的触点307-319上.
本文来自电脑杂谈,转载请注明本文网址:
http://www.pc-fly.com/a/dianqi/article-151029-1.html
到天亮都招呼不完
再会赌的赌徒
包装都啥时候的了