
CT(Current Transformer)就是一种用于测量电压信号的器件,本质上就是一个变压器。相较于霍尔器件比较便宜,但是因为励磁电阻的存在,所以测量到的电流会有一些原理上的偏差。不过针对电流大小本来精度要求不高的场合可以发挥巨大的功效。以上都是我自己对于CT的粗浅理解,在做项目的过程中也有第一次使用CT,想把自己的一些理解跟使用心得与你们分享。
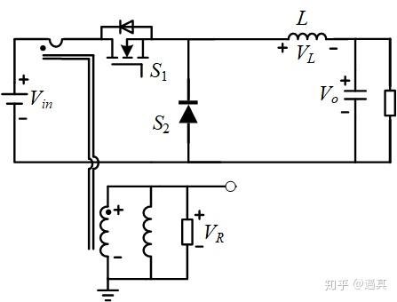
主功率拓扑为BUCK,CT用作输入侧的阀值电流讯号测试,如下图

峰值电流测试
通过控制外环给出峰值电流参考信号,由CT获取电流瞬时信息,即图中的 ,送入后面的比较器,给出
的关断信号。因此CT的作用也就是将输入功率转换为电流信号。具体副边绕组为什么是图中的接法,文章里面将进行预测。

CT本质就是一个变压器,众所周知,变压器的等效模型如图所示

变压器等效模型
其中,左侧为T模型,右侧为理想变压器。 、
为原边电阻和原边漏感感抗,
、
为副边折算到原边的阻抗。
和
为励磁阻抗。
这个模型很复杂了,不方便我们探讨。实际上,漏感还有寄生的阻值相对于电枢电流和励磁电感都非常小电流互感器测试备用,而 相对于
又大太多,所以为了建模的简化分析,得到下面简化模型


简化的变压器模型
简化的建模中只是保留了栅极感抗对应的 以及理想变压器。其中
我们必须的是
,或者近似相同,才能推动电流的测试。那么图中的
应该怎样消除?应该满足什么样的条件能够促使
。
由于 ,只要
足够小,就可以忽略励磁电阻电流部分,因此通常会设计促使励磁电感足够大,从而推动信号的转化。

另一方面,励磁电感实际上就是一种电感。根据我之前写的专栏提及,电感会存在饱和的问题,如果励磁电流太大,电感磁芯将发生饱和, 将变小,
相对于
将不能再忽略不计,CT的副边的电流才会不再满足
,就会出现测试信号失真的状况。另外,
中的一大部分将借助励磁电阻流过,会导致变压器的发热,甚至损坏。综上所述,CT在使用的之后需要应留意避免饱和。
由于励磁电感在原边还是副边都是等效的(相差一个变比系数),信号提取都在副边,因此为了便于,将励磁电感折算到副边。如图所示

CT简化等效模型
如果应促使励磁电感不出现饱和,励磁电感必须满足伏秒平衡,即正电压一个周期内对时间的积分必须等于负电压对时间的积分。因此励磁电感上在一个开关周期中需要有正压,也有负压。考虑测试信号必须将功率信号转化为电压信号,最简单的方法就是利用电阻。这里把主电路也一起画出,如图所示


利用电压将功率信号转化为电压信号
S1开通时,输入电流信号将在CT副边电阻上形成VR的电流,故 上电压为
;S1关断时,励磁电感电流不能突变,经过电压R续流,所以
上电压为
。那么励磁电阻上正负电压都有,但是即使占空比
0.5' />电流互感器测试备用,一个开关周期内励磁电阻将不满足伏秒平衡,因此我们必须构造出更大的负压,即借助以下电路

S1关断时,通过稳压管续流,稳压管提供一个比较大的钳位电压,从而确保了CT上的伏秒平衡。同时VR也可以成为中间必须使用至的峰值电流信号。
我使用的是coilcraft生产的CST系列,这里列举其中一个系列的机型参数

主要应该关注的参数以及作用为
以上就是关于CT的一些个人理解跟介绍,如有错误希望你们指正。喜欢的话点个关注~
本文来自电脑杂谈,转载请注明本文网址:
http://www.pc-fly.com/a/dianqi/article-134587-1.html
自投罗网
么么哒哈哈
这是赤裸裸地干涉别国内政吧