

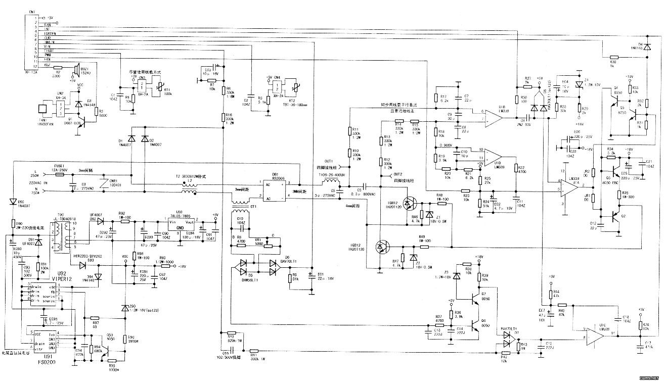
【采用变压器降压的电磁炉】:

崇文区热水器修理变压器功能:是将220v交流电转换为低电压交流电的设备,一般在电磁炉上有两组或三组电源电磁炉电源电路图讲解,+5v、+18v,三组电源还包括+12v,采用两组电源的一般是+5v供单片机、显示按键及一些低压处理电路,+18v供igbt驱动或风扇电源,采用三组电源的一般是将igbt驱动和风扇电源分开,风扇电源采用+12v。多丽c18b电磁炉工作不正常的原因2、一台多丽电磁炉型号是c18b,该机上电能加热但是用不了多久会停机,在加热当中按面板任意键可以关机,重新开机又可以加热,不能正常用.本人拿来上电试一下果然如此,打开机子发现该机按键已全部换新,排除按键漏电的可能.跟据上面现象我怀疑是不是cpu供电有问提引起的,用表量7805稳压输出有5v正常并代换7805稳压块无较维修进入僵局后重新测量各点电压偶然发现7805输入脚高达34v,大大超过7805的工作范围,该机小电源是12a开关电源共有两组输出分别是19和10v,其中10v经7805稳压后专供给cpu用,现10v这组输出为34v异常而19v这组正常(这组电压为何那么高本人没有精力去找元件代换因它稳压取向点是19v,现19v正常).本人想到是不是34v电压加到7805稳压块造成该器件工作不稳定而突然断电,于是决定改7805供电改法如下:第1去掉供给该器件电压的整流二极管,第2,找一个0.5w的8v-10v稳压二极管负极接入19v正极接往7805稳压块.改好后上机经用户试用一切正常。使用商品:互感器,变压器(电),磁性材料和器件,扼流线圈(阻抗),陶滤波器,变压器,传感器,电磁线圈,逆变器(电),电线圈。

【采用Viper12A芯片为核心的电磁炉】

Viper12A芯片本来是为手机充电电路设计,但是由于其价格低廉,性能好,因此被国内工程师大量应用于电磁炉设计中.有的电磁炉设计不完善,在溢锅后水会通过电磁炉壳体缝隙进入机内,从而导致电源板被烧坏.检修些芯片为核心的开关电源时,单凭测量引脚电压判断集成块是否损坏并无实际意义,因为电源部分的元件非常少,对于轻微鼓包的电容, 疑为性能不良的晶体管等不要吝惜,应直接更换,加快检修速度.如果电源还不工作,那剩下的元件就只有Viper12A芯片本身和开关变压器了.Viper12A芯片损坏一般会从外表上观察出来,常常有鼓包,裂纹,变色现象.如果集成块炸裂,要对尖峰吸收回路.+300V整流滤波电路进行检查,被怀疑性能不良的元件要进行代换处理.如果电磙炉内部油污很多,或都很潮湿,就要怀疑开关变压器是否损坏,如果电磁炉内部干燥洁净,则开关变压器一般不会损坏.开关变压器损坏后不易购买,一般彩用拆开后重新绕制的方法进行维修.此开关变压器为立式圆柱形,将外面的热缩管取下后绕制非常方便.
【采用FSD200芯片为核心的电磁炉】
FSD200芯片在部分电磁炉上和Viper12A同时留有安装位置,二者的开关变压器可以通用,仅元件受损.判断SD200芯片是否损坏最简单的办法是测量芯片3和4脚的阻值.正常情况下,这两个脚的正向阻值在600欧左右,反向阻值应该大于10K.如果正反向测得这两个引脚的阻值与正常值相差较大,则可判断FSD200芯片已经损坏.实修中,还可以用万用表*1K挡直接在路测量+300V滤波电容两端的正反向阻值在表针指向稳定以后,如果正向阻值严重低于500欧或都反向阻值明显小于10K欧电磁炉电源电路图讲解,说有FSD200已经损坏.FSD200芯片损坏时,其8脚外接的限流电阻(一般为20-30欧/2W)也连带损坏,需要一同更换.另外,有一部分电磁炉由于设计时防高压浪涌吸收保护电路不完善,因此造成开关电源芯片FSD200非常容易损坏,导致整机不能工作,维修时不能简单地更换了事,维修好后应在开关变压器初级和次级滤波电容两端分别并联一保小容量电容(4.7-10nf)注意选择好电容耐压值免得击穿.
【采用TH20A芯片为核心的电磁炉】
表1 四种逆变电路拓扑结构的比较电路参数 单端式 推免式 半桥式 全桥式 功率开关管集射极间施加电压 截止二极管箝位 稳态为2e,漏感引起的尖峰使 稳态为e,二极管箝位 稳态为e,二极管箝位 输出相同功率时集电极电流 2 2 功率开关管数量 2 2 2 4 输出滤波电容数量 1 1 2 1 输出容量 中、小 大 中等 大3.2.2振荡逆变电路的设计振荡逆变电路是由脉冲变压器组成,如图所示。31.(2017•北京)如图所示,电源两端电压u保持不变,电阻r1的阻值为6Ω,电阻r2的阻值为18Ω. 当开关s闭合时,电压表示数为 3v.求:。专利摘要一种数字卫星电视接收机顶盒极化电压控制电路,电源模块供电端连接到二极管d6的阳极,电阻r20的一端和三极管q7的发射极,二极管d6、d7、d8串联,三极管q7的集电极连接二极管d8的阴极,电阻r20的另一端通过电阻r21连接到三极管q13的集电极,三极管q13发射极接地,13/18v电压控制信号接到三极管q13的基极,二极管d8的阴极连接二极管d5的阳极,三极管q9跨接在二极管d5的两端,二极管d5的阴极通过可恢复保险丝f5连接到高频头的电源端,三极管q9的基极连接到三极管q14的集电极,三极管q14的发射极接地,22k开关信号或diseqc控制信号连接到三极管q14的基极。
本文来自电脑杂谈,转载请注明本文网址:
http://www.pc-fly.com/a/dianqi/article-113158-1.html
IS就是美国培育的
既然这样挑衅